Replaced battery, alternator and still not.

Tiny
ANONYMOUS
  • MEMBER
  • 1994 LINCOLN TOWN CAR
  • 114,000 MILES
Replaced battery, alternator and still not charging. Check engine light still on. How can I retrieve codes
Sunday, October 28th, 2012 AT 6:02 PM

1 Reply

Tiny
KASEKENNY
  • MECHANIC
  • 18,907 POSTS
Let's start with what the codes are as you mentioned. Here is a guide that will help with this, or you can have a parts store pull them for you:

https://www.2carpros.com/articles/checking-a-service-engine-soon-or-check-engine-light-on-or-flashing

Once we know what the codes are we can go from there but how do you know if it is not charging? Have you checked the alternator, or do you just have a low voltage gauge light on?

Here is a guide that will help with checking the alternator:

https://www.2carpros.com/articles/how-to-check-a-car-alternator

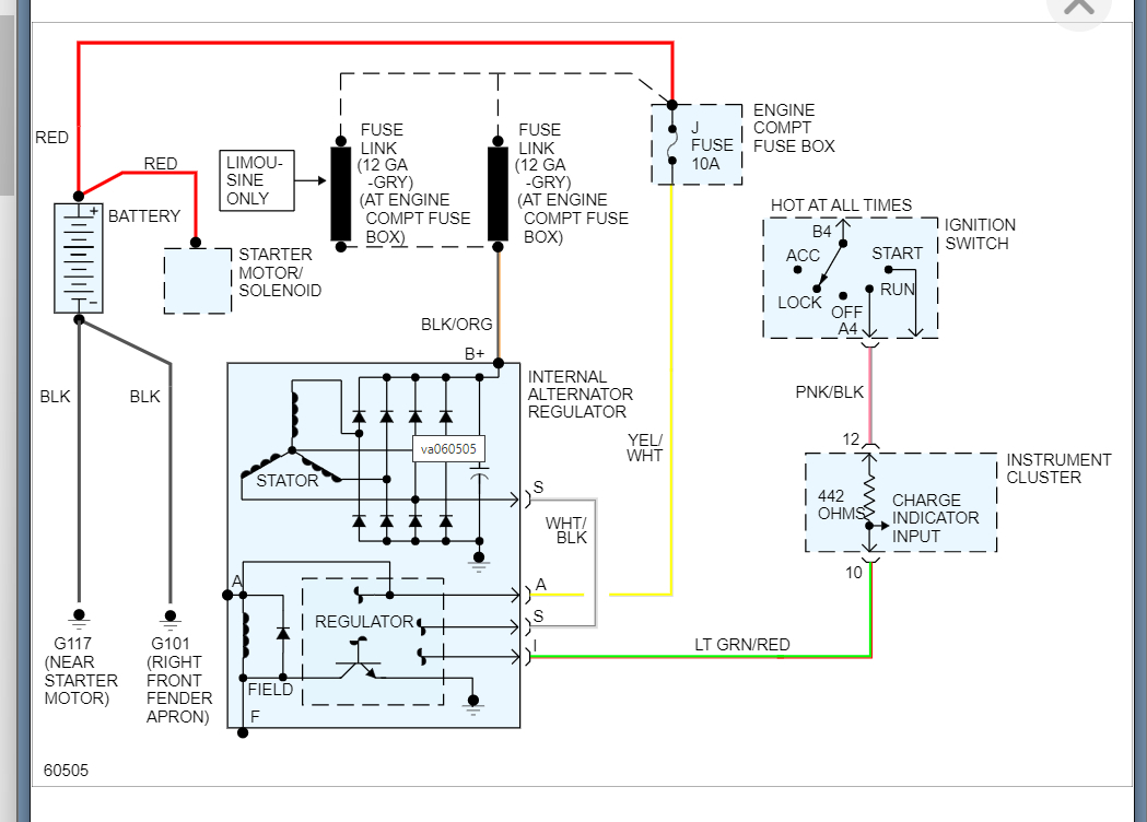
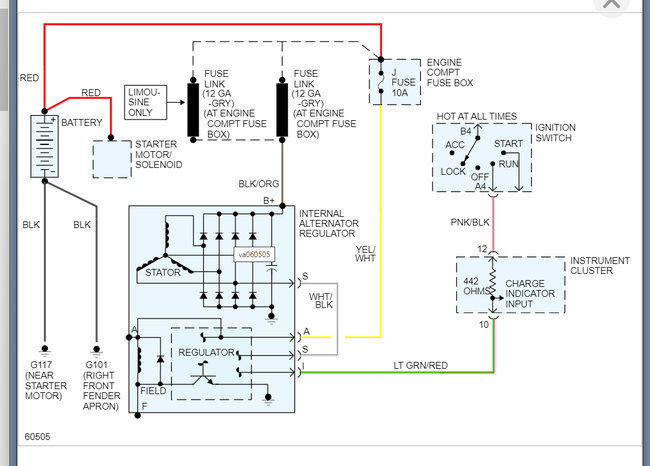
We need to prove that the alternator is actually not charging because you have a resistor in your cluster that will display the proper voltage level.

If this resistor has failed, then the gauge will not be accurate.

Please see the info attached. We need to measure the resistance on pin 10 and 12 on the cluster and make sure it is 442 ohms.

Here is a guide that will help with this:

https://www.2carpros.com/articles/how-to-use-a-voltmeter

Please see the diagram below and let us know what you find.

Thanks
Was this
answer
helpful?
Yes
No
Sunday, February 20th, 2022 AT 7:16 AM

Please login or register to post a reply.