Cruise control doesn't work

Tiny
JOEL12
  • MEMBER
  • 1994 FORD TAURUS
  • 108,000 MILES
I have a 1994 ford Taurus GL 3.8 liter V6 and the Cruise control doesn't work all the time any suggestions to fix it? I took a fuse out of the fuse box the other day and put it back in and the cruise worked but when I turned off the car and turned it back on it stopped working also if it is possible to get a fuse box diagram for the car because I don't think all the fuses have the correct amp in them

Thank you,
joeL12
Thursday, January 26th, 2012 AT 6:27 PM

2 Replies

Tiny
HMAC300
  • MECHANIC
  • 48,601 POSTS
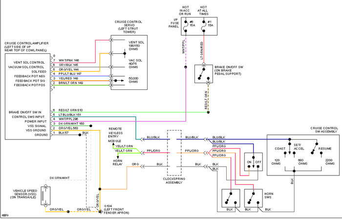
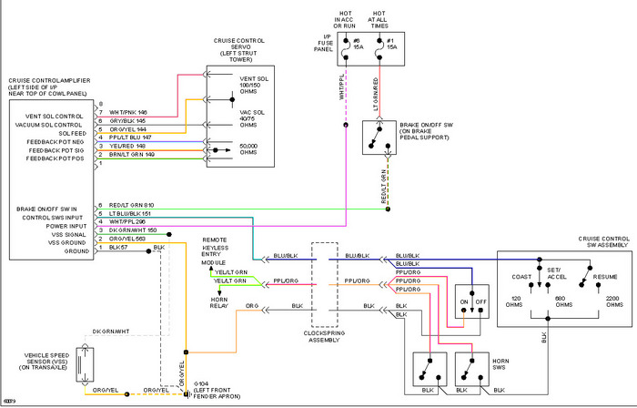
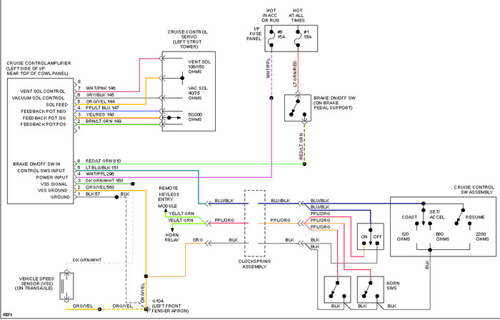
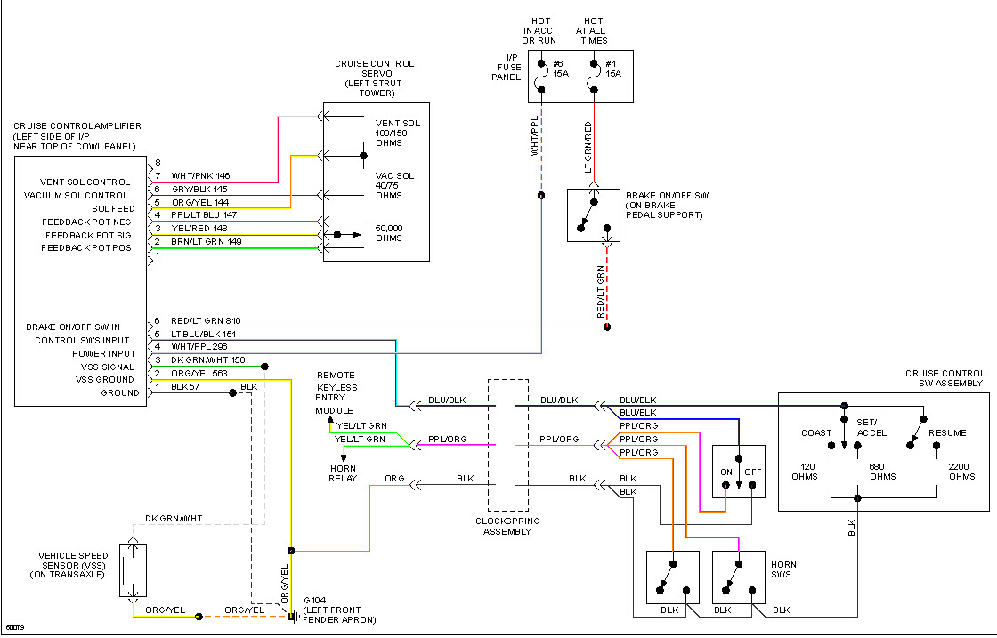
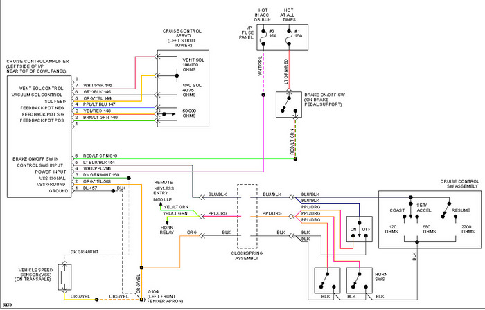
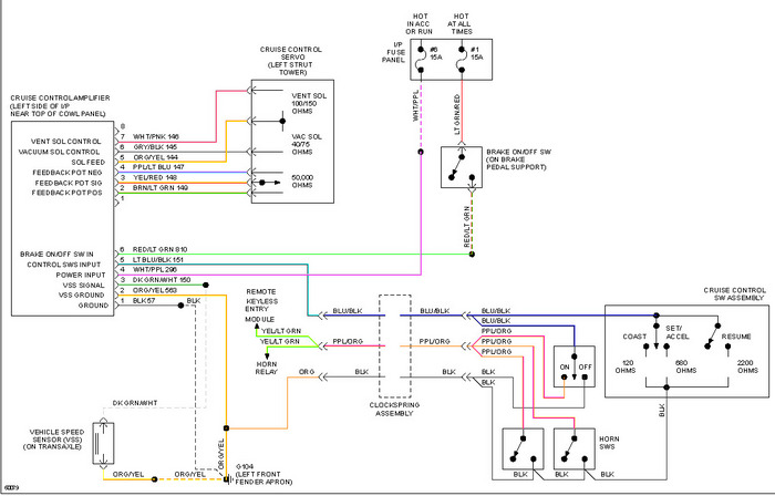
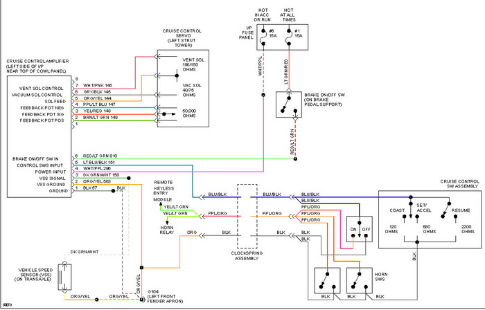
Here is a daigram of the curise control. Check your brake switch and relay as those are the normal culprits. Also if you have vacuum going to it make sure it's not leaking.
Was this
answer
helpful?
Yes
No
+1
Thursday, January 26th, 2012 AT 8:35 PM
Tiny
JOEL12
  • MEMBER
  • 9 POSTS
Would you happen to have a fuse box diagram as well for this car?
Was this
answer
helpful?
Yes
No
Friday, January 27th, 2012 AT 4:42 AM

Please login or register to post a reply.