Any Idea on why an alternator would burn out after being replaced and the battery would lose its charge?

Tiny
CAT206
  • MEMBER
  • 1994 FORD ESCORT
  • 100,000 MILES
Here is the back story to this. The cooling fan's bearings went bad, the cooling fan switch was bad and the relay for the cooling fan was melted. Due to a 4 day wait on getting a new relay, we wired a toggle switch to turn on the fan. The car was running fine for three days. THen the alternator died and so did the battery. I tested both and the battery was holding a charge, but the alternator tested bad. I replaced the alternator, cooling fan motor, relay, and temp control switch. Drove the car today and it started fine. I went to restart the car and battery was dead again. Jumped the car in hopes of getting it home and it made it about 50 feet before dying. The alternator was not working again. The fan never kicked on either when it reached the temperature it should have kicked on at and even higher temp than that, and the relay was getting fairly warm.

Hope you can come up with any ideas for this, or possibly a wiring diagram for the cooling fan wiring as I suspect that there might be a short somewhere.
Sunday, August 28th, 2011 AT 4:00 AM

8 Replies

Tiny
CJ MEDEVAC
  • MECHANIC
  • 11,005 POSTS
MAYBE MORE STUFF MELTED?

WIRES NOW TOUCHING OR COMPONENTS TOUCHING INTERNALLY (LIKE ANOTHER RELAY?)

LOOK THRU THESE.I LIKE THE METHODS OF PULLING FUSES TO FIND THE CIRCUIT WITH THE PROBLEM

IF YOU WANT, ONCE YOU FIND THE CIRCUIT, I MAY BE ABLE TO SHOOT YOU OUT A WIRE DIAGRAM FOR IT, SO YOU CAN CHECK/ TEST TO FIND THE PROBLEM WITH IN IT.

USUALLY ON MODERN CARS, IN THE RESOURCE I HAVE AVAILABLE, THERE ARE 40-60 DIAGRAMS--SO IF YOU CAN NARROW IT DOWN TO CERTAIN CIRCUITS. THAT WOULD BE GOOD! 4 OR 5, IS COOL, AS I AM NOT CYBER QUICK!

I'M A JEEP CJ AND OLD FORD KINDA GUY. THESE DIAGRAMS ARE REAL EZ TO READ, AND USUALLY SHOW THE LOCATIONS OF THE COMPONENTS (RIGHT BESIDE THEM)

I'LL TRY, LIKE I SAID, I'M SORTA OLD CAR CAPABLE, BUT I WILL DO WHAT I CAN TO HELP, AND OTHERS MAY "PIPE IN". THAT'S COOL TOO, THE MORE OPINIONS YOU GET, THE BETTER!

THE MEDIC
Was this
answer
helpful?
Yes
No
Sunday, August 28th, 2011 AT 5:23 AM
Tiny
CAT206
  • MEMBER
  • 13 POSTS
Thank you for the quick response. We will be looking at the car tomorrow and will hopefully be able to narrow down the issue to a handful of possibilities. Once we know a little more I will post another reply. Again - Thank you.
Was this
answer
helpful?
Yes
No
Sunday, August 28th, 2011 AT 7:26 AM
Tiny
CAT206
  • MEMBER
  • 13 POSTS
Ok so the under hood fuse box has melted parts in it, so bought a new one, now new problem might have to run a few wires so need a wiring diagram for the box and where it all goes.

Thank you
Was this
answer
helpful?
Yes
No
Monday, August 29th, 2011 AT 3:59 AM
Tiny
CJ MEDEVAC
  • MECHANIC
  • 11,005 POSTS
ESCORT?

ESCORT GT?

ESCORT LX?

EXACT ENGINE?

ANYTHING ELSE EXTRA I MAY NEED TO KNOW? ACCESSING THE CORRECT DIAGRAMS REQUIRES REAL SPECIFIC INFO.I FEEL SURE I CAN FIND THE RIGHT STUFF, JUST DON'T WANNA HAVE TO BRING BACK WAY TOO MUCH FOR THE OTHER APPLICATIONS, THAT WOULD BE BIG-TIME CONFUSING

WAITIN' ON YOU!

THE MEDIC
Was this
answer
helpful?
Yes
No
Monday, August 29th, 2011 AT 11:52 AM
Tiny
CAT206
  • MEMBER
  • 13 POSTS
1994 Ford Escort 4 door (thinking its the sedan because of the trunk style but it opens like a hatch wow now i'm confused so it looks like a real trunk but opens like a hatch so maybe it is the hatch) 1.9 liter engine.
Was this
answer
helpful?
Yes
No
Monday, August 29th, 2011 AT 2:21 PM
Tiny
CJ MEDEVAC
  • MECHANIC
  • 11,005 POSTS
ALLRIGHTY THEN

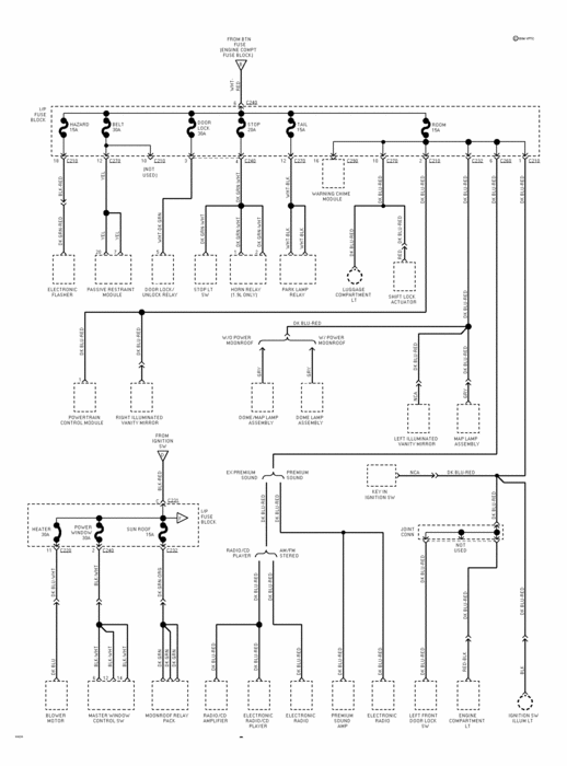
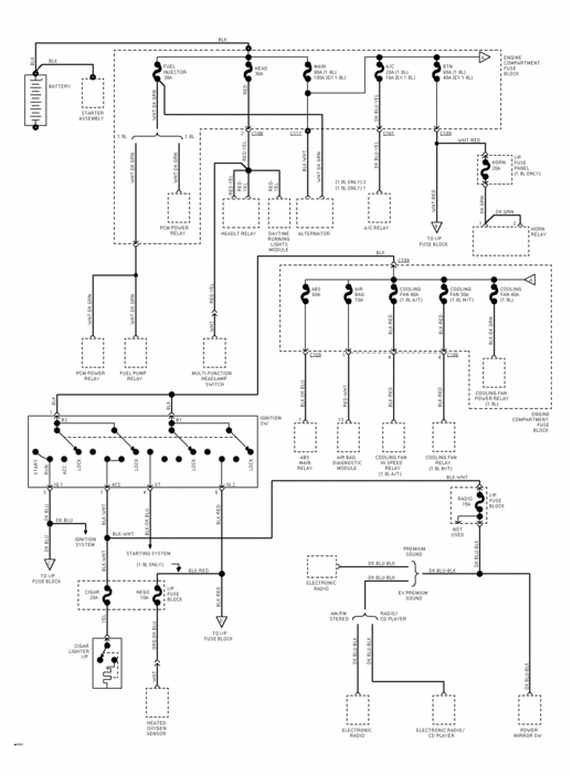
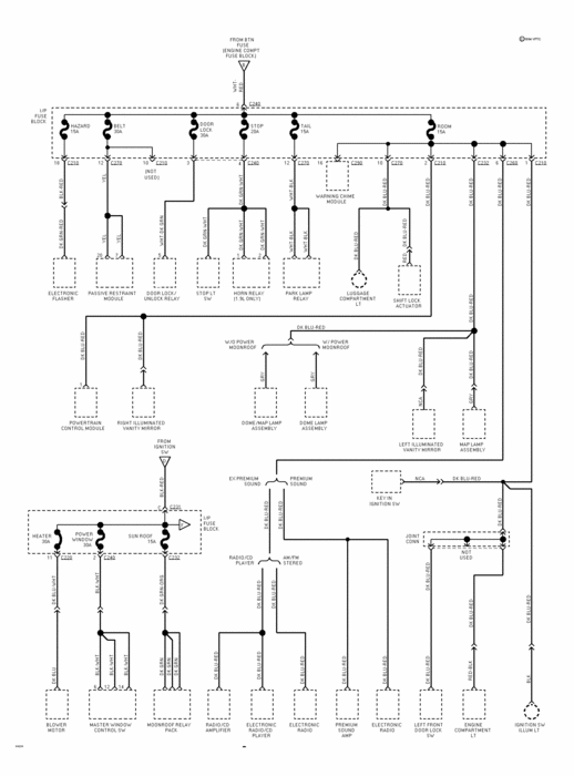
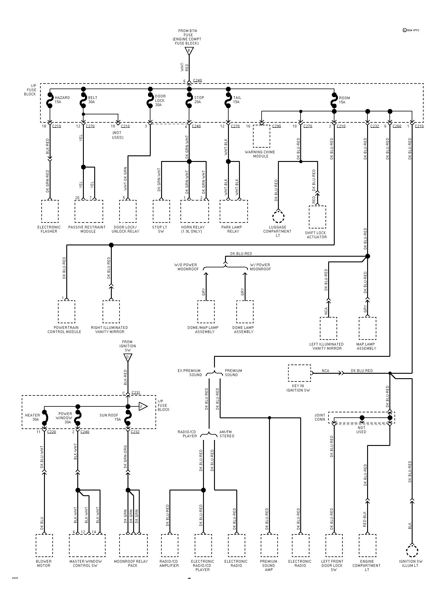
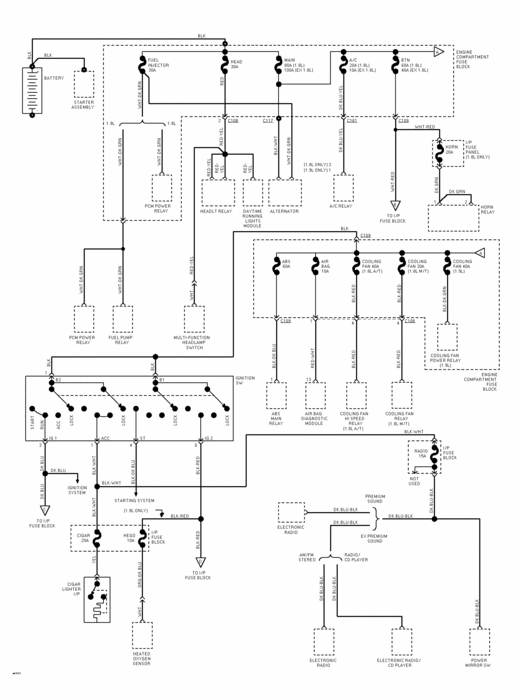
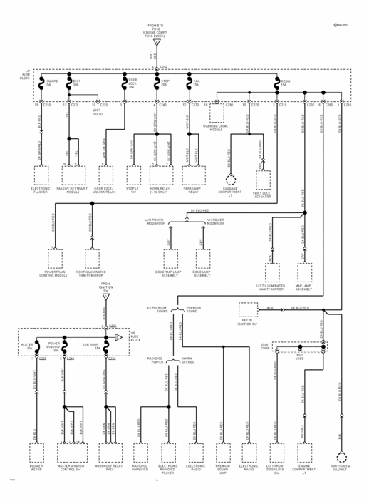
THESE 3 DIAGRAMS ARE "POWER DISTRIBUTION" [BASICALLY FUSE BOX(ES)]

THERE ARE 46 DIAGRAMS FOR AN ESCORT, SEVERAL OF THESE ARE FOR A 1.8, LOOKS LIKE THEY SHARE THE REST

GIVE ME SPECIFICS, FOR ANY OTHER SYSTEMS YOU MIGHT WANT

LET ME KNOW IF YOU CANNOT READ 'EM, I CAN SAFELY GET THEM TO YOU IN "MESSAGES", WITHOUT YOU POSTING YOUR EMAIL, HERE IN OPEN FORUM.I'LL PROBABLY HAVE TO INITIATE THE MESSAGE

THE MEDIC
Was this
answer
helpful?
Yes
No
Monday, August 29th, 2011 AT 4:29 PM
Tiny
CAT206
  • MEMBER
  • 13 POSTS
Thank you for your help.
Was this
answer
helpful?
Yes
No
Monday, August 29th, 2011 AT 4:50 PM
Tiny
CJ MEDEVAC
  • MECHANIC
  • 11,005 POSTS
Let me know how it goes!

The Medic
Was this
answer
helpful?
Yes
No
Wednesday, August 31st, 2011 AT 1:47 AM

Please login or register to post a reply.