Wednesday, August 10th, 2011 AT 9:08 PM
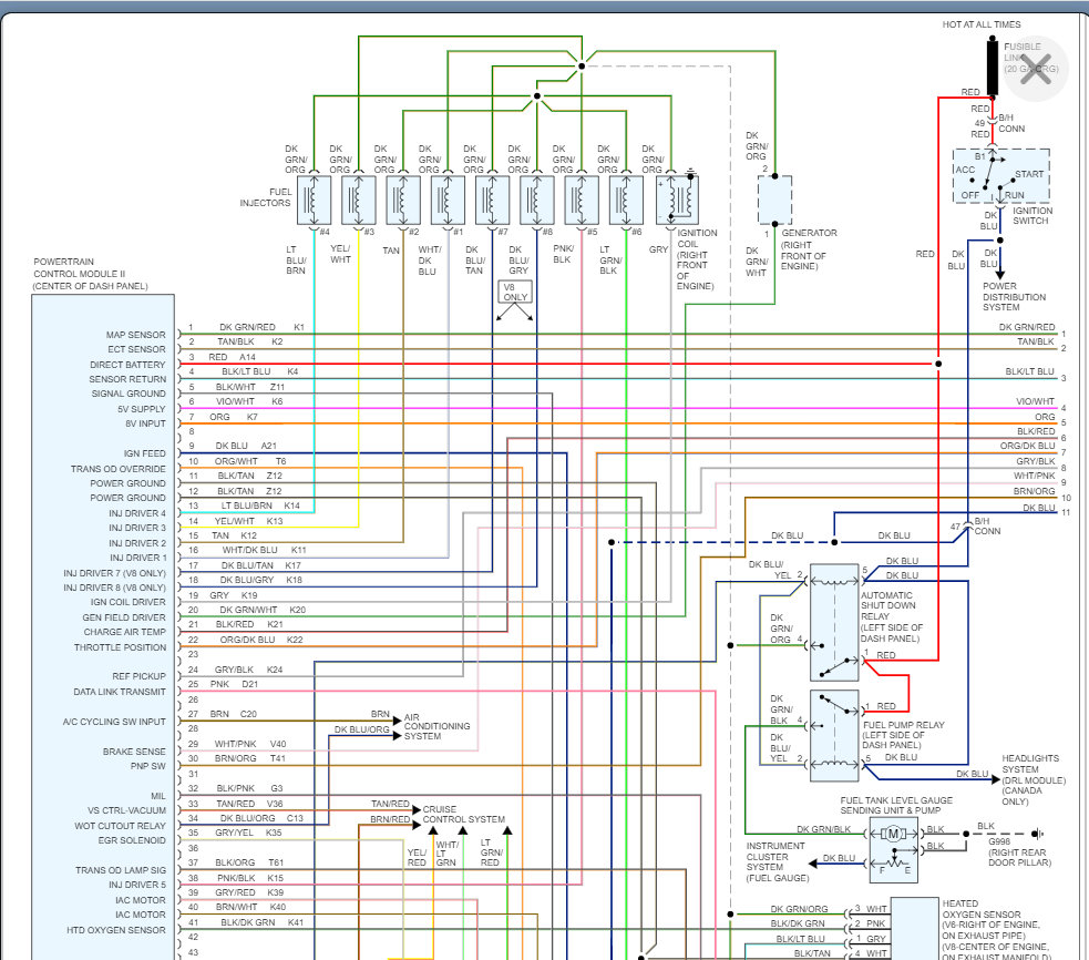
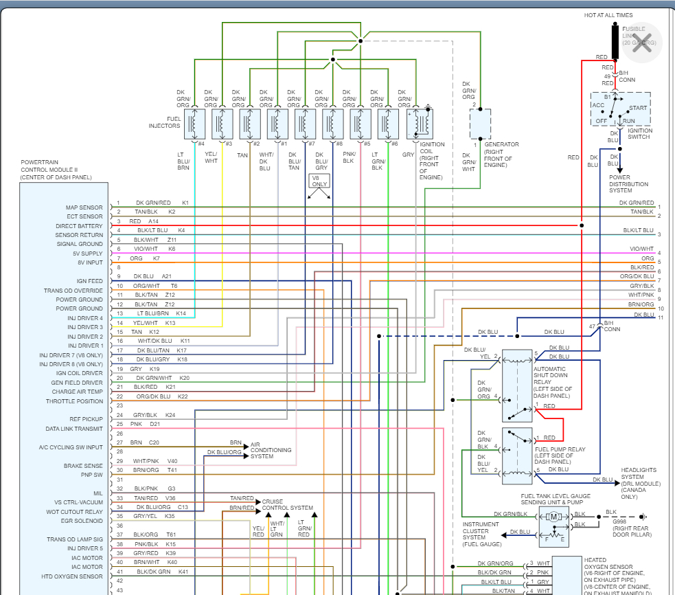
My churches van is getting no fuel, I've checked all fuses and still no power at the wire harness/fuel pump plug. I have no manual and have looked all over for the fuel pump relay and cannot find it. It is listed above Ram 350 van 5.2 liter. I have also tested the wires of all fuel injectors they have power/everything fuel related I have tested for power and it has it. I just can't find the fuel pump relay.




