Cooling fans will not turn on

Tiny
KHLOW2008
  • MECHANIC
  • 41,814 POSTS
If there is insufficient voltage, the fan might not work. Even if it works, the turning speed would be low. Test the fan motor terminals for battery voltage.

You could have a fault in the wiring circuit causing the non-charging and fans not turning on.

Do you have battery voltage at the Red wire?
Was this
answer
helpful?
Yes
No
Saturday, February 11th, 2012 AT 9:06 PM
Tiny
BCMULLEN95
  • MEMBER
  • 249 POSTS
The voltage reading I am getting at the mast is the same as battery voltage of 12.06V and the red wire is.001V with Key on engine off and.005V with engine on. What is the voltage reading supposed to be?
Was this
answer
helpful?
Yes
No
Saturday, February 11th, 2012 AT 9:07 PM
Tiny
KHLOW2008
  • MECHANIC
  • 41,814 POSTS
Unplug the RED wire and test the voltage again. If you have battery voltage, replace the alternator. If you do not have battery voltage, check if the charge indicator light in meter cluster comes on. If it does not come on, check Fuse 1D in underash fuse box.

Voltage is controlled by the PCM and you could have a faulty PCM. Trace the Red wire to the PCM and test the terminals for battery voltage. If voltage is not available, and meter cluster light comes on, you have a bad PCM.
Was this
answer
helpful?
Yes
No
Saturday, February 11th, 2012 AT 9:24 PM
Tiny
BCMULLEN95
  • MEMBER
  • 249 POSTS
The voltage reading unplugged at red wire is.017V with Engine off and.023V with engine running. Are nthe readings about what it should be?
Was this
answer
helpful?
Yes
No
Saturday, February 11th, 2012 AT 9:47 PM
Tiny
BCMULLEN95
  • MEMBER
  • 249 POSTS
What should the voltage reading be? Should it be a small amount of volts or should it be closer to 12V.
Was this
answer
helpful?
Yes
No
Saturday, February 11th, 2012 AT 9:50 PM
Tiny
BCMULLEN95
  • MEMBER
  • 249 POSTS
Voltage at the pin is 9.47V however the voltage at the red wire to the connecting PCM terminal is.017V. Should that happen, should there be over a (V drop when the wire harness is connected to the PCM?
Was this
answer
helpful?
Yes
No
Saturday, February 11th, 2012 AT 10:07 PM
Tiny
BCMULLEN95
  • MEMBER
  • 249 POSTS
The meter cluster comes on.
Was this
answer
helpful?
Yes
No
Saturday, February 11th, 2012 AT 10:08 PM
Tiny
KHLOW2008
  • MECHANIC
  • 41,814 POSTS
You have a break between the PCM and Red wire to alternator.
Was this
answer
helpful?
Yes
No
Saturday, February 11th, 2012 AT 10:15 PM
Tiny
BCMULLEN95
  • MEMBER
  • 249 POSTS
Some where at the wire harness I would assume. I have 9.47V when disconnected and.017 when the harness is connected. I am assuming then the connecting pin and the red wire or not fully connecting then?
Was this
answer
helpful?
Yes
No
Saturday, February 11th, 2012 AT 10:22 PM
Tiny
KHLOW2008
  • MECHANIC
  • 41,814 POSTS
Do you mean you have 9.47 V at alternator Red wire with ignition turned on when disconnected?
Was this
answer
helpful?
Yes
No
Saturday, February 11th, 2012 AT 10:25 PM
Tiny
BCMULLEN95
  • MEMBER
  • 249 POSTS
I have been checking the red wire that comes from the PCM. When the wire harness at the PCM is disconnected the voltage is 9.47V with KOEO, when the wire harness is connected the red wire from the PCM is.017V.
Was this
answer
helpful?
Yes
No
Saturday, February 11th, 2012 AT 10:45 PM
Tiny
KHLOW2008
  • MECHANIC
  • 41,814 POSTS
Ok, that means the wire is good.

In this case either you have a bad PCM or alternator.
Was this
answer
helpful?
Yes
No
Saturday, February 11th, 2012 AT 10:54 PM
Tiny
BCMULLEN95
  • MEMBER
  • 249 POSTS
What should the voltage at the red wire be when the Key is on and engine off?
Was this
answer
helpful?
Yes
No
Saturday, February 11th, 2012 AT 10:57 PM
Tiny
BCMULLEN95
  • MEMBER
  • 249 POSTS
Is there a way to determine which one is going to be bad? The alternator reading the the red wire connected at alternator with koeoff is.005V and with the red wire disconnected at the alternator the reading is.017V. Is this normal.
Was this
answer
helpful?
Yes
No
Saturday, February 11th, 2012 AT 11:21 PM
Tiny
BCMULLEN95
  • MEMBER
  • 249 POSTS
If mt ECM/PCM is bad is there a way I can check to see if there is a wire that could be shorting out the ECM. This would be the third one in 3 years.
Was this
answer
helpful?
Yes
No
Sunday, February 12th, 2012 AT 12:50 AM
Tiny
BCMULLEN95
  • MEMBER
  • 249 POSTS
Do you know which pin connection from the pcm the alternator connects too as well as the on from the relays for the cooling fan.
Was this
answer
helpful?
Yes
No
Sunday, February 12th, 2012 AT 1:09 AM
Tiny
BCMULLEN95
  • MEMBER
  • 249 POSTS
Do you have a wiring diagram for the PCM
Was this
answer
helpful?
Yes
No
Sunday, February 12th, 2012 AT 1:23 AM
Tiny
KHLOW2008
  • MECHANIC
  • 41,814 POSTS
Lets us atart all over with basic testing of the alternator.

Disconnect the Red wire from alternator and turn ignition switch on. Charge indicator should come on.

With Red wire disconnected, the RED wire should have battery voltage when ignition switch is turned on.

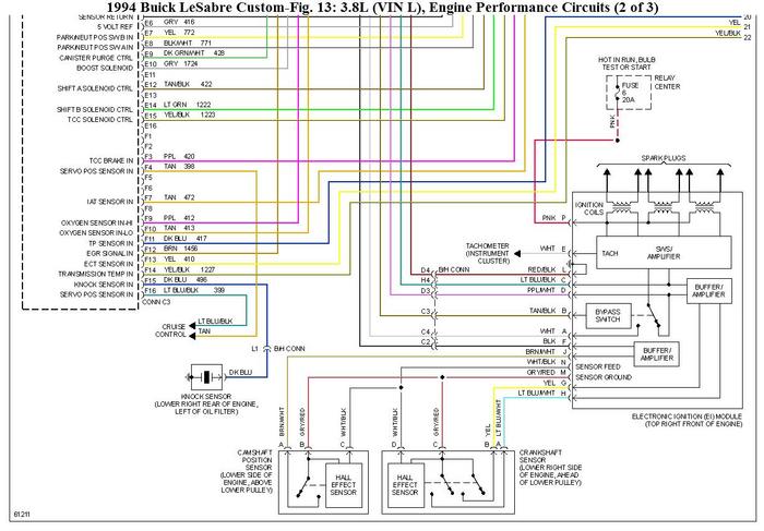
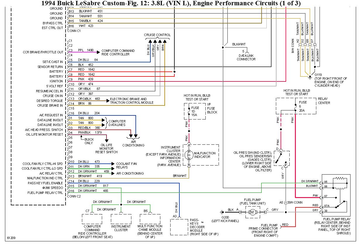
Red wire is connected to PCM terminal B4.
Was this
answer
helpful?
Yes
No
Sunday, February 12th, 2012 AT 7:18 AM
Tiny
BCMULLEN95
  • MEMBER
  • 249 POSTS
When the red wire is disconnected from alternator the voltage reading is.017V. By charge indicator I assume it is the on the dash showing approximate voltage of battery, if so it comes on.
Was this
answer
helpful?
Yes
No
Sunday, February 12th, 2012 AT 6:45 PM
Tiny
KHLOW2008
  • MECHANIC
  • 41,814 POSTS
Is your dash equipped with gauge or charge indicator light?
Was this
answer
helpful?
Yes
No
Monday, February 13th, 2012 AT 12:10 PM

Please login or register to post a reply.