Monday, July 2nd, 2018 AT 6:26 PM
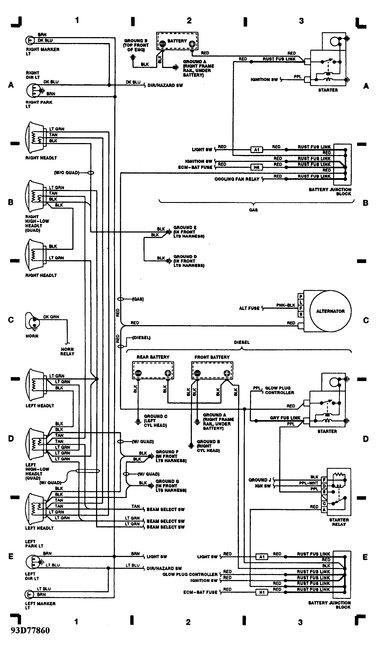
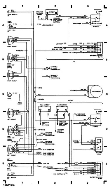
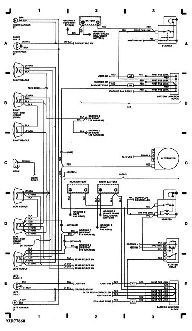
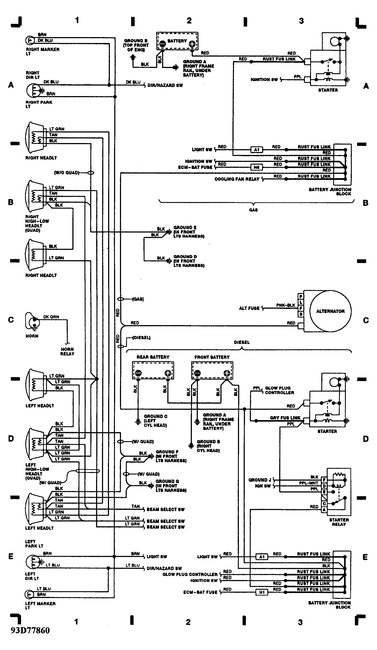
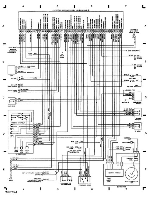
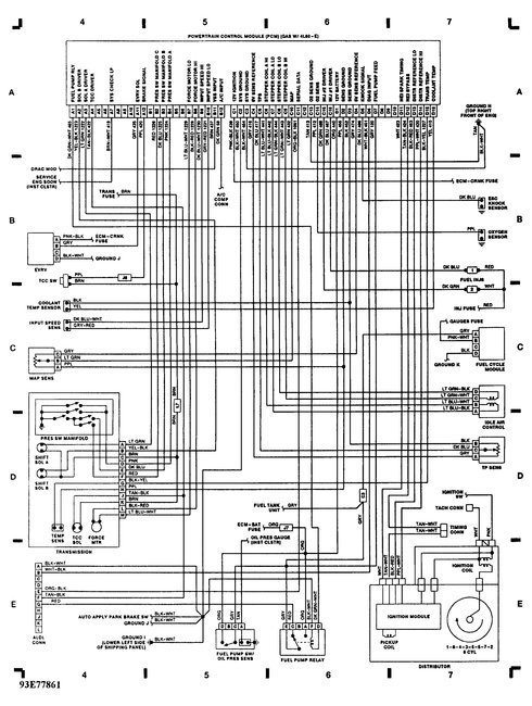
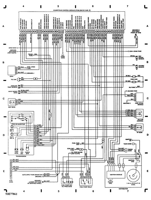
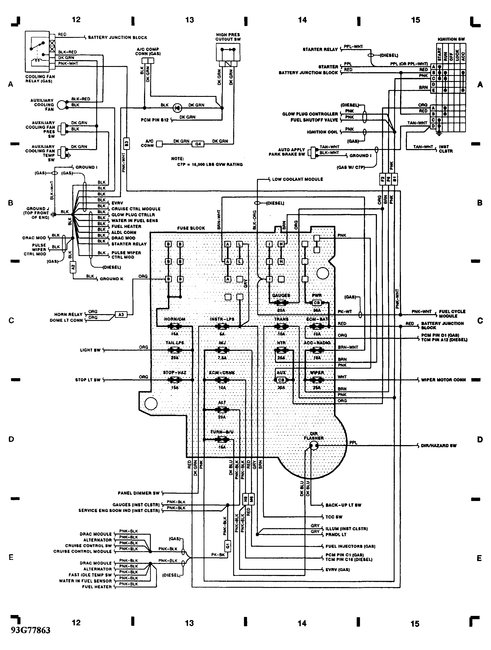
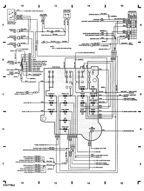
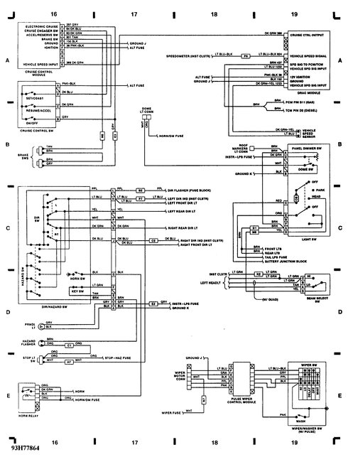
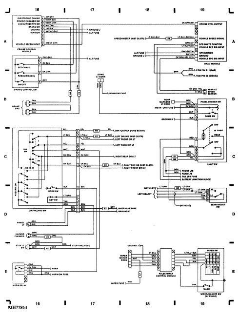
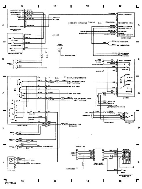
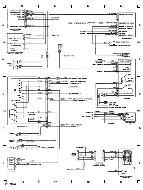
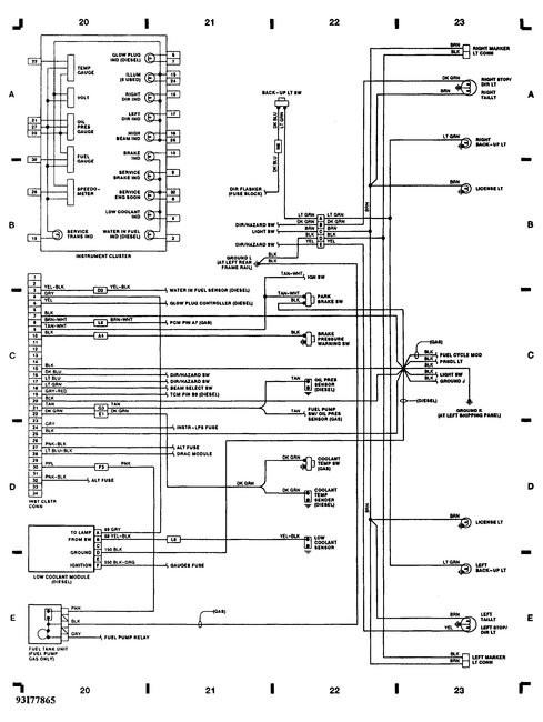
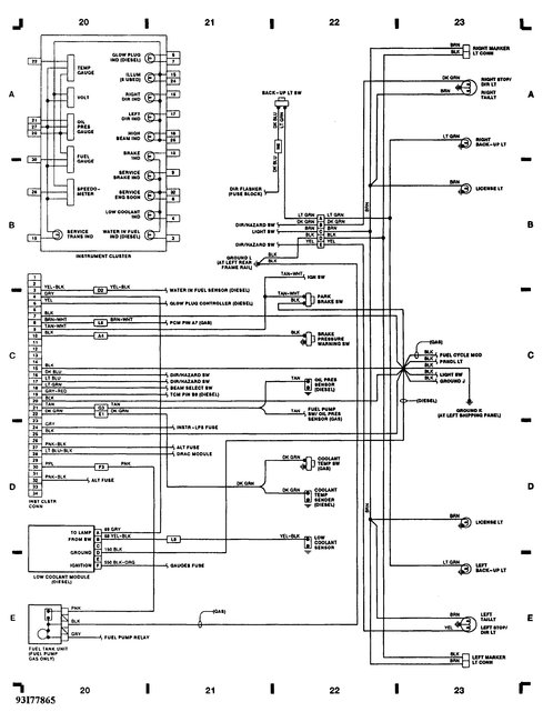
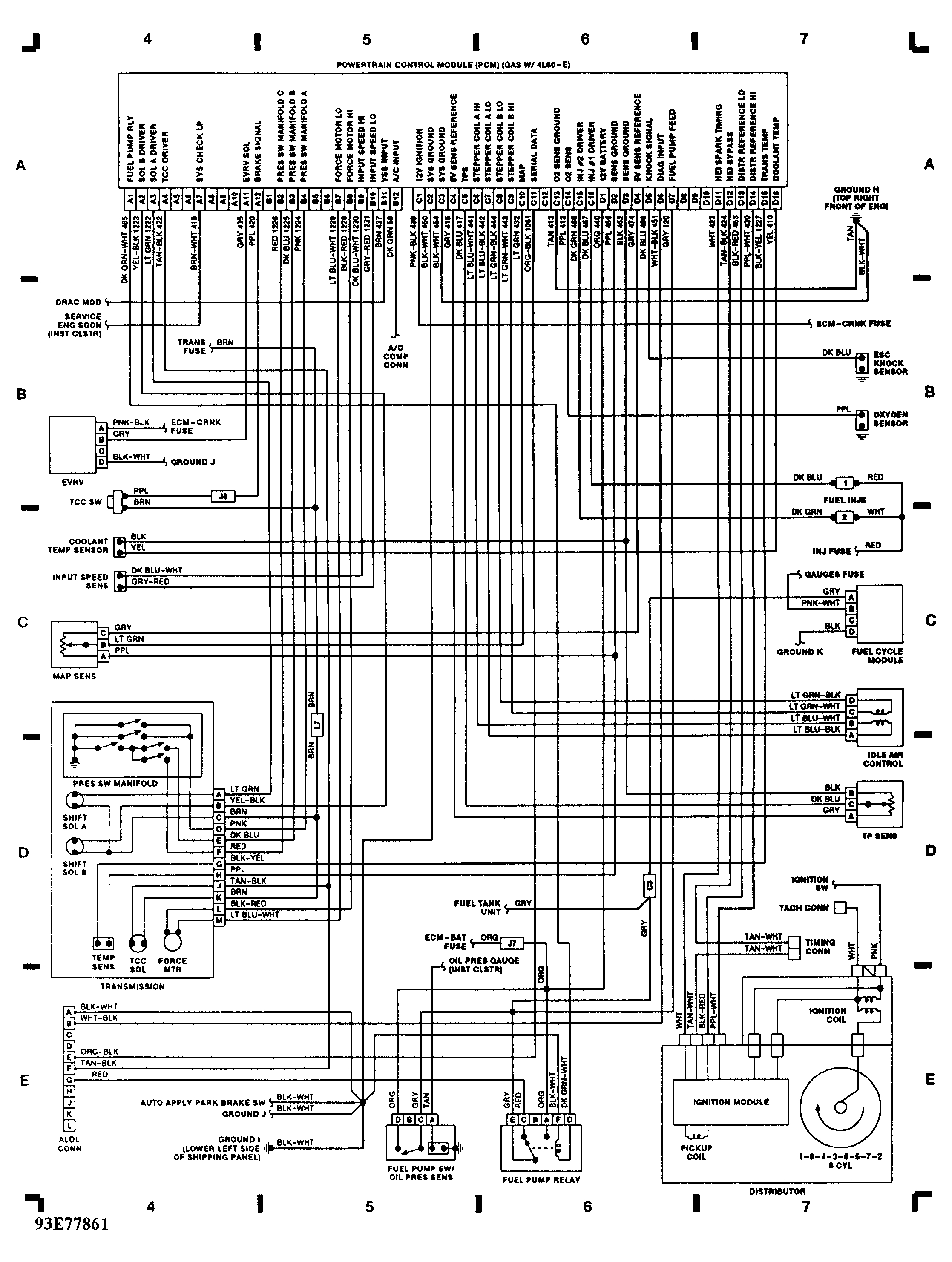
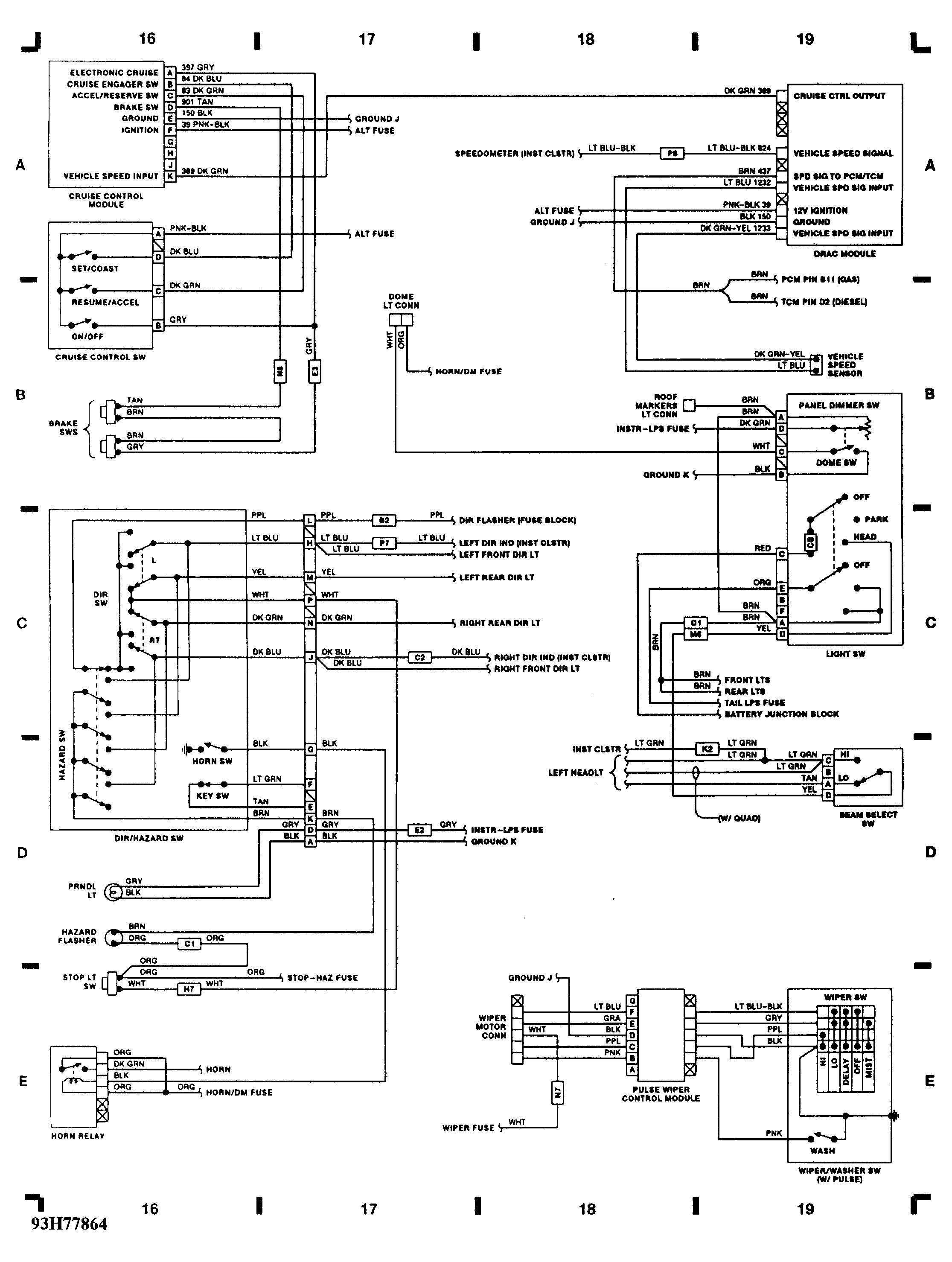
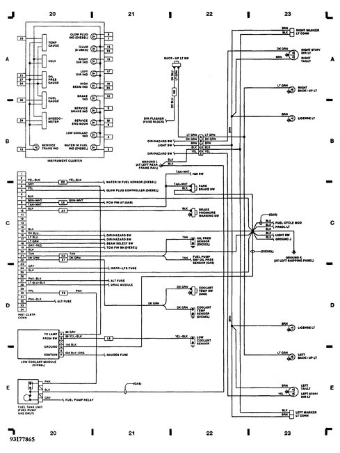
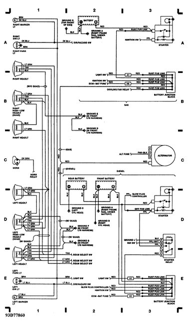
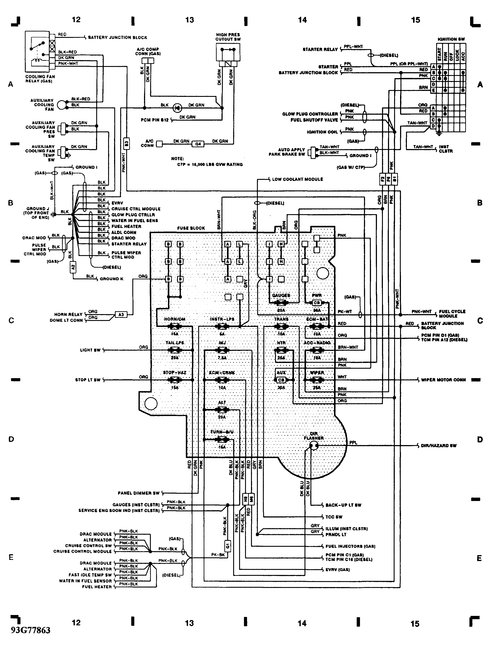
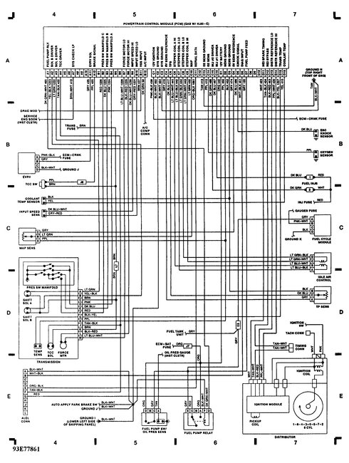
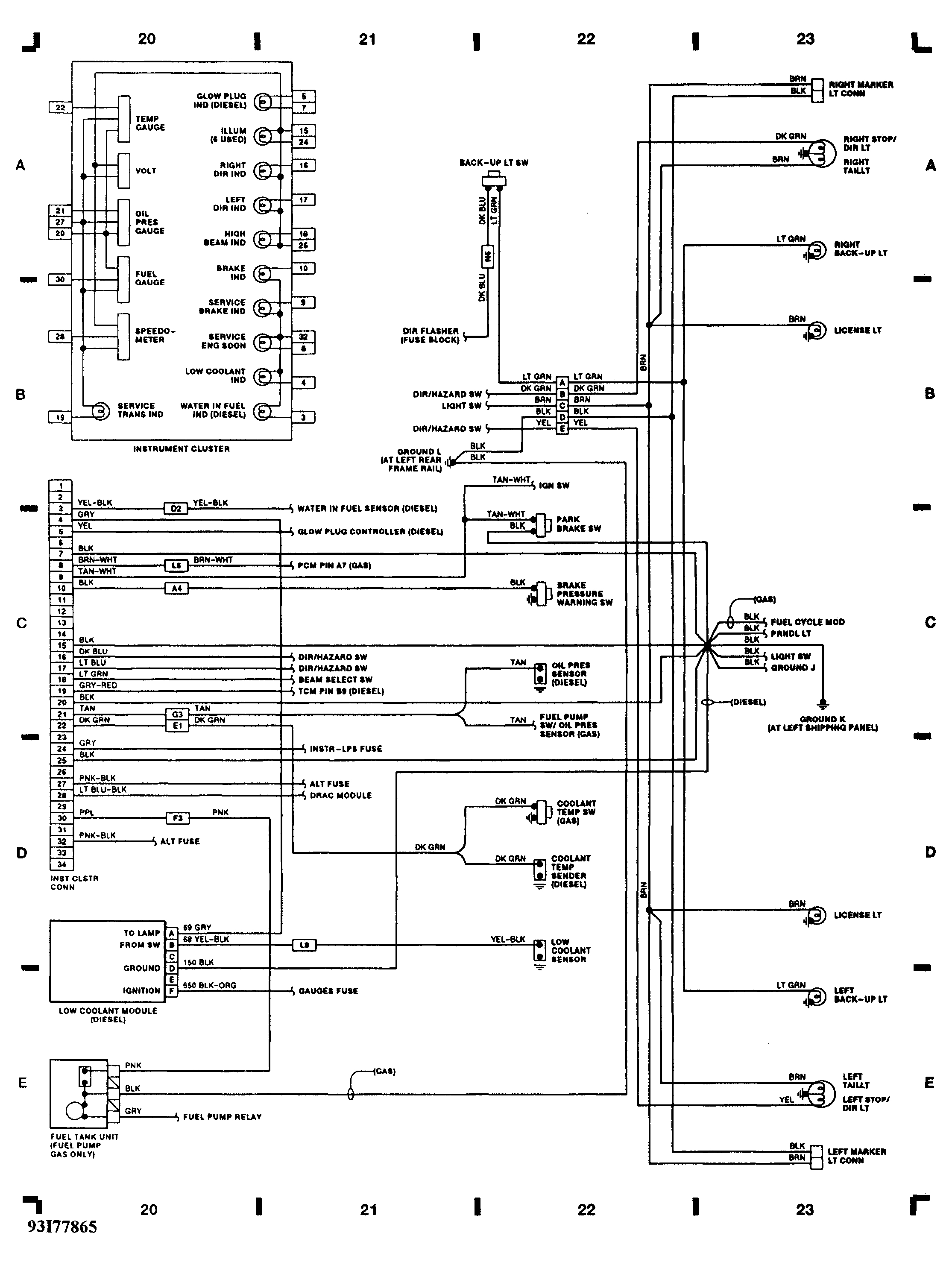
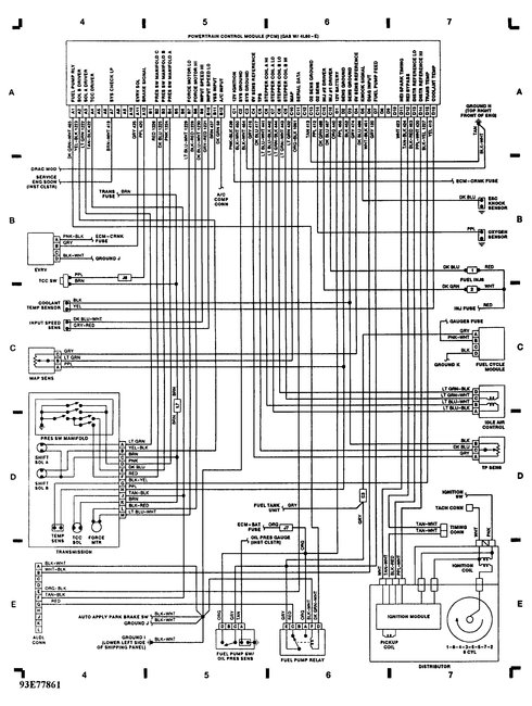
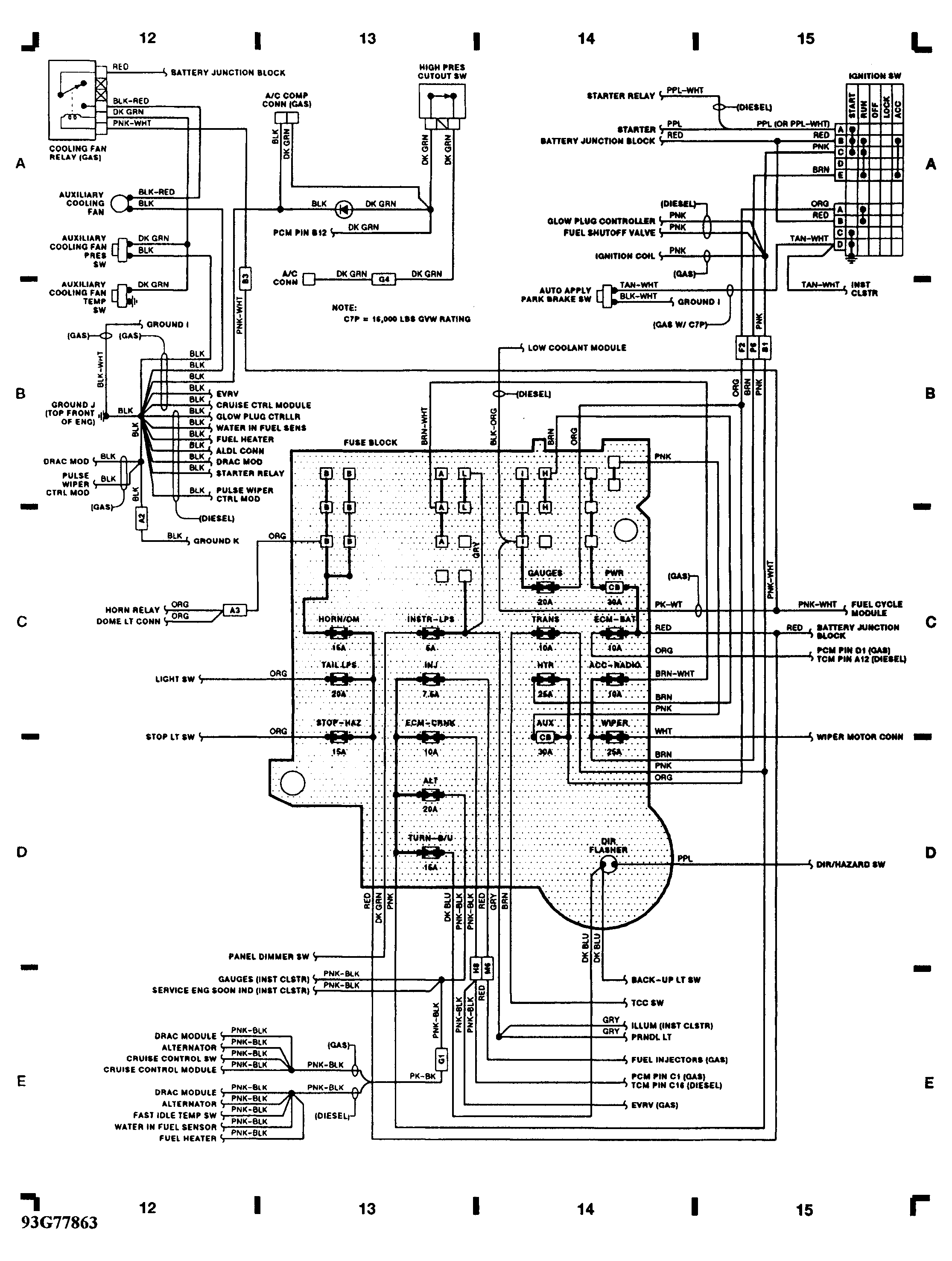
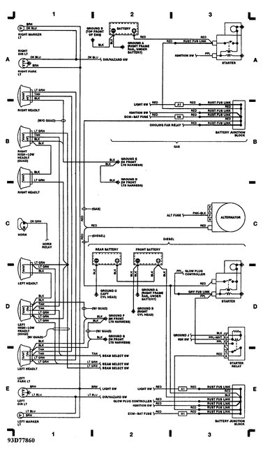
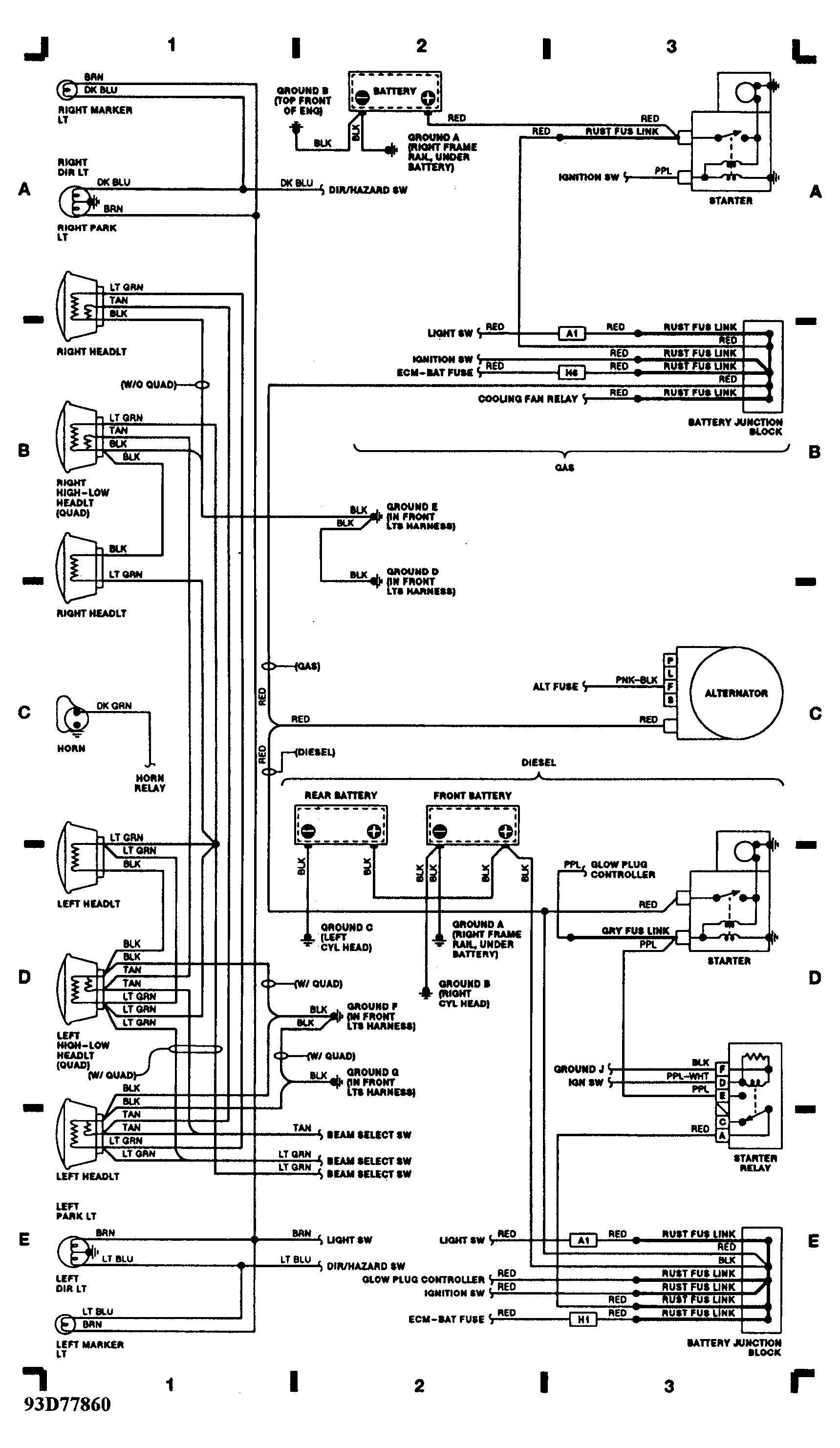
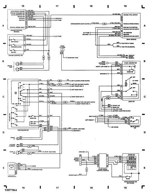
Vehicle sat for several years, ran fine before. Installed fresh battery, turned key nothing. No lights to the dash, no juice to the starter. Jumped relay, then state changed to crank-no-start. This is a motorhome (P chassis) and I figure the fuel pump is probably in the tank and a bear to get to so I rigged a makeshift fuel delivery system just to move the unit (I know, I know, nothing like living on the edge), throttle body injection received power and functioned as it should. There was no charging to the battery, after a rat infestation. I am sure it is highly likely there is a wire chewed in half somewhere. So far I am not finding anything. There is a panel under the hood that contains a circuit board and a few relays, as the house power system seems to be housed in the same panel as the chassis electrical. It has been years since I have tried to mechanic on anything and my brain is quite rusted. I saw you have answered many thousands of questions and hope I can be added to that number. :-)







