Saturday, March 28th, 2026 AT 3:29 AM
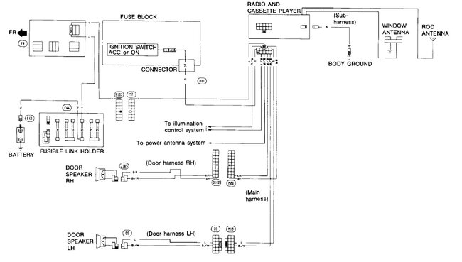
Radio wires from car to radio have been cut. I have a OEM wire harness I need to know what colors wires from car to factory radio harness





