Initially, when I turn it on, they will turn off with the switch, only staying on sometimes. Then, they just stay on. The only way then to turn them off is to disconnect the battery.
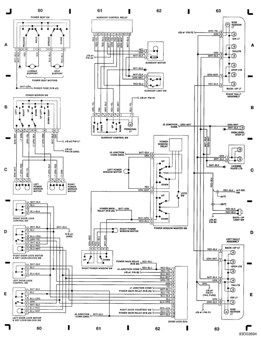
I have researched on the internet and they all talk about a "Running light relay". According to the relay and fuse section of the manual, and my electrical engineer friend looking at the wiring diagram, there is no relay that exists.
The only thing I can think of to replace is the headlight switch portion of the "Smart switch". The problem is, this is a $108.00 part and I'm not sure thbis is it
I'm not an electrical savy parson, so this is stumping me.
Any advice you may have would be helpful.
Thanks!
Sunday, June 10th, 2012 AT 1:25 AM




