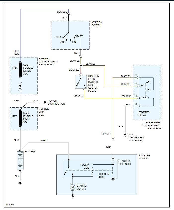
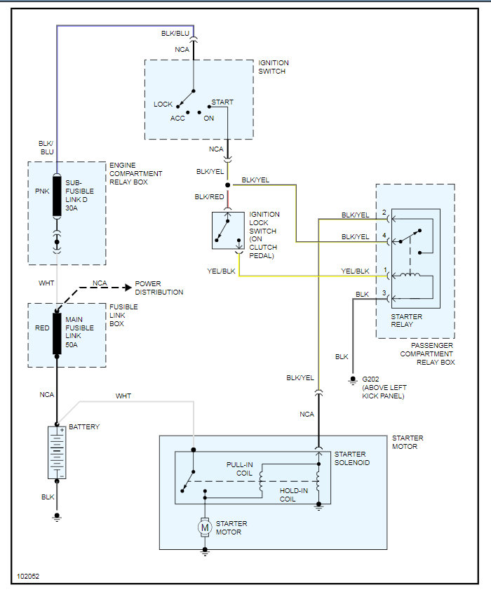
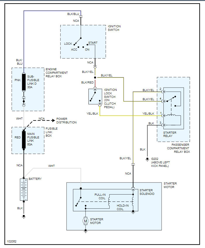
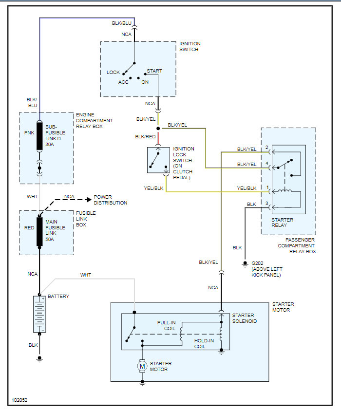
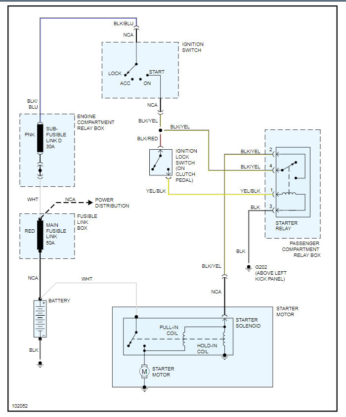
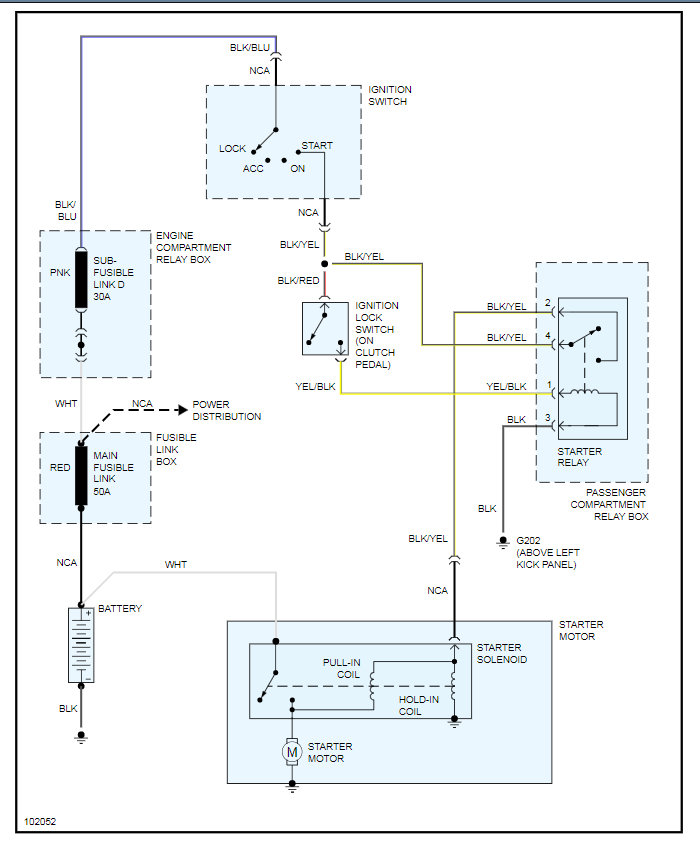
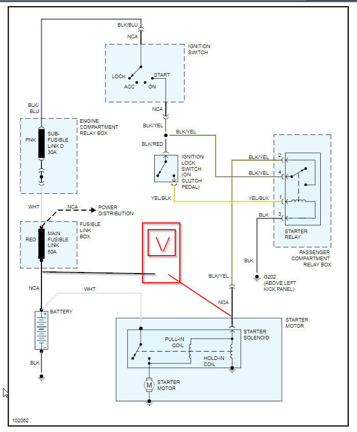
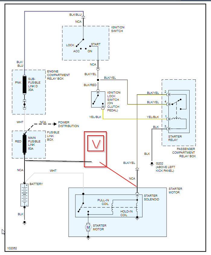
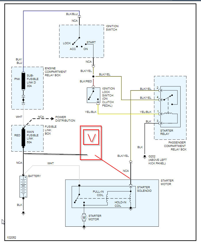
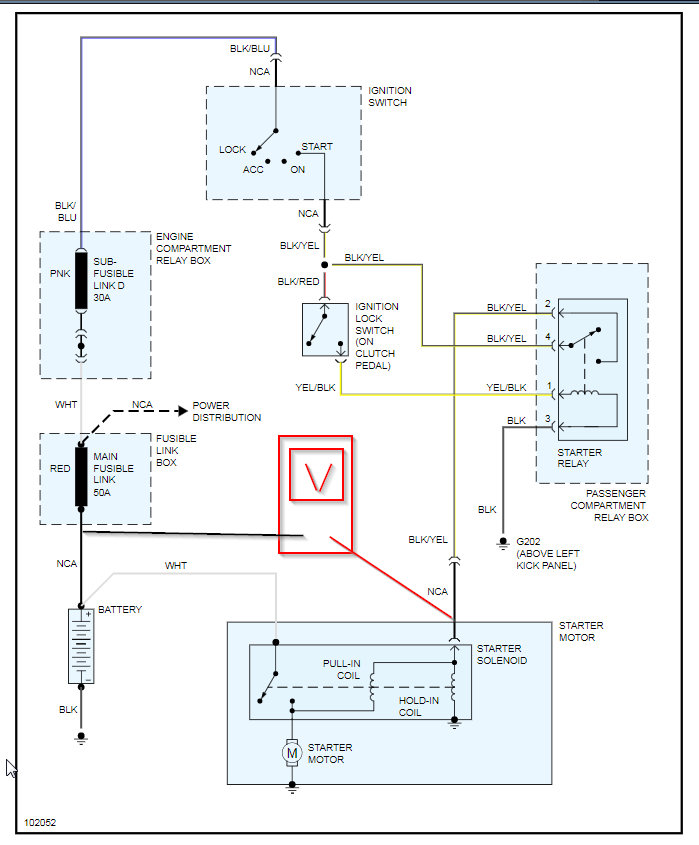
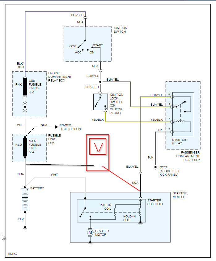
I replaced starter with rebuilt starter and it's doing the exact same symptoms as the old starter I removed. My battery checks out fine.12.6 volts, cca 790, and alternator putting out at 14 volts. I did not replace my clutch switch, but did replace the clutch pedal bumper stop that hits the clutch switch, and still same intermittent start.
I checked all battery cables and grounds and things were okay. Sanded the grounds.
I do not want to remove the rebuilt starter as it a bear to remove and install. I am getting 12 volts to starter solenoid trigger but not sure if it's present all the time and all my voltage drop tests were in specs.
Please help. There is a starter relay but I swapped it with another same number part relay and still problems. Any advice much appreciated. Thanks you guys have always helped in the past. Very frustrated here.
i ordered an ignition switch but didn't arrive yet. I ohmed the clutch switch at disconnected wire and it showed continuity. I didn't push the switch in. Is it still suppose to get continuity if you activate the switch?
I need help. :( :( :(
Tuesday, May 26th, 2020 AT 8:41 PM



