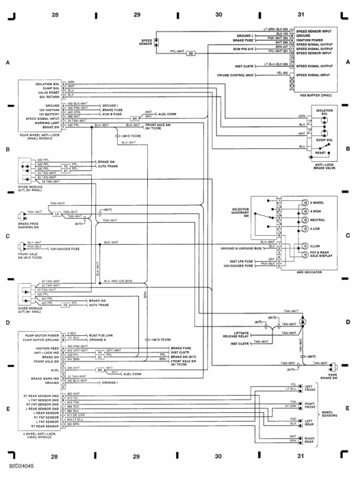
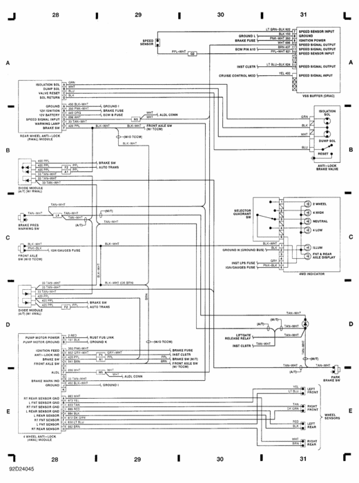
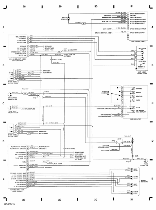
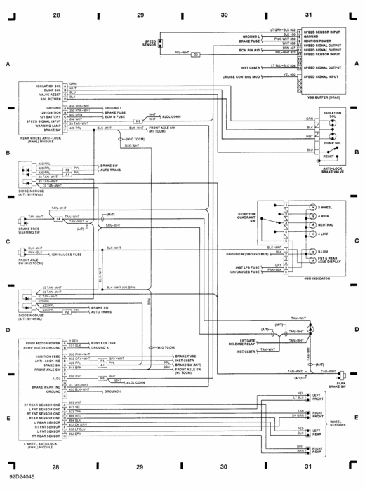
Saturday, May 7th, 2011 AT 4:30 PM
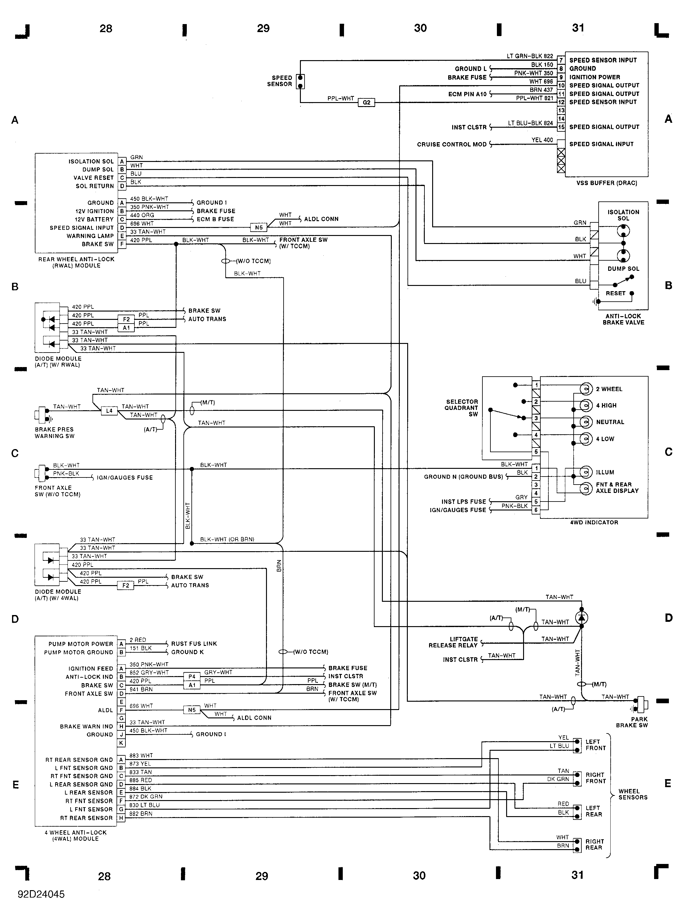
My speedometer and odometer quit working. I replaced the speed sensor on trans. Checked resistance on the stepper motors in cluster. Replaced cluster. Check for voltage going to speed sensor plug=0. Also traced wiring back to firewall. What else can I do?



