Spark plugs and wires.
distro cap.
fuel pump.
Battery.
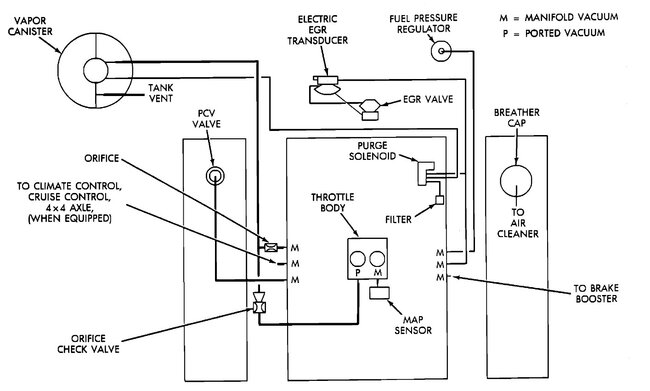
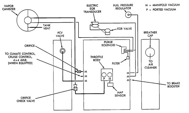
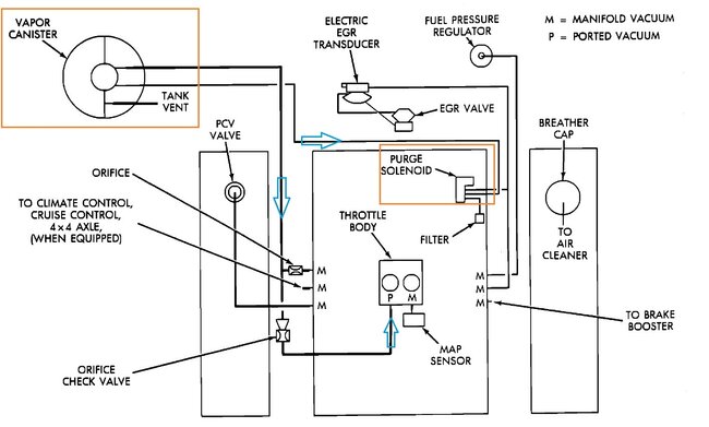
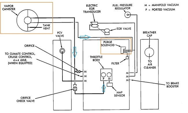
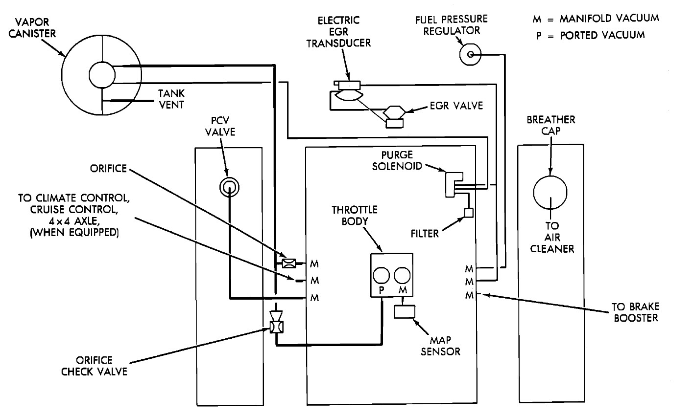
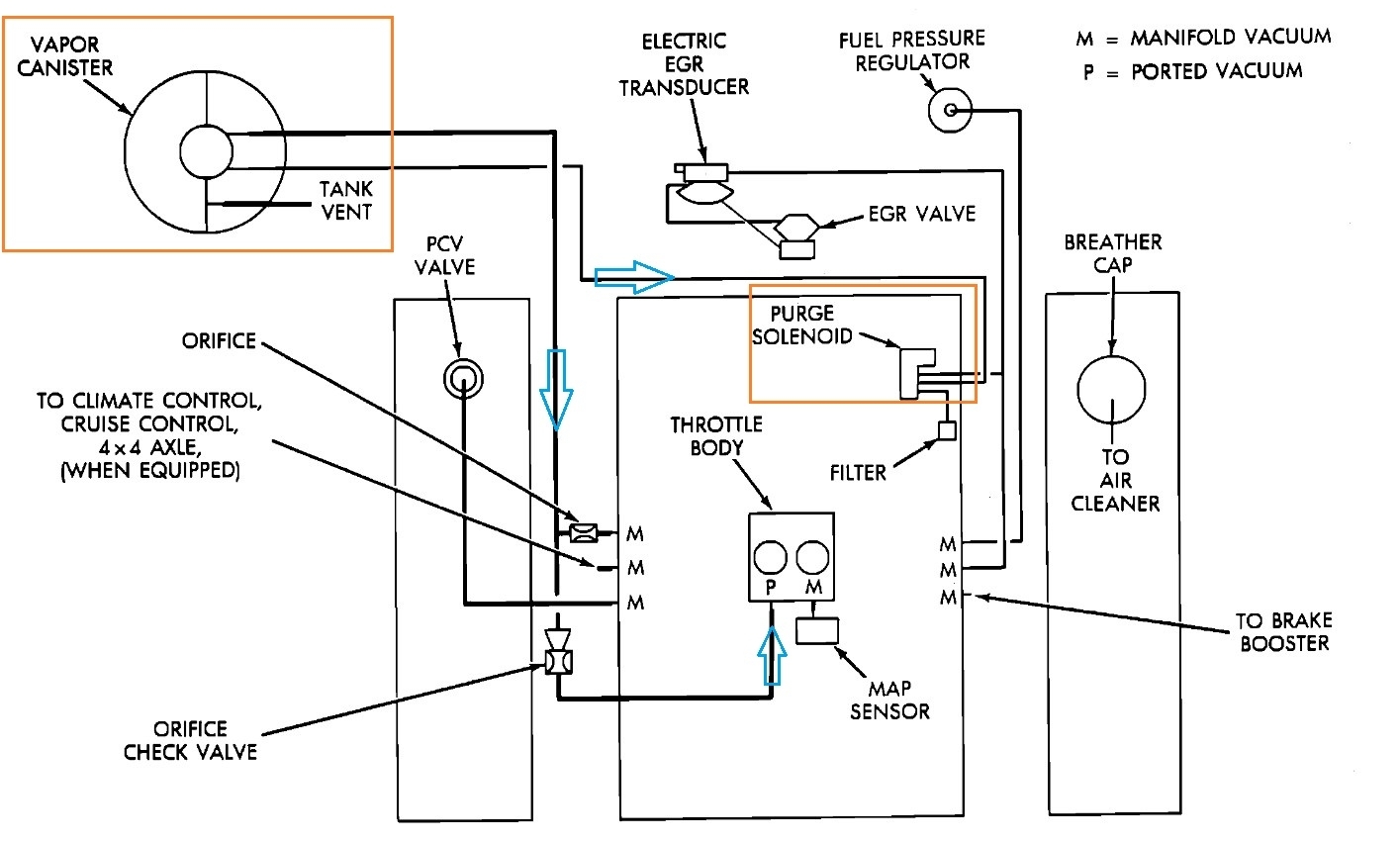
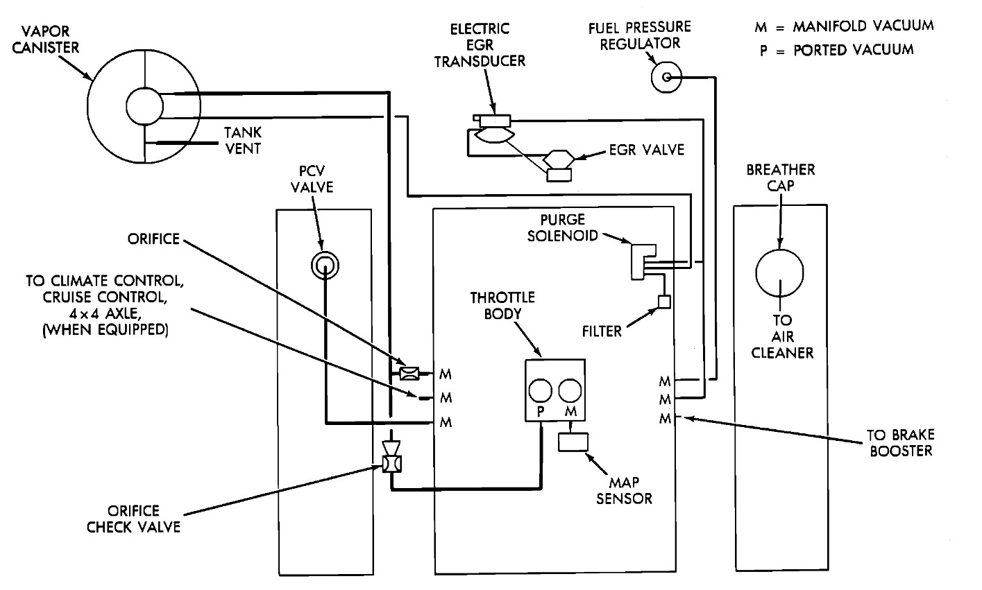
Started right up. Ran rough and was misfiring but cleared up right away. Cycled the start up a few times and everything was all good. Turned it off, secured the gas tank back up and walked away for a couple hours, tried to start it and it would only stay started (ran rough) if I had my foot on the throttle. Soon as I take my foot off it would die. Dropped the gas tank again and noticed the check valve barb had broke off and the vapor return line was disconnected. Also, noticed the vapor return tube on the filler neck was not seated properly into the gas tank. These may have happened when I secured the tank back up. Would these two things cause the issue I'm having?
Thanks
Monday, September 9th, 2024 AT 9:45 AM










