My car has no power, the battery was tested and good?

Tiny
JESSMARIE06
  • MEMBER
  • 1992 CHEVROLET CAVALIER
  • 6 CYL
  • AUTOMATIC
My car has no power, the battery was tested and good what could be wrong?
Saturday, January 1st, 2011 AT 6:39 PM

1 Reply

Tiny
SQM
  • MECHANIC
  • 6,383 POSTS
Hello,

If the battery is good, but you get no power at all it is likely a issue with the battery cable. It could also be a bad or corroded terminal, which does not make a connection.
This vehicle uses a side terminal battery. Those can have issues with making a good connection. As corrosion could be inside the connector of the cable and that would prevent it from making a connection.
Also, this could be due to a bad gourd as well.

So first make sure the battery terminals are clear or any corrosion and the cable is secure and clean. Also check the ground and clean any corrosion build up.

https://www.2carpros.com/articles/everything-goes-dead-when-engine-is-cranked

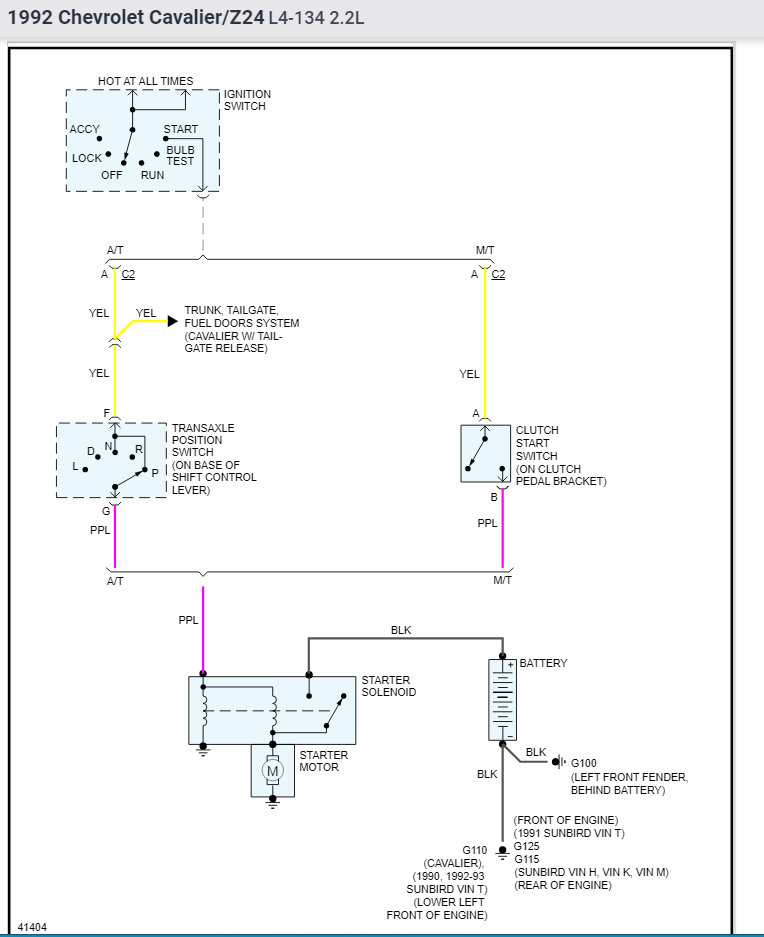
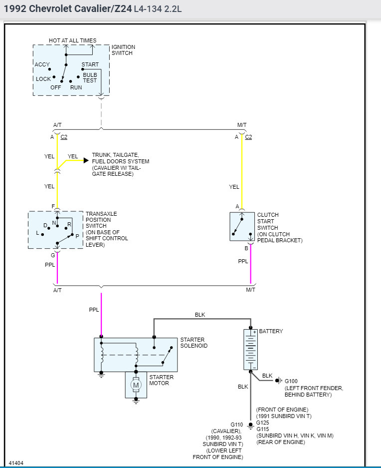
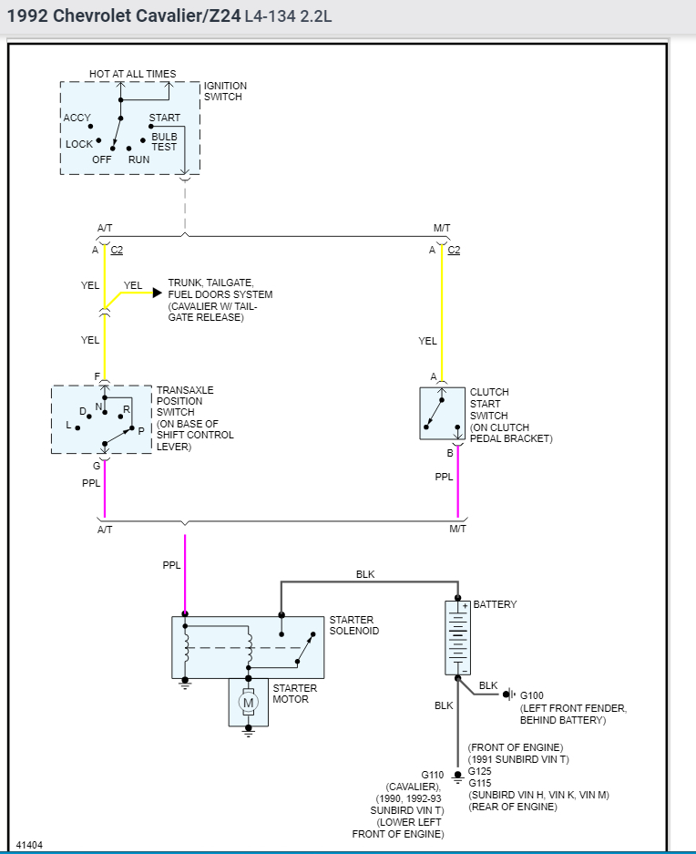
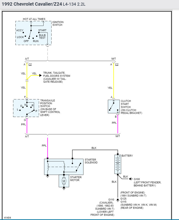
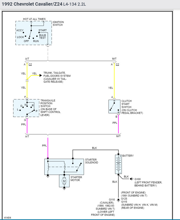
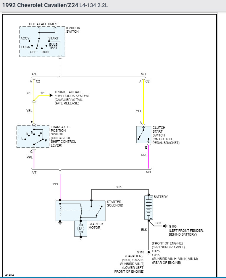
I have attached the wiring schematics below.

Please let me know if you have any questions.
Thank you.
Was this
answer
helpful?
Yes
No
Wednesday, January 19th, 2022 AT 8:03 PM

Please login or register to post a reply.