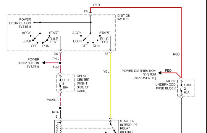
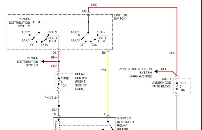
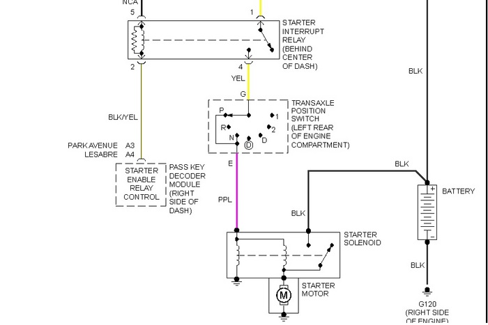
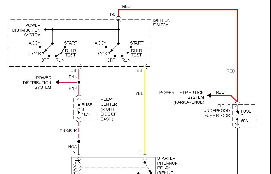
Friday, May 6th, 2011 AT 2:33 PM
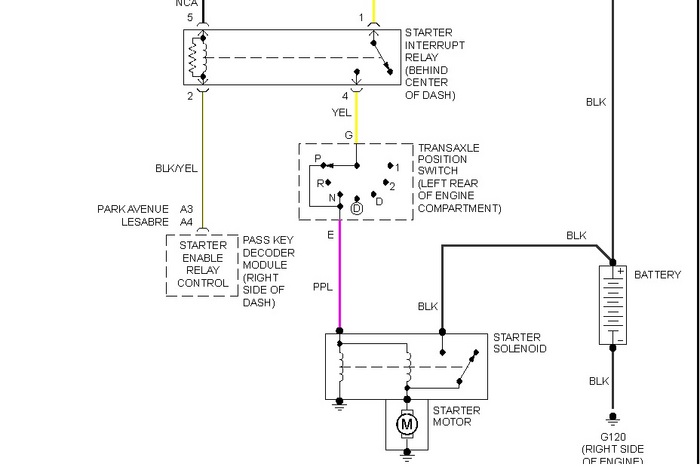
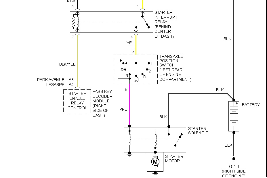
1992 Park Ave. Everything works inside but it will not turn over using the key. No security light on in dash. Jumped the starter and it turns over and runs a few minutes then dies. Any ideas?




