Tuesday, March 20th, 2012 AT 12:47 AM
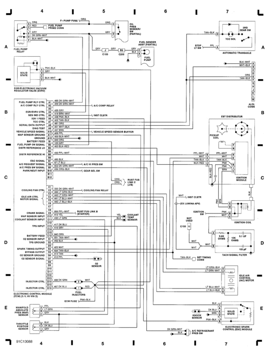
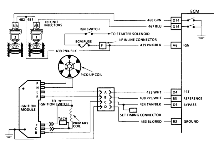
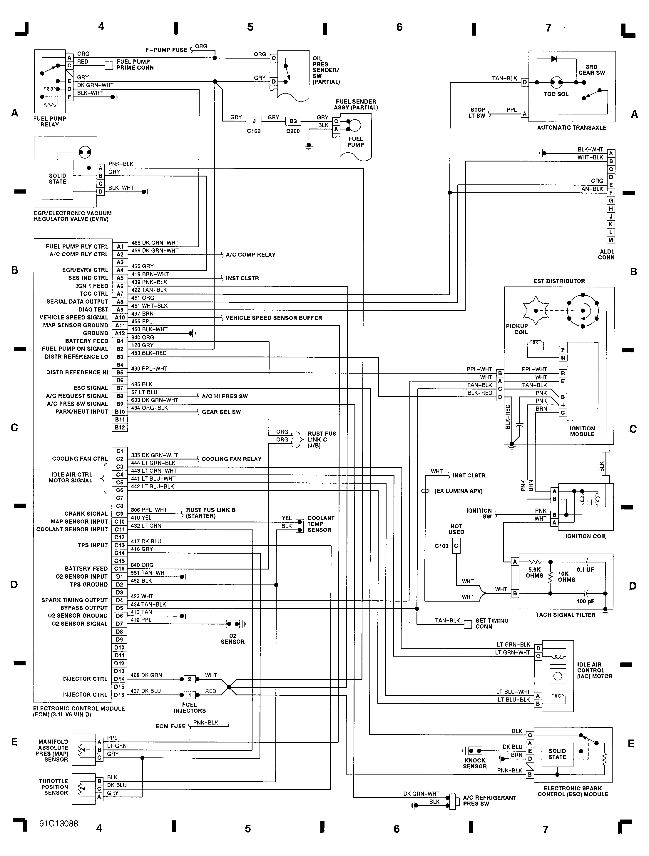
My daughters 1991 transport 3.1 liter. Couple months ago ignition control module went bad and replaced. Worked for 2 months and suddenly died again. Engine cranks but won't start. Checked ignition control module and its ok. Coil checks out ok but no spark to spark plugs or distributor, and no fuel to throttle body. Didn't try starting fluid since no spark. But now that I think of it, I wasn't getting fuel when ignition control module went bad either. Van is an hour and half away at university. Thinking it's crankshaft or camshaft sensor? Not sure how to pinpoint or where these sensors are. Thanks mark


