No spark

Tiny
ANDYREW227
  • MEMBER
  • 1991 MAZDA B2200
  • 4 CYL
  • 2WD
  • MANUAL
  • 75,000 MILES
Some friends of mine replaced multiple parts in the distributor and I replaced the coil because there was no spark coming from the coil. Still no spark. I'm at a loss.
Thursday, May 22nd, 2014 AT 11:07 AM

1 Reply

Tiny
KASEKENNY
  • MECHANIC
  • 18,907 POSTS
More than likely we have an issue with the crank angle sensor, but I imagine this is one of the parts that were replaced in the distributor as this is where it is located.

https://www.2carpros.com/articles/how-to-test-an-ignition-system

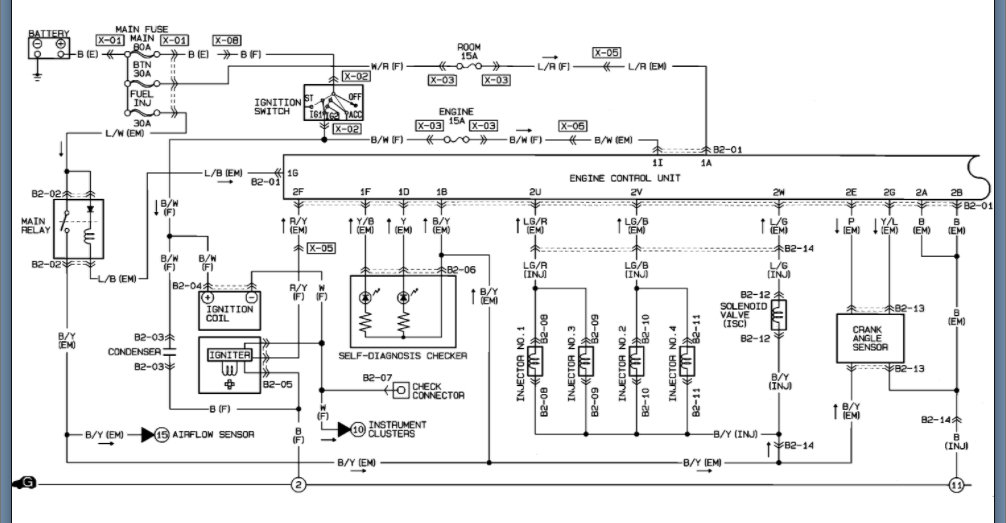
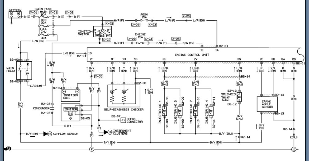
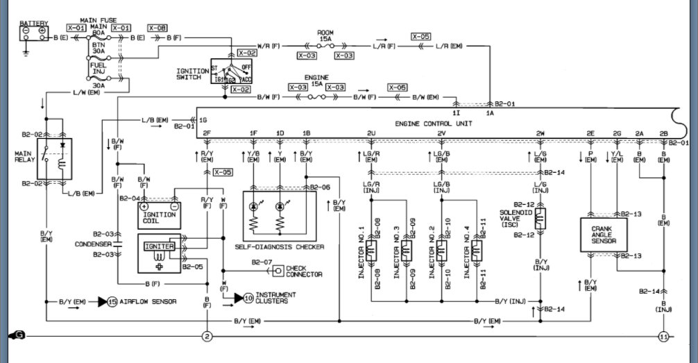
However, we need to use the wiring diagram and find out if we have voltage getting to the distributor and igniter.

If not, then we could just have fuse issue.

However, we can use this guide to help test for spark:

https://www.2carpros.com/articles/how-to-check-wiring

Please see the attached documents and let us know what you find with this. Also, if you could let us know exactly which parts in the distributor were replaced?

Thanks
Was this
answer
helpful?
Yes
No
Monday, March 7th, 2022 AT 5:22 PM

Please login or register to post a reply.