I WENT TO http://www.rockauto.com/catalog/raframecatalog.php AND FOUND THIS ONE---MODULE COMES WITH IT
http://my.cardone.com/English/club/members/customer/ecat_brands/imageinfo.asp?PARTNUM=302884MA
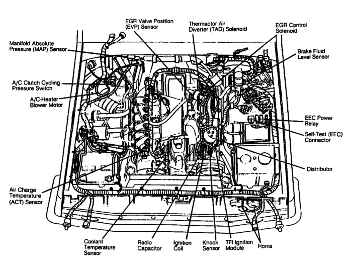
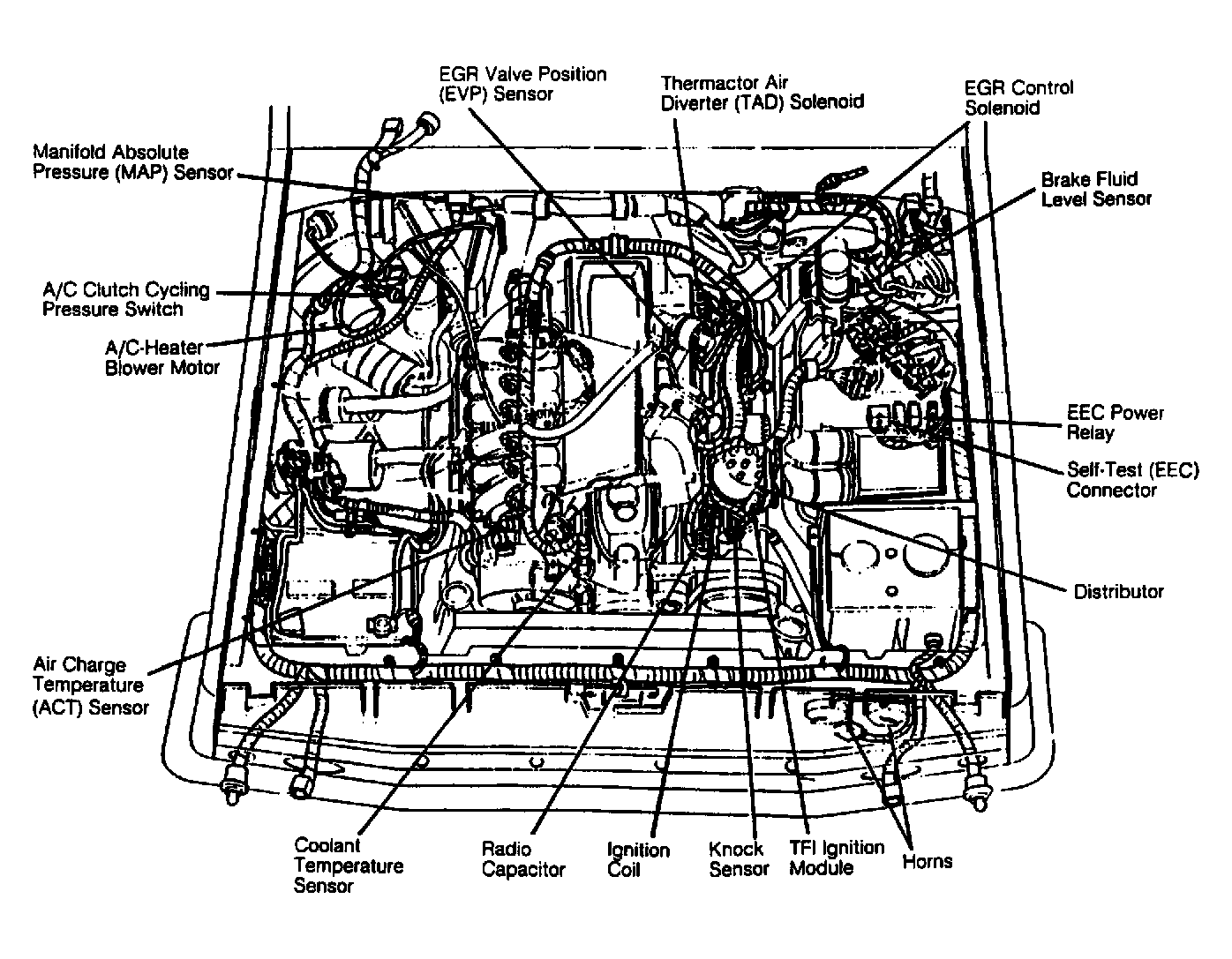
AS FAR AS DIAGRAMS, GOT THIS 1ST ONE FROM "MITCHELL I"
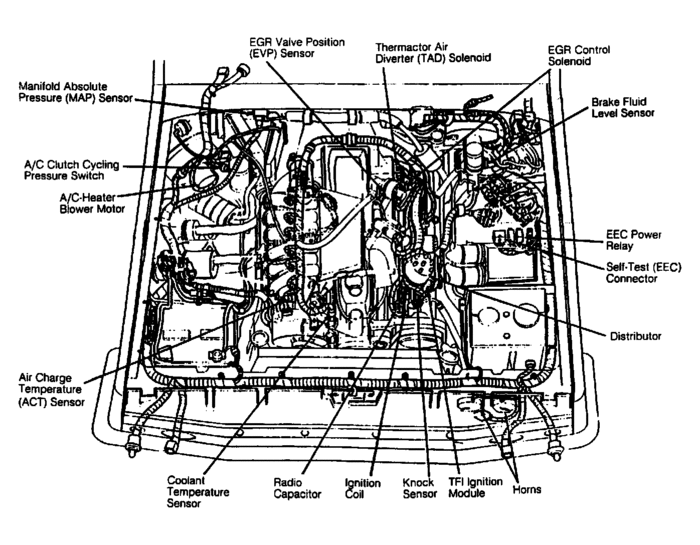
THE 2ND, I JUST MADE FOR YOU!
3RD IS A PIC OF MY BUDDY'S "CUTE LITTLE SET"--IT WAS PURCHASED AT HARBOR FREIGHT----HAS ALL KINDS A GOODIES IN IT, ALL IN ONE COMPACT, "KEEP IT ALL TOGETHER" TOTE....AND IT ALL WORKS FINE AND IS ACCURATE! I BELIEVE IT WAS IN THE $30 some odd RANGE............I HAVE THE BIGGER BULKY OLD STUFF THAT I HAVE OBTAINED OVER THE YEARS (STILL WORKS FOR ME!)
IF THEY DO NOT HAVE IT STILL, YOU MIGHT SEARCH THE NET USING THE MANUFACTURERS NAME---"3531" IS THE PART NUMBER AT THE BOTTOM LEFT OF THE CASE......WHEN I LOOK FOR THE BEST PRICES, I INSERT A PART #, OR NAME, OR A GENERAL DESCRIPTION INTO http://www.shopzilla.com/ THEN I "SORT BY" OR GET A LONGER RESULTS LIST TO SPEED THINGS UP.........YOU MIGHT EVEN TRY THE DISTRIBUTOR #S IN THERE!
WE WILL PHONE COMMO AGAIN, BEFORE YOU START, OR EVEN DURING IF YOU WANT TO (LET ME KNOW SPECIFICS BY REPLYING TO MY PRIVATE MESSAGE, I STARTED BEFORE)
I'M ON HERE USUALLY EVERY EVENING (EASTERN)
THE MEDIC
SOMETHING WRONG W/ THE SITE, 4TH ATTEMPT TO SEND THIS--HAD TO REWRITE IT TWICE---THEN I GOT SMART THESE LAST TWO TIMES AND COPIED AND PASTED IT BACK IN!............NOW 5TH TRY!
Was this helpful?
Yes
No
Friday, May 18th, 2012 AT 3:46 AM






