Where can I find the diagram of the Fuse panel for a 1991 Chevy G20 sport Van

Tiny
JO0508
  • MEMBER
  • 9 POSTS
You say make sure to place the tap on the hot side of the terminal.I think you might be thinking of the clip on type.I would understand how that would be done on that type.I will be using a different type of tap. With this tap how will I know if I place it on the hot side of the terminal.I think I will need to line the wire up with the terminal that is hot. Would this be correct?
Was this
answer
helpful?
Yes
No
Monday, October 1st, 2018 AT 11:14 AM (Merged)
Tiny
CARADIODOC
  • MECHANIC
  • 34,454 POSTS
That type is not going to stretch the terminals in your fuse box because you're not doubling up any terminal. On this style, the wire is attached to the terminal on the left. You wont even need a voltmeter or test light. Just install the insert with no fuse. The pigtail will supply power to your accessory when you have the unit inserted the right way. The original circuit will work normally when you pop the fuse in.

Getting it right isn't a real big deal. The concern is lets say you're putting this tap in place of a 10-amp fuse and that circuit actually draws five amps. If your added-on circuit draws six amps, you'll blow the ten amp fuse.
Was this
answer
helpful?
Yes
No
Monday, October 1st, 2018 AT 11:14 AM (Merged)
Tiny
JO0508
  • MEMBER
  • 9 POSTS
Ok, Thank you.
Was this
answer
helpful?
Yes
No
Monday, October 1st, 2018 AT 11:14 AM (Merged)
Tiny
PAGANSCORPIO
  • MEMBER
  • 2 POSTS
  • 1984 CHEVROLET VAN
  • 5.2L
  • V8
  • 2WD
  • AUTOMATIC
  • 130,000 MILES
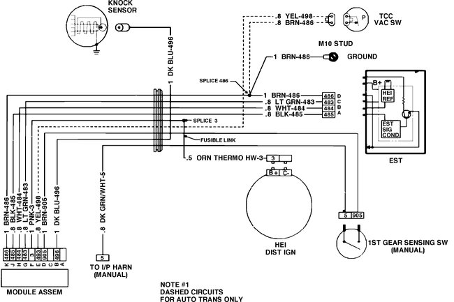
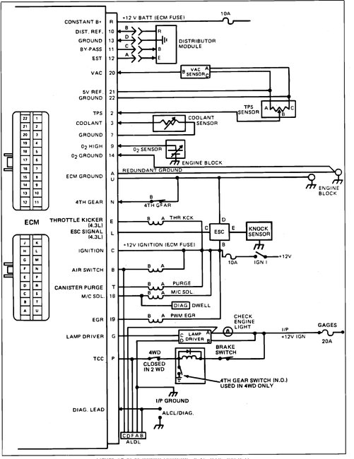
I have an rescued Vehicle a G20 van and her wiring has been ripped apart. I need to see a colored wiring diagram of the fuse box please.
Was this
answer
helpful?
Yes
No
Wednesday, July 17th, 2019 AT 6:39 PM (Merged)
Tiny
JIS001
  • MECHANIC
  • 3,412 POSTS
There is no 5.2L engine? Email me your VIN# and let me see what I can dig up.
Was this
answer
helpful?
Yes
No
+1
Wednesday, July 17th, 2019 AT 6:39 PM (Merged)
Tiny
PAGANSCORPIO
  • MEMBER
  • 2 POSTS
I am sorry, I should have put that it is a 5.7lt engine! The VIN is: 2GCEG25MXF4167230. Many thanks.
Was this
answer
helpful?
Yes
No
+1
Wednesday, July 17th, 2019 AT 6:39 PM (Merged)
Tiny
JIS001
  • MECHANIC
  • 3,412 POSTS
Sorry diagram only comes black and white for this year. And cant find much info. Your best bet would be to buy the service manual like Chilton or Mitchell Also the VIN# suggest your vehicle is a model year 1985.
Was this
answer
helpful?
Yes
No
+1
Wednesday, July 17th, 2019 AT 6:39 PM (Merged)
Tiny
RENEE L
  • ADMIN
  • 1,260 POSTS
Hi PAGANSCORPIO,

Here is a link you may find useful for finding a repair manual for your vehicle.

https://www.2carpros.com/manuals/manuals.php

If you have further questions please come back to the site as we are here to help and thank you for visiting 2CarPros.

Regards,

Renee
Admin
Was this
answer
helpful?
Yes
No
Wednesday, July 17th, 2019 AT 6:39 PM (Merged)

Please login or register to post a reply.