Break light dont work

Tiny
TIMMY86
  • MEMBER
  • 1991 CHEVROLET S-10
  • 139,000 MILES
Replaced fuses lights break light switch.
Thursday, February 16th, 2012 AT 10:02 PM

22 Replies

Tiny
BILLYMAC
  • MECHANIC
  • 2,204 POSTS
Do you have power at the brake switch. If yes hold pedal down check for power at the bulb if power here you have a bad ground if none brakeswitch not working
Was this
answer
helpful?
Yes
No
Thursday, February 16th, 2012 AT 10:04 PM
Tiny
TIMMY86
  • MEMBER
  • 13 POSTS
I know I have power at the break ight switch. But not shure on the socket.
Was this
answer
helpful?
Yes
No
Thursday, February 16th, 2012 AT 10:31 PM
Tiny
TIMMY86
  • MEMBER
  • 13 POSTS
Do you think that it could have to do with my turn signal switch?
Was this
answer
helpful?
Yes
No
Thursday, February 16th, 2012 AT 10:32 PM
Tiny
BILLYMAC
  • MECHANIC
  • 2,204 POSTS
Yes it could have something to do with turn sig switch if signals don't work. But you need to know if you have power at the lamp if so could be blown bulbs. Could also be a flasher prob sigs flasher and br lights are all the same bulb
Was this
answer
helpful?
Yes
No
Thursday, February 16th, 2012 AT 10:48 PM
Tiny
TIMMY86
  • MEMBER
  • 13 POSTS
Well my turn sigs do work. Everything but the breaks. And I know that the bulbs are good cause I removed it and did a 60 degree turn put the bulb back in and the other prong lit up just britter. So if I dont have power at the lamp its a bad ground is that what your saying.
Was this
answer
helpful?
Yes
No
Thursday, February 16th, 2012 AT 11:02 PM
Tiny
BILLYMAC
  • MECHANIC
  • 2,204 POSTS
Ok so ou have tested the bulb and it s good. Yes most likely the brake lightcircuit has lost it's ground. Simple way to check take a jumper wire touch the case of the bulb to a good ground if light works run new ground. If you have a trailer hitch you may want to check that harness for a problem
Was this
answer
helpful?
Yes
No
Thursday, February 16th, 2012 AT 11:07 PM
Tiny
TIMMY86
  • MEMBER
  • 13 POSTS
Ok so even if it has a bad ground will the running lights and turn signal still work.I thank you for taking time to help me find this prob.
Was this
answer
helpful?
Yes
No
Friday, February 17th, 2012 AT 12:06 AM
Tiny
BILLYMAC
  • MECHANIC
  • 2,204 POSTS
Yes they have seperate grounds the sg grouns through the sig switch the tal through the headlamp switch. No prob glad to help but this prob on this vehicle is more complicated then most sometimes the repair is run a new fused wire from brake switch to brake lights.
Was this
answer
helpful?
Yes
No
Friday, February 17th, 2012 AT 12:11 AM
Tiny
TIMMY86
  • MEMBER
  • 13 POSTS
Ok right now where I live its dark out so 2morrow me and my uncle is going to try this out.I pray this will work been on this for 3 days now. Do you know where about the ground wire is located at?
Was this
answer
helpful?
Yes
No
Friday, February 17th, 2012 AT 12:22 AM
Tiny
BILLYMAC
  • MECHANIC
  • 2,204 POSTS
Check all grounds under the hood to the firewall and at thebatt ground. Makesureyour brakeswitch is adjusted properly
Was this
answer
helpful?
Yes
No
Friday, February 17th, 2012 AT 12:29 AM
Tiny
TIMMY86
  • MEMBER
  • 13 POSTS
Rite now I got the brake lite switch off the mount. So if anything would happen the brake light would lite up. But if I would have to re wire would I just put a wire in a constant power in the fuse box?And wher would I hook the wire to the brake lite switch?
Was this
answer
helpful?
Yes
No
Friday, February 17th, 2012 AT 12:35 AM
Tiny
RASMATAZ
  • MECHANIC
  • 75,992 POSTS
If your brake switch is functioning properly meaning power going in and out and adjusted properly-best check again the Dir/Hazard switch-the brake circuit goes thru this switch before it hits the lights-could also be open between the brake switch and the bulb sockets-
Was this
answer
helpful?
Yes
No
Friday, February 17th, 2012 AT 12:44 AM
Tiny
RASMATAZ
  • MECHANIC
  • 75,992 POSTS
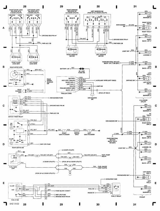
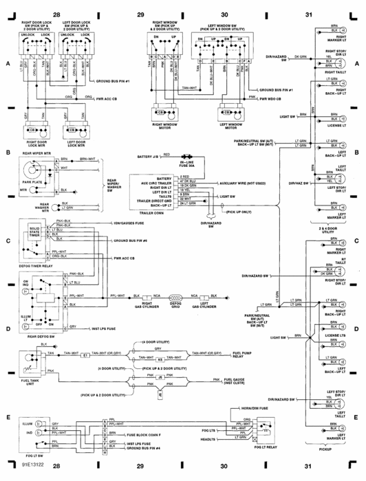
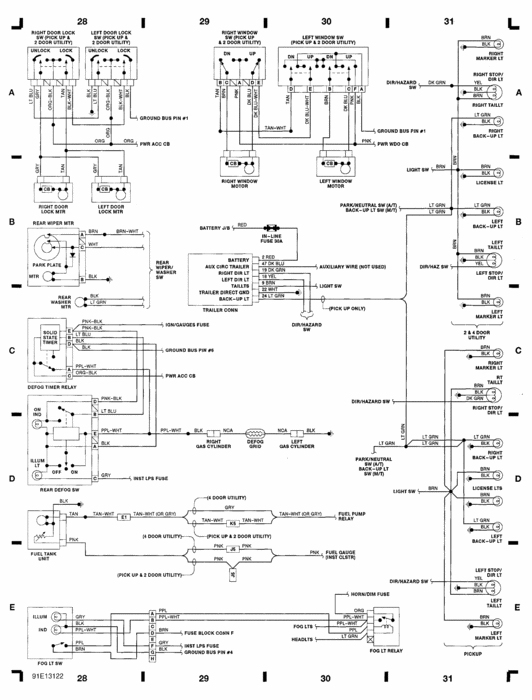
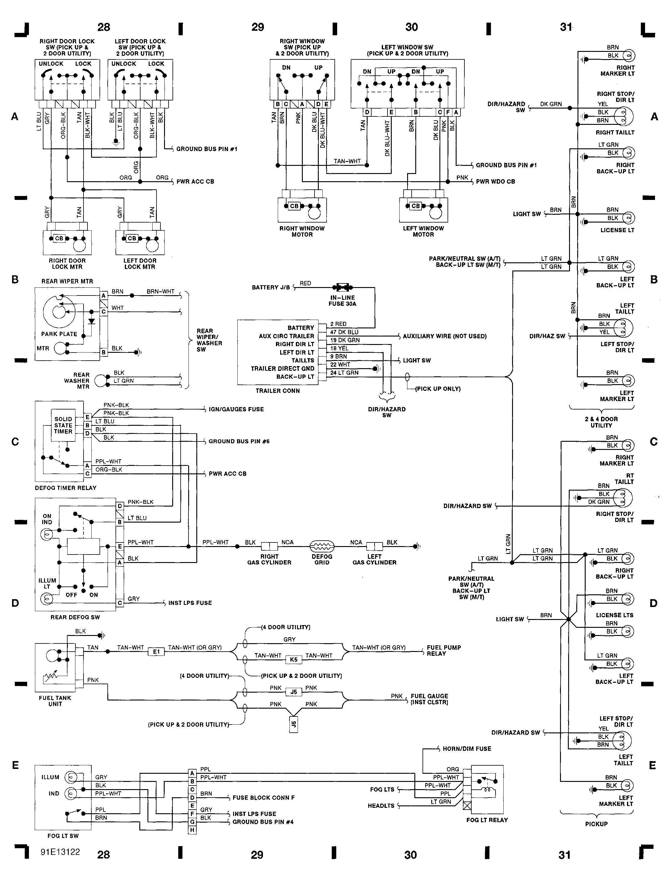
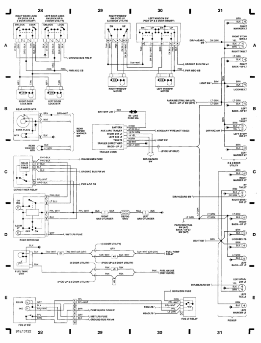
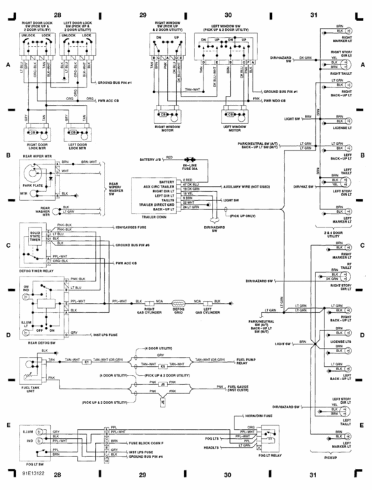
See EWD below
Was this
answer
helpful?
Yes
No
Friday, February 17th, 2012 AT 12:46 AM
Tiny
TIMMY86
  • MEMBER
  • 13 POSTS
Wheres that located at. The switch on the stering colum?
Was this
answer
helpful?
Yes
No
Friday, February 17th, 2012 AT 1:19 AM
Tiny
MIKE H R
  • MECHANIC
  • 3,094 POSTS
Does the truck have a towing package? Have see the connections on the wiring for the towing lights get corroded and not make contact. My sons truck before he had it had someone rewire it with electrical tape and just twisted the wires together instead of using a connector. His Rt side did not work so rewired it correctly and all the lights worked, just something to look at.
Was this
answer
helpful?
Yes
No
Friday, February 17th, 2012 AT 3:33 PM
Tiny
TIMMY86
  • MEMBER
  • 13 POSTS
Thanks for the info. Tell you the truth I just purchased this truck and after looking at it the previous owner had a new tralier wire installed. So tommorow me and my buddi is going to look more into it and if we have too were just going to rigg it. Its starting to be a headach. But thanks for your thought.
Was this
answer
helpful?
Yes
No
Saturday, February 18th, 2012 AT 12:01 AM
Tiny
TIMMY86
  • MEMBER
  • 13 POSTS
****DOES ANYONE ELSE HAVE ANY THOUGHTS FOR ME*****
Was this
answer
helpful?
Yes
No
Saturday, February 18th, 2012 AT 12:02 AM
Tiny
RASMATAZ
  • MECHANIC
  • 75,992 POSTS
Check the trailer hitch wiring connector
Was this
answer
helpful?
Yes
No
Saturday, February 18th, 2012 AT 12:07 AM
Tiny
TIMMY86
  • MEMBER
  • 13 POSTS
THANK YOU. ANYTHING ELSE U COULD THINK OF?
Was this
answer
helpful?
Yes
No
Saturday, February 18th, 2012 AT 12:25 AM
Tiny
MIKE H R
  • MECHANIC
  • 3,094 POSTS
Check the wires with a static tester the yellow on one side and dark green on the other should be the stop lights wires
Was this
answer
helpful?
Yes
No
Saturday, February 18th, 2012 AT 2:09 AM

Please login or register to post a reply.