Friday, July 27th, 2012 AT 4:29 PM
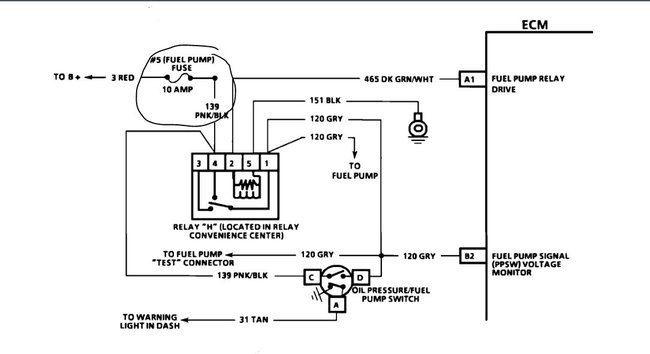
So every time I pass the key to turn on the car I hear the fuel pump turn on but never turn off. Sounds like gas splashing inside the tank along with loud noise. From what I been told if the fuel pump relay is not working right either the fuel pump wont turn on or it will stay on and not turn off. Can this be true?





