Dodge Dynasty charging system trouble

Tiny
CARADIODOC
  • MECHANIC
  • 34,463 POSTS
OK. There has to be a break in the feed wire. Turn the engine off, then use your ohm meter to measure continuity from either terminal to the feed wire on the ignition coil. I think you said you found that to be a blue/ white wire. My book for a '92 model shows dark green / orange, but it doesn't matter. Both are on the same circuit. Measure from each of the alternator terminals. There should only be a few ohms difference but it is very common to find an open circuit between the two brushes when the field winding isn't spinning due to little chips of carbon getting stuck under a brush. Irritating the drive belt sometimes cause the brushes to make a better contact. Those brushes can lead to false reading and confusion; that's why it's just safer to measure from both terminals since we can't tell which one goes to which wire. The proper finding is very low resistance, in the area of only a few ohms, (the same as when you touch the meter leads together). If you find an open circuit between the coil and alternator, that would confirm why there is no voltage on the alternator.
Was this
answer
helpful?
Yes
No
Friday, March 11th, 2011 AT 12:10 AM
Tiny
CARADIODOC
  • MECHANIC
  • 34,463 POSTS
I've never seen a fuse link in a ground wire. There are other ground wires between the battery and left fender and between the engine and firewall but a lot of other stuff would be affected if they were bad. That black block is just a way to keep the wires together for quicker assembly. I never cut one open but if there is anything in there, it would be a small coil and capacitor to reduce the whine that could be picked up by the antenna and heard on AM radio.
Was this
answer
helpful?
Yes
No
Friday, March 11th, 2011 AT 12:18 AM
Tiny
RANGER812572
  • MEMBER
  • 52 POSTS
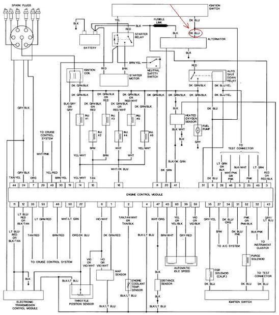
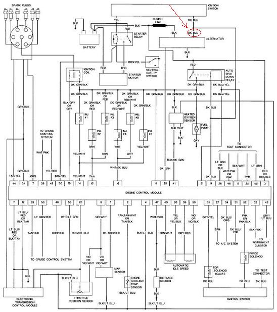
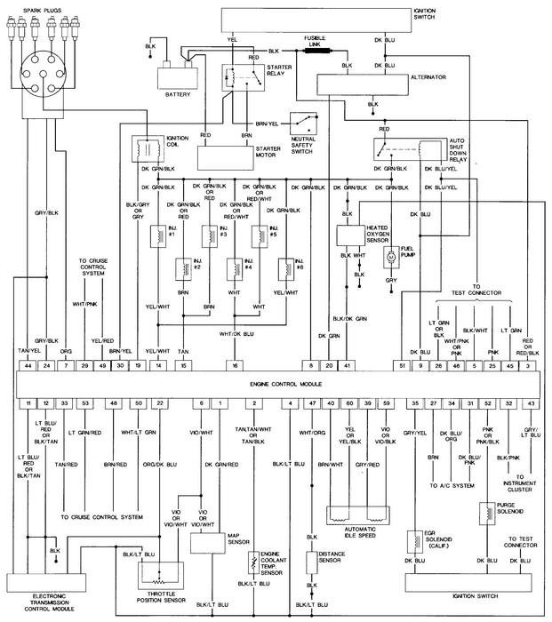
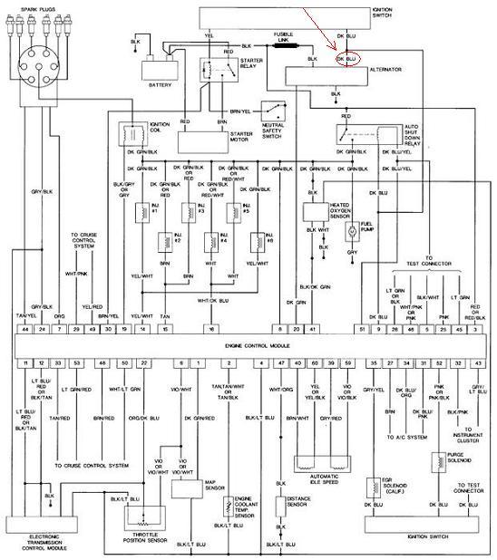
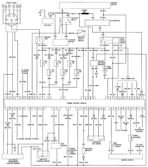
I will measure it tomorrow, its dark outside. I am attaching a copy of the wiring schematic I found on a Chilton's website. Maybe this will help you out bit.
Was this
answer
helpful?
Yes
No
Friday, March 11th, 2011 AT 3:13 AM
Tiny
CARADIODOC
  • MECHANIC
  • 34,463 POSTS
This is a lot easier to follow than the Chrysler diagrams but they don't show the connectors. I circled the wire that has to be broken. It should pass through that 10-pin connector too behind the battery. The splice right above my circle could also be suspect but the other blue wire has to be good between the ignition switch and ASD relay otherwise the engine wouldn't run. One thing I must correct, ... This is the older circuit that does NOT require the engine to be running to take voltage readings in the alternator circuit. The blue wire will have 12 volts whenever the ignition switch is on. The automatic shutdown relay still runs the fuel pump, injector, and ignition coil, but not the alternator. That means everything I told you about bypassing the relay wouldn't have worked anyhow. All you have to do is to have the ignition switch in the "run" position but the engine doesn't have to be running. Also, disregard my comment in my last post about measuring continuity in that blue wire. Those two points are on different sides of the ASD relay.
Was this
answer
helpful?
Yes
No
Friday, March 11th, 2011 AT 4:08 AM
Tiny
RANGER812572
  • MEMBER
  • 52 POSTS
Thanks, I'll check it out tomorrow.
Was this
answer
helpful?
Yes
No
Friday, March 11th, 2011 AT 4:36 AM
Tiny
RANGER812572
  • MEMBER
  • 52 POSTS
Well, the problem is fixed now. Thank you for all your help. The problem turned out to be this nifty little fuse in the under hood fuse block labeled IGN Run. To me, that description means the car won't run without that fuse. I checked the fuse ( of all the dumb things) and it turns out it was bad. I replaced the fuse and the car works great now. Thank you for all your help, and you telling me the ignition wire was the problem helped lead me to the problem.
Was this
answer
helpful?
Yes
No
Saturday, March 12th, 2011 AT 1:21 AM
Tiny
CARADIODOC
  • MECHANIC
  • 34,463 POSTS
That should have affected the ignition coil and injectors but there's no arguing with success. Happy to hear it's working.
Was this
answer
helpful?
Yes
No
Saturday, March 12th, 2011 AT 2:12 AM

Please login or register to post a reply.