1989 Ford E-Series Van Start Problem

Tiny
NORMANL
  • MEMBER
  • 1989 FORD E-SERIES VAN
  • 5.8L
  • V8
  • 2WD
  • AUTOMATIC
Sometimes starts sometimes does not. Have replaced eca relay, starter and added a ground strap.
When started runs ok.
I think there may be a problem with the computer.
Saturday, April 19th, 2014 AT 3:09 PM

1 Reply

Tiny
HMAC300
  • MECHANIC
  • 48,601 POSTS
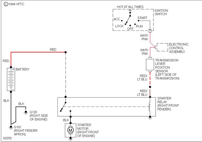
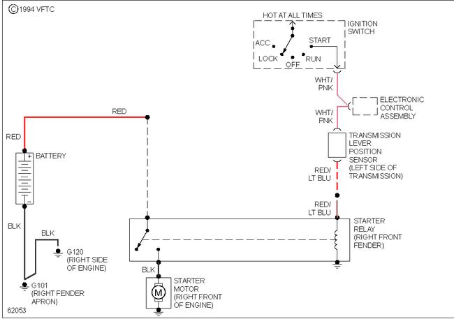
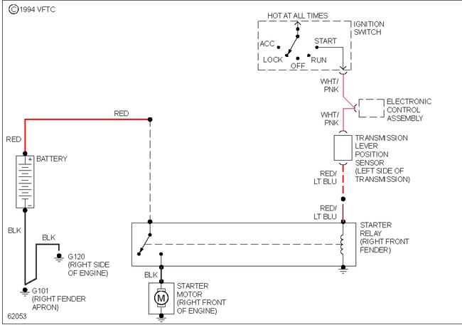
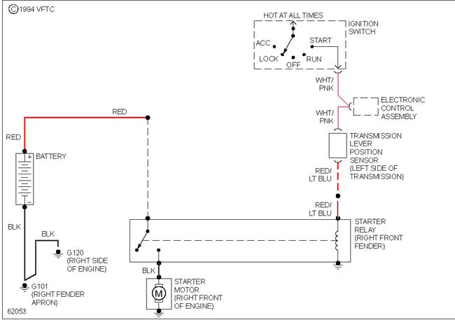
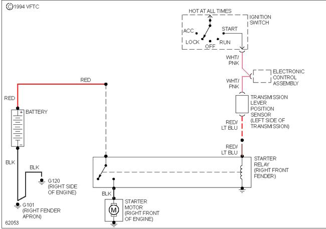
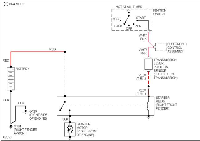
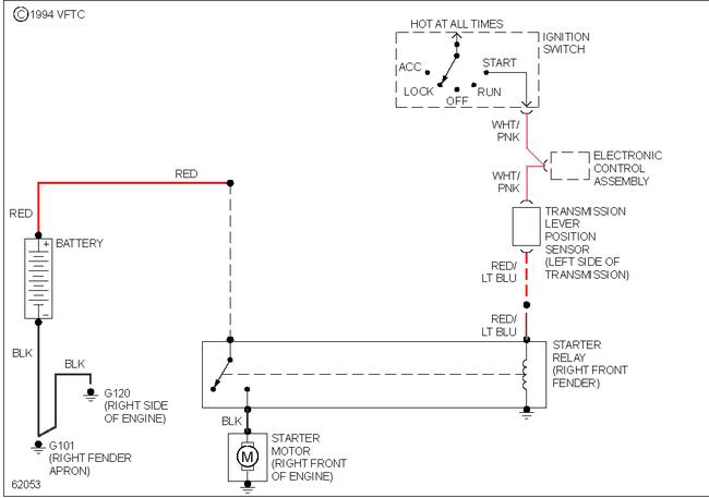
Check battery for condition first including load test. Check pic items and then check for a fusible link off of starter relay may be bad forget the ones to glow plug controller. See pic idoubt very much it is the computer
Was this
answer
helpful?
Yes
No
+1
Sunday, April 20th, 2014 AT 6:09 AM

Please login or register to post a reply.