Thursday, January 20th, 2011 AT 5:41 PM
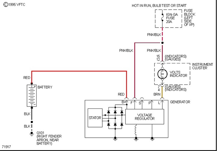
Hi I have a 1988 chevy s-10 4 wheel drive v6 4.3 tbi my question is when I turn on the parking and head lights the dash lights and headlights kinda strobe like they get dim and bright and my battery light on the dash blinks fast I have replaced the battery and had the altenator checked what could cause this

