Friday, October 14th, 2022 AT 6:32 PM
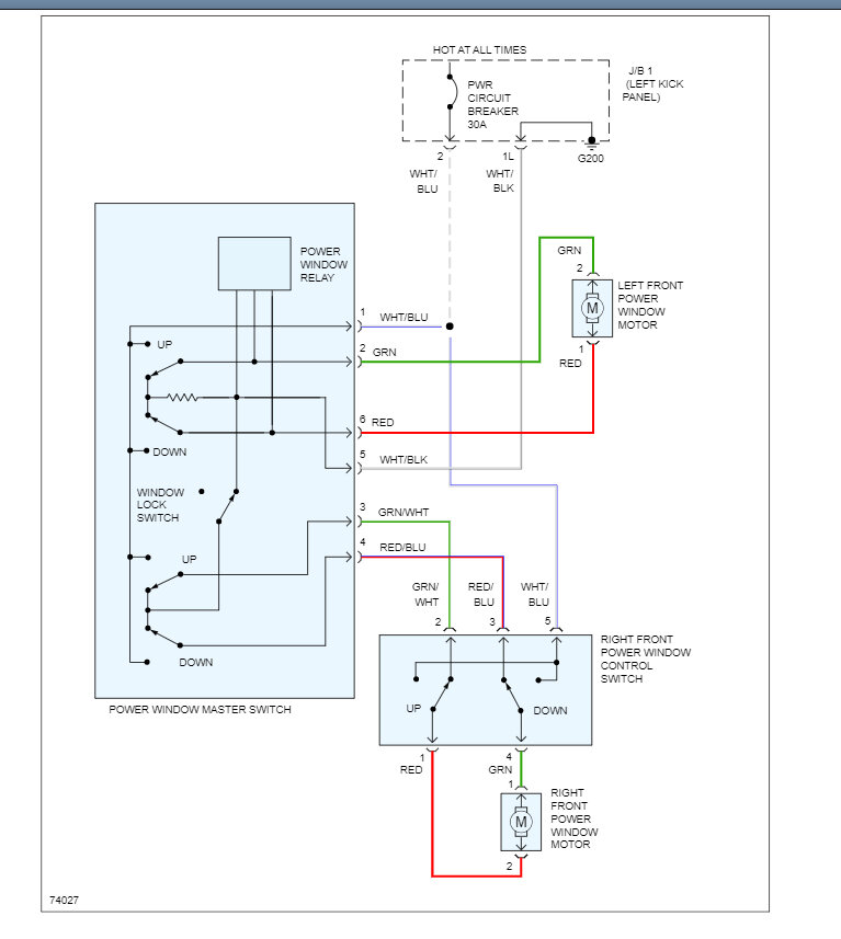
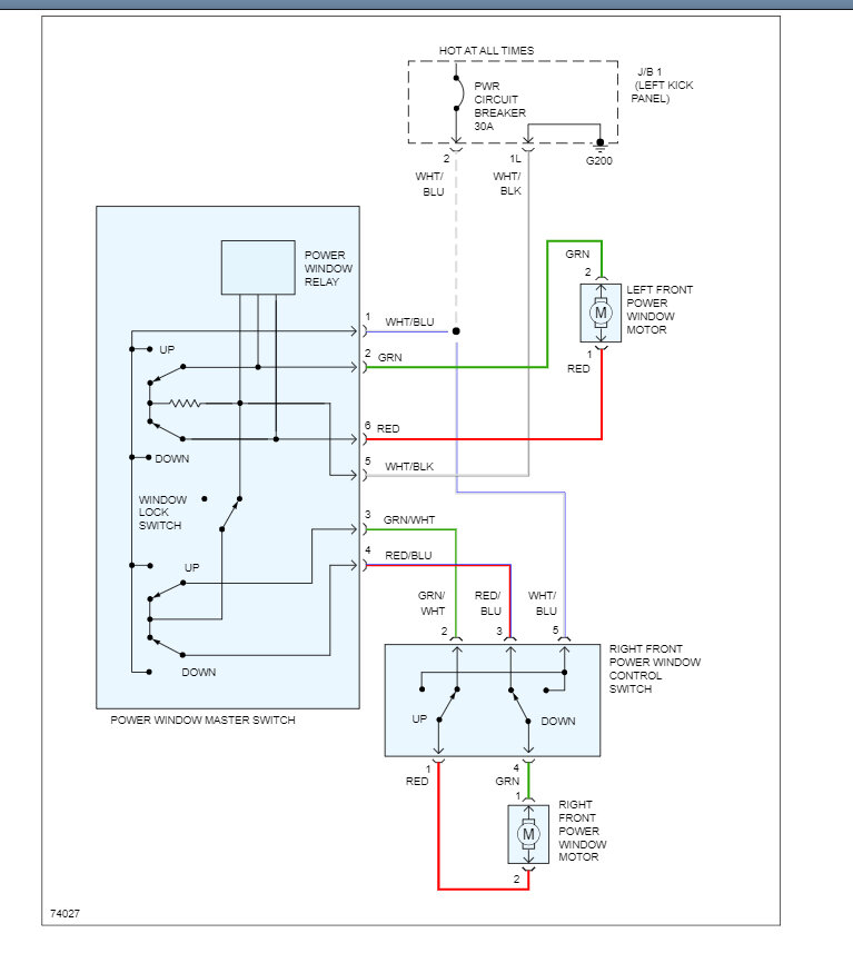
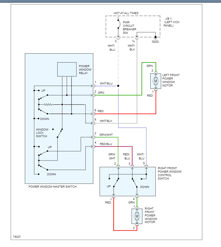
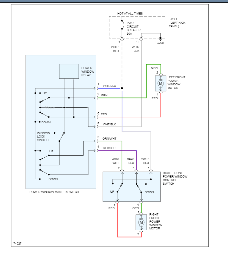
The car listed above is a GT model, 3SFE, convertible. When I pressed the rear driver's side window switch, the window went up, but the switch's wiring became instantly hot. I quickly unplugged it and let it cool off then tried it again. None of the window switches work. I bypassed them with a jumper cable from the battery to each of the 4 motors, and all still work fine. The fuses are all good as well. I'm at a loss.

