how to repair a fuel pump

1987 MERCEDES BENZ 190E
187,000 MILES • 6 CYL • FWD
Avatar
JAYCHECOTAH
  • MEMBER
  • 1 POST
how to replace fuel pump in 1987 mercedes 190e
Feb 20, 2011 at 7:02 AM
Repair Safety Notice: This information is for general instructional purposes only. Vehicle repair can be dangerous. Verify all information, follow manufacturer service procedures, use proper tools and safety equipment, and consult a qualified repair shop when needed.
Advertisement
Avatar
RASMATAZ
  • CAR REPAIR CONTRIBUTOR
  • 75,992 POSTS
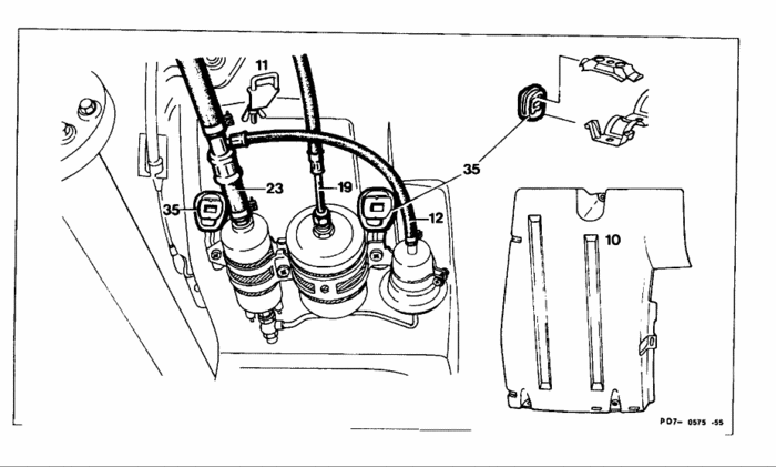
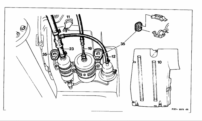
REMOVE AND INSTALL FUEL PUMP SET

Battery disconnect, connect

Protective cover (10) unscrew, screw on.

Electric wiring disconnect, connect

Fuel suction hose (23)


and pressure hose (19) pinch with clamp (11) and remove.

Special Tool 000 589 40 37 00

Fuel suction hose (23), bleed hose (12)


and pressure hose (19) unbolt, bolt on.

Rubber rings/pads (35) remove, install.
Apr 14, 2011 at 10:35 AM
Advertisement