No spark, remove spout connector, spark comes back?

Tiny
SONS BRONCO
  • MEMBER
  • 1987 FORD BRONCO
  • 75,000 MILES
Replaced pick up coil, tested ign coil, tried 3 known good ignition control modules, still the same.
Thursday, October 6th, 2011 AT 9:33 PM

10 Replies

Tiny
RIVERMIKERAT
  • MECHANIC
  • 6,110 POSTS
Spout connector? I don't understand. Do you mean the coil wire from the coil or distributor cap?
Was this
answer
helpful?
Yes
No
Thursday, October 6th, 2011 AT 11:49 PM
Tiny
CJ MEDEVAC
  • MECHANIC
  • 11,005 POSTS
SPOUT IS SORTA THE CYBER ANSWER TO A DISTRIBUTOR PREVIOUSLY USING VACUUM ADVANCE. WHEN YOU "TIME" THE ENGINE, YOU DISCONNECT "SPOUT" INSTEAD OF DISCONNECTING VACUUM ADVANCE, AND PLUGGING IT.

BY THE WAY, I DO NOT HAVE YOUR ANSWER, WANT ME TO TRY TO FIND YOU A DIAGRAM, WHICH WOULD MAYBE SHOW WHERE THE SPOUT GOES, RELATED STUFF?

PLEASE SEND EXACT NOMENCLATURE OF YOUR RIG AND ENGINE SIZE. SOMETIMES I CANNOT GO THAT FAR BACK IN "MITCHELL I".I WILL LET YOU KNOW, WHEN I TAKE YOUR INFO THERE

THE MEDIC
Was this
answer
helpful?
Yes
No
Friday, October 7th, 2011 AT 12:15 AM
Tiny
RIVERMIKERAT
  • MECHANIC
  • 6,110 POSTS
All yourun CJ.
Was this
answer
helpful?
Yes
No
Friday, October 7th, 2011 AT 12:47 AM
Tiny
SONS BRONCO
  • MEMBER
  • 5 POSTS
Thank you Mike and Medic for your replies.
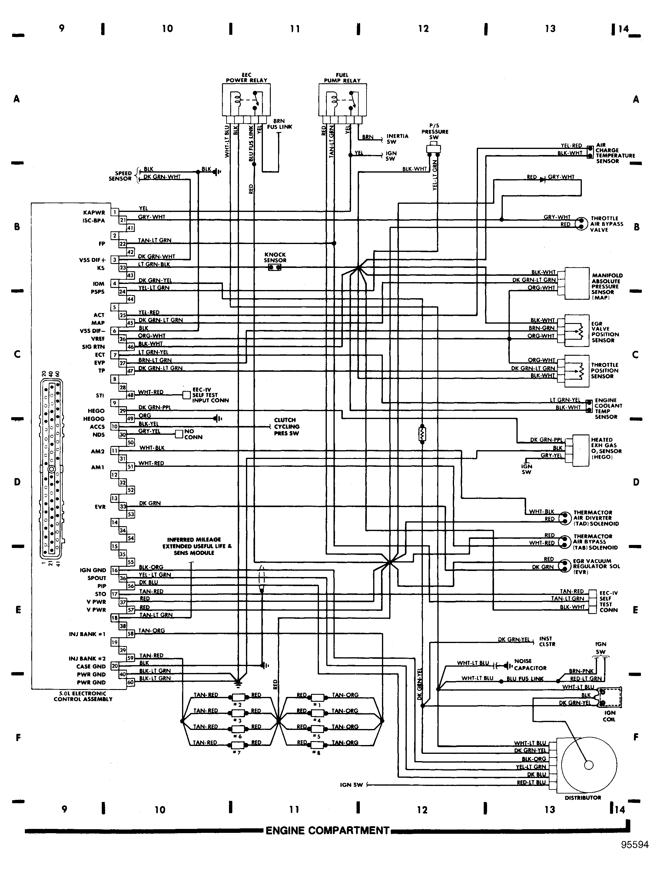
The weapon is a 1987 Ford Bronco ( full size ) with a 5.0 L. Engine.
From what I have here, the SPOUT runs from the P.C.M. To the connector then to the I.D.M. ( Module ) located on the side of the distributor.
Also need to note that the fuel pump runs all the time.
So my son says.
Was this
answer
helpful?
Yes
No
Friday, October 7th, 2011 AT 2:08 AM
Tiny
RIVERMIKERAT
  • MECHANIC
  • 6,110 POSTS
Fuel pump even runs when the engine isn't?
The 87 Bronco is listed in Mitchell, CJ.
Was this
answer
helpful?
Yes
No
Friday, October 7th, 2011 AT 2:12 AM
Tiny
SONS BRONCO
  • MEMBER
  • 5 POSTS
Yes and the key can be out of the ignition, so have to unplug relay to save barrery power.
Was this
answer
helpful?
Yes
No
Friday, October 7th, 2011 AT 2:15 PM
Tiny
SONS BRONCO
  • MEMBER
  • 5 POSTS
Battery
Was this
answer
helpful?
Yes
No
Friday, October 7th, 2011 AT 2:23 PM
Tiny
CJ MEDEVAC
  • MECHANIC
  • 11,005 POSTS
I'VE BEEN REAL SICK--SORRY I TOOK SO LONG

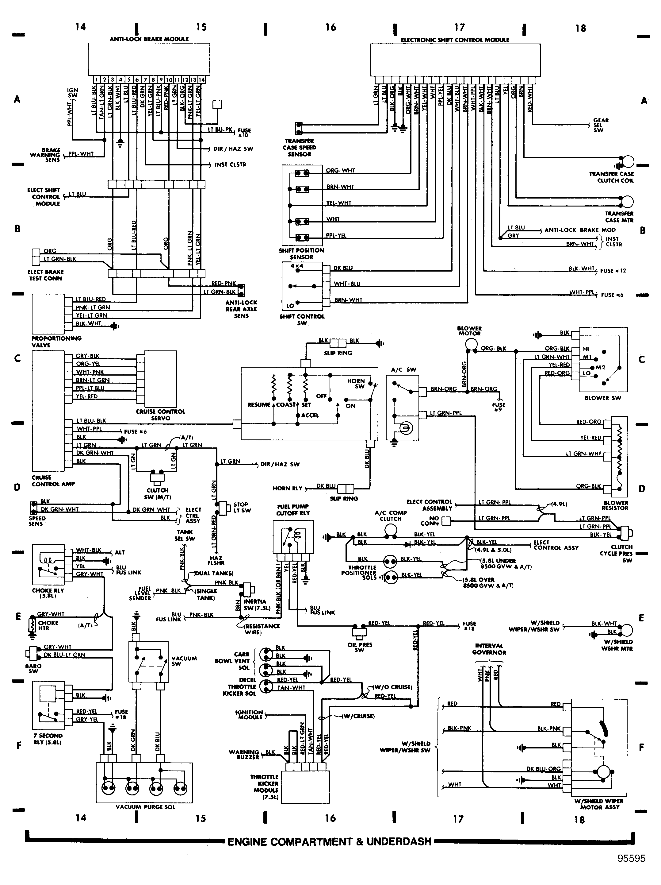
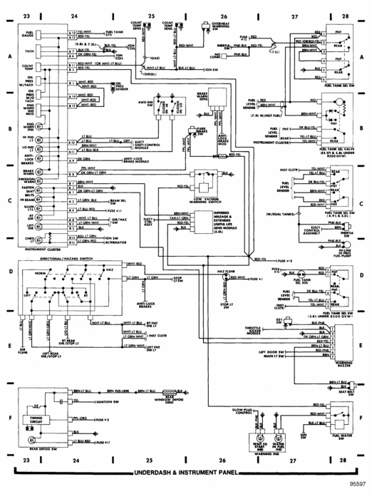
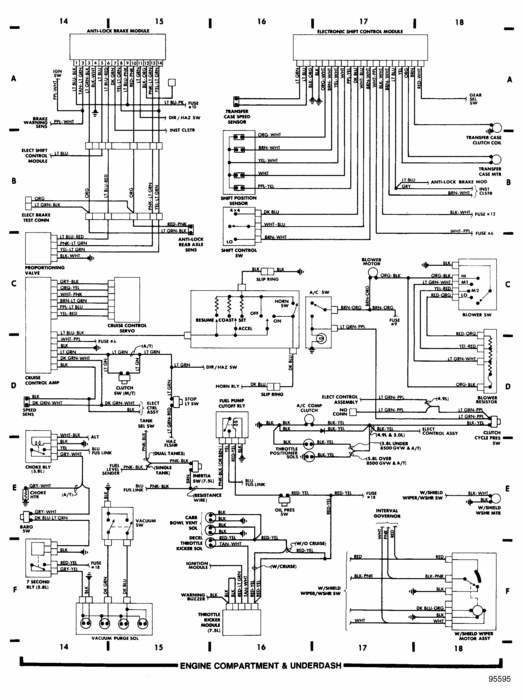
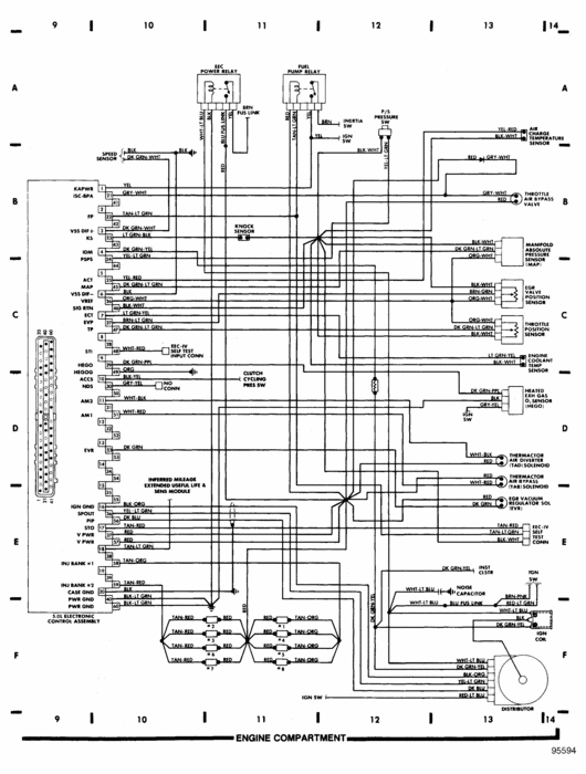
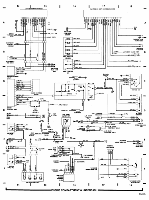
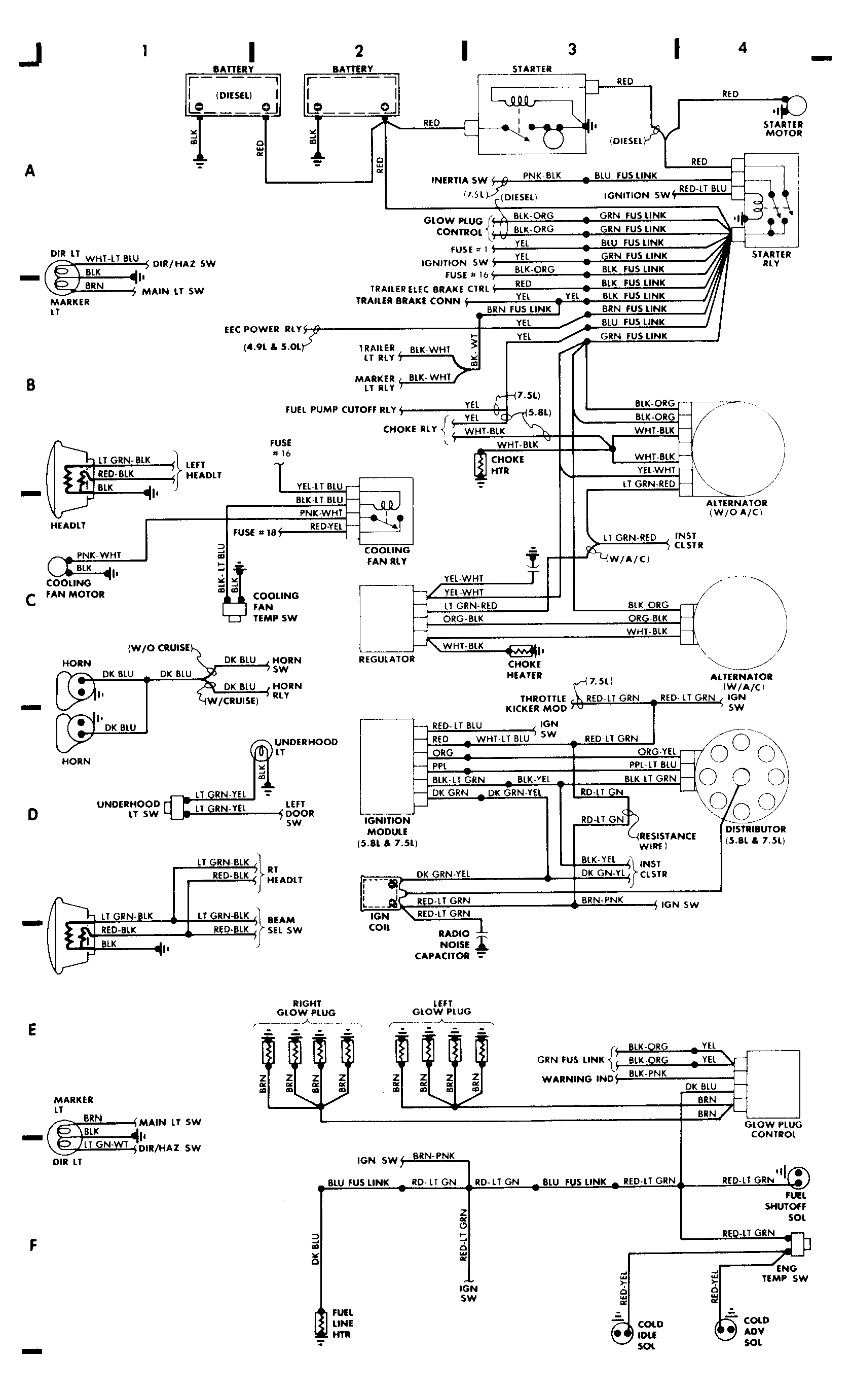
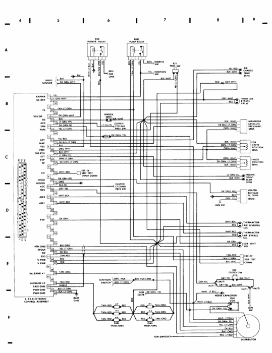
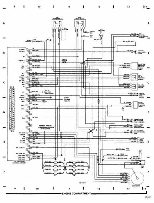
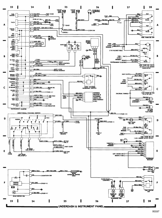
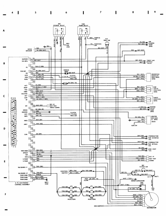
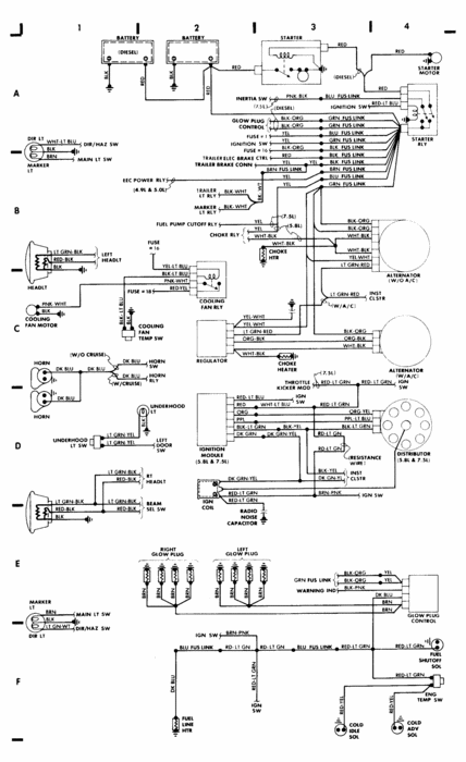
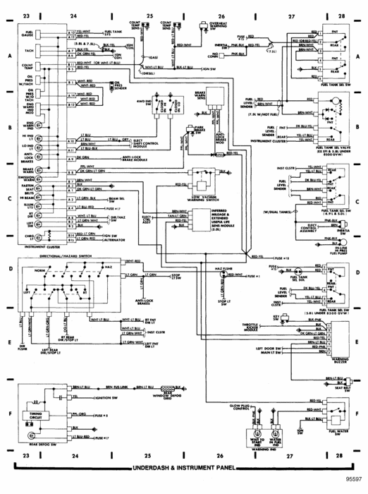
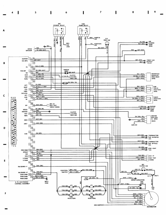
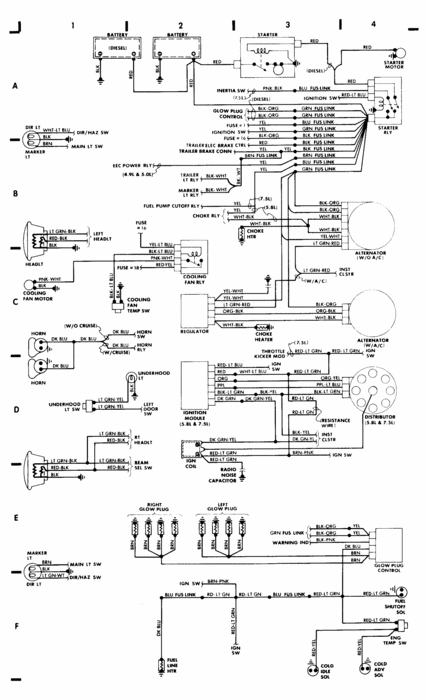
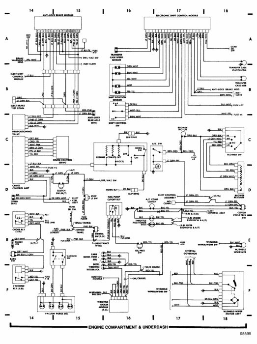
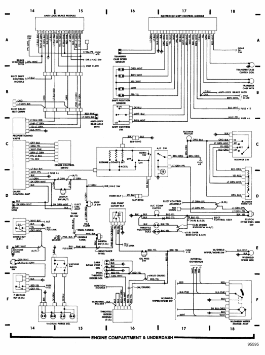
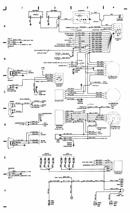
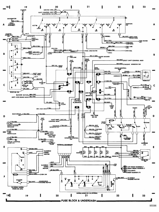
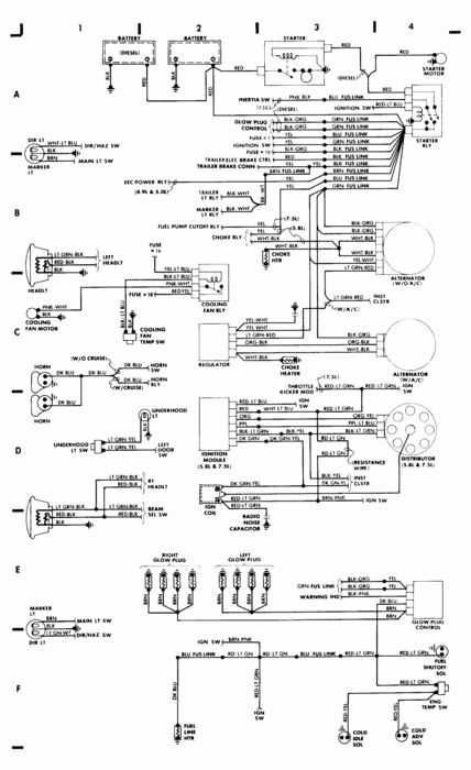
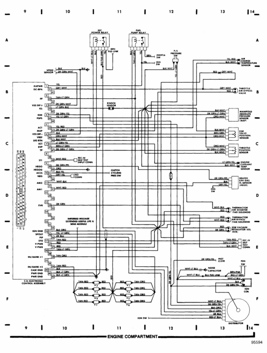
1ST 3 DIAGRAMS ARE ENGINE COMPARTMENT

4TH + 5TH ARE ENGINE COMPARTMENT AND UNDER DASH

6TH IS UNDERDASH AND INSTRUMENT PANEL

IF YOU CANNOT READ 'EM, LET ME KNOW, I CAN INITIATE A WAY SO THAT YOU DO NOT BROADCAST YOUR INFO ON OPEN FORUM

THE MEDIC
Was this
answer
helpful?
Yes
No
Friday, October 7th, 2011 AT 8:15 PM
Tiny
SONS BRONCO
  • MEMBER
  • 5 POSTS
I cannot enlarge the diagrams large enough to read.
Was this
answer
helpful?
Yes
No
Monday, October 10th, 2011 AT 10:47 PM
Tiny
CJ MEDEVAC
  • MECHANIC
  • 11,005 POSTS
SENT YOU A MESSAGE

CLICK YOUR NAME UP TOP--LOOK LEFT

YAHOO IS NOT WORKING RIGHT---I STUMBLED ON TO YOU, I DID NOT GET NOTIFIED. Sorry!

HOPE YOU AIN'T BEEN WAITING LONG

NOW I GOTTA FIND OUT WHICH COMPUTER I DOWNLOADED 'EM ON!

THE MEDIC
Was this
answer
helpful?
Yes
No
Monday, October 10th, 2011 AT 10:59 PM

Please login or register to post a reply.