1986 Nissan Truck truck will not start

Tiny
GREG1986NISSAN
  • MEMBER
  • 1986 NISSAN TRUCK
  • 160,000 MILES
Truck has been running fine, today I drove a few miles and back home, Now about an hour later truck will turn over but will not start. Truck is getting gas but I think it has lost fire, I put some gas in the carb but it still don't try to start. I checked the ign fuse and it is good. Cant find anything that is unplugged.
Sunday, November 3rd, 2013 AT 6:58 AM

1 Reply

Tiny
HMAC300
  • MECHANIC
  • 48,601 POSTS
Pull coil wire and see if spark is going to dist. If it is then replace the rotor and dist cap.
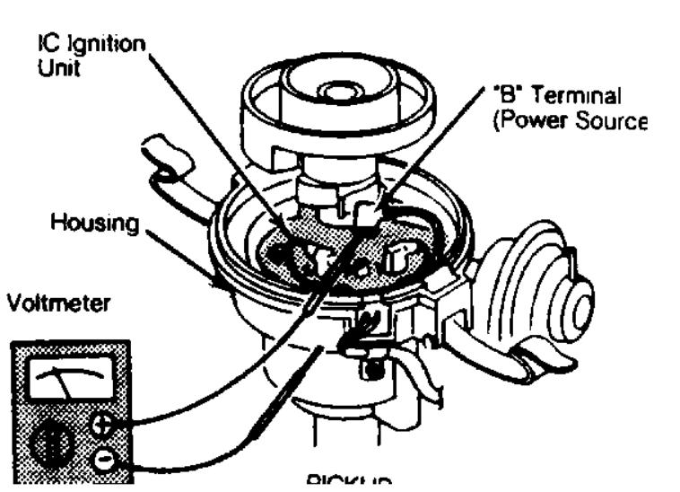
Connect voltmeter positive lead to "B" (Black/White wire) terminal. See Fig. 3. Connect voltmeter negative lead to side of distributor housing. Turn ignition on. If reading is less than 11.5 volts, check wiring from ignition switch to IC ignition unit.
Fig. 3: Pickup Power Supply Test
POWER SUPPLY CIRCUIT CRANKING TEST
Remove high tension coil wire from distributor and ground it. Connect voltmeter as outlined in POWER SUPPLY CIRCUIT TEST. See Fig. 3. Crank engine and note voltmeter reading.
If voltage reading is more than one volt below battery cranking voltage and/or is below 8.6 volts, check ignition switch and wiring from switch to IC ignition unit.
IGNITION PRIMARY CIRCUIT TEST
Attach a voltmeter negative lead to side of distributor.
On Pickup connect voltmeter positive lead to "I" (Red wire) terminal and then to "E" (Blue wire) terminal of IC ignition unit connector. See Fig. 4.
Turn ignition on. Voltage reading should be 11.5-12.5 volts. If reading is below 11.5 volts, check coil primary resistance if not previously done. If voltage is correct, go to IC IGNITION UNIT GROUND CIRCUIT TEST.
Was this
answer
helpful?
Yes
No
Sunday, November 3rd, 2013 AT 8:30 AM

Please login or register to post a reply.