1985 Jeep CJ7 Wiring

Tiny
JAB6717
  • MEMBER
  • 1985 JEEP CJ7
  • 4.2L
  • 6 CYL
  • 4WD
  • MANUAL
Hello,
I recently purchased a project CJ7 from a guy who mustve been very limited in his skill set. He was convinced that there was a problem with the wiring harness and proceeded to cut every wire at its terminal location. He purchased a new wiring harness and made it as far as running the wires through the firewall before selling the jeep. I bought the jeep strictly for the powertrain-engine, transmission, transfer case and axles. I will be removing engine and transmission but would like to get the engine running while in its current frame. I have read about the nutter bypass which eliminated the ECU and I'm definitely into that. My state also has no emissions so I am not concerned with anything besides what makes the engine run. Can anyone tell me or give me a basic wiring diagram for the jeep? I'm not concerned with anything other than making the jeep run properly I strictly need to know what connections I need to make to for the engine to turn over and fire.
Thursday, July 30th, 2015 AT 6:17 AM

4 Replies

Tiny
HMAC300
  • MECHANIC
  • 48,601 POSTS
Not sure what you want see pics
Was this
answer
helpful?
Yes
No
-3
Thursday, July 30th, 2015 AT 8:21 AM
Tiny
CJ MEDEVAC
  • MECHANIC
  • 11,005 POSTS
LEMME KNOW IF I CAN AID YOU MORE

PRETTY MUCH A 1979 JEEP CJ WAS THE "BEST ALL AROUND CJ". I HAD 2 '79s, 4 OTHER CJs. NOW HAVE A '77 CJ-5 UPGRADED TO '79 STANDARDS AND MORE. .,.,.,.,.,.AND OF COURSE MY '46 WILLYS

WE HAVE THE CAST IRON 3 & 4 SPEED TRANNYS AND TRANSFER CASE

EMISSIONS CRAP WAS MINIMAL (ONLY 2 VACUUM LINES ARE NECESSARY, ONE MORE IF YOU HAVE POWER BRAKES)

SQUARE FUSES NOT GLASS

A PLAIN JANE CARTER BBD CARB

NOT KNOWING THE EXTENT OF WHAT YOU HAVE DONE/ TO DO

I RECOMMEND A 1979 CARTER BBD (CAN BE FOUND "NEW" ON EBAY, FOR LESS THAN A REBUILT ONE AT A PARTS STORE

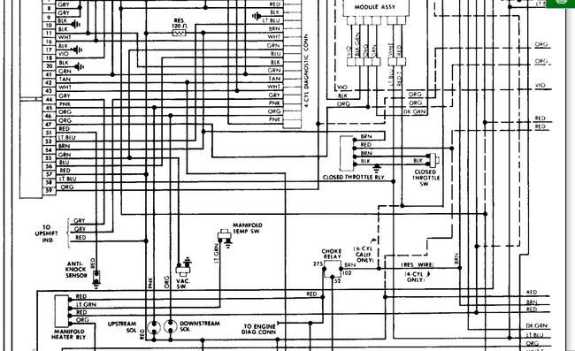
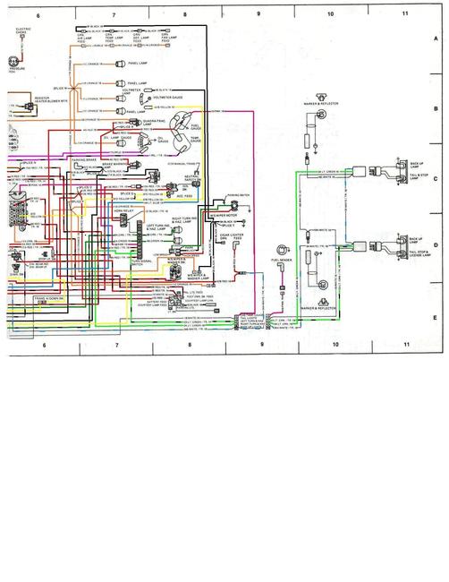
I ALSO RECOMMEND YOU WIRE THE VEHICLE EXACTLY LIKE A 1979, THE ECU AND A BUNCH OF SENSORS WOULD BE TOTALLY ELIMINATED. NO NEED TO "NUTTER" AS IT NUTHIN' WOULD GO THRU THE ECU

I'VE HELPED A FEW FELLERS TRACE THEIR WIRES TO THE ECU FROM BOTH DIRECTIONS OF A "SYSTEM". USING A WIRE DIAGRAM FOR COLORS AND LOCATIONS. AT THE ECU, WE NOW HAD THE BEGINNING AND END WIRE IN OUR HANDS, SNIP SNIP, TIE THE WIRES TOGETHER WITH A STAKE-ON COUPLING. NOW ONE LESS WIRE THRU THE ECU. REPEAT THE PROCESS TILL YOU CAN SLING THE ECU OUT INTO THE WOODS!

GONNA DO A BUNCH OF YOUR HOMEWORK FOR YOU!

I'M PRESENTLY AIDING ANOTHER CJ, I'M GONNA LINK YOU TO THE POST SO THAT I DON'T HAVE TO TYPE FOREVER! PLEASE ANSWER ME IN THIS POST, LEAVE THE OTHER FELLER'S POST ALONE (PLEASE)

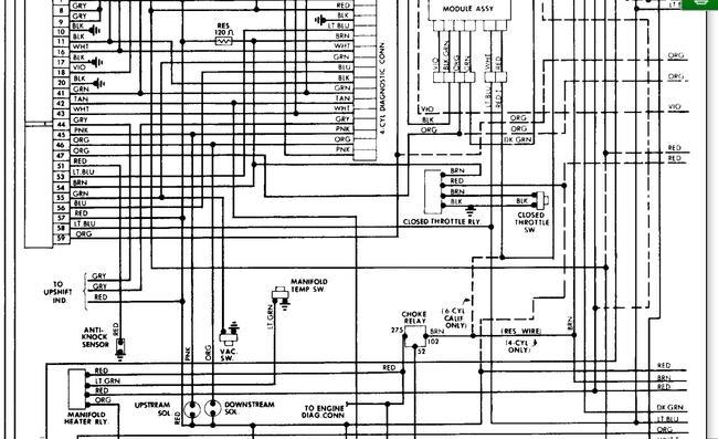
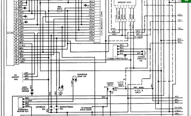
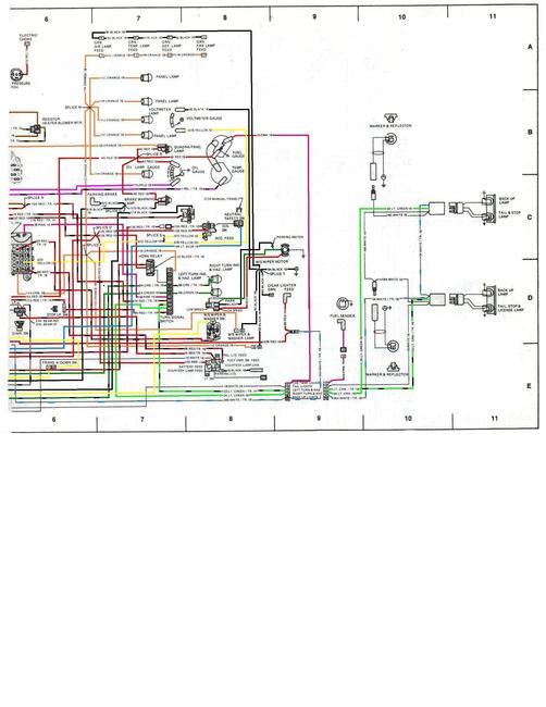
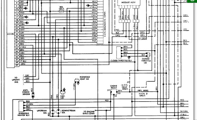
I WANT YOU TO READ AND UNDERSTAND MY "SORTA HOMEMADE WIRE DIAGRAM EXPLANATIONS". IT IS CRITICAL YOU UNDERSTAND MY MARKINGS ON SOME OF THE WIRES

SEE MY ANSWER AND PICS ON Jul 29, 2015 (DATE IS BY THE AVATARS) IN THIS POST.

https://www.2carpros.com/questions/1978-jeep-cj7-tail-light-wiring

I'M GONNA GIVE YOU BOTH SIDES OF THE DIAGRAM, (I ONLY GAVE THE OTHER FELLER A TAIL LIGHT GLIMPSE SO FAR)

I USED THIS SAME DIAGRAM WHEN I 100% RESTORED MY '46 WILLYS TO "USER FRIENDLY STATUS" NOT TO ORIGINAL STATUS

LET ME KNOW WHAT YOU WANT OR NEED, I'LL DO WHAT I CAN!

REMEMBER TO ANSWER BACK ON THIS THREAD

THESE DIAGRAMS OVERLAP AROUND THE FUSE BOX, RIGHT SIDE OVER THE LEFT IS THE BEST FIT IN THE OVERLAP

THE MEDIC
Was this
answer
helpful?
Yes
No
Thursday, July 30th, 2015 AT 8:21 PM
Tiny
JAB6717
  • MEMBER
  • 2 POSTS
Ok,
So last night I did some basic wiring. I wired the ignition coil directly to the battery and then wired the starter to the battery with a momentary switch. And also hooked up the proper grounds. The engine cranks over very well but I am not getting any spark out of the distributor, and the engine wasn't able to fire. I have a couple questions:

-would bypassing the ignition module cause the engine to not spark? (I don't understand what the ignition module does)

-if I get power out of the distributor to the spark plugs and fuel the engine should fire correct? Not having the ECU hooked up may make it run rough? But I would have the three basics -fuel, fire, compression so it should at least attempt to run right?

-also how far back are these older better carburetors compatible? I have several late 50's carbs laying around (two 57's I believe)

-my next plan is to trace the power back to where is stops-im thinking it could be cap/rotor/condenser or even the coil and I should have good spares to test all of these.

Thanks for the help,
John
Was this
answer
helpful?
Yes
No
Friday, July 31st, 2015 AT 5:02 AM
Tiny
CJ MEDEVAC
  • MECHANIC
  • 11,005 POSTS
ROGER THAT!

IGN MODULE TAKES THE PLACE OF THE OLDER POINT SYSTEM

YOU "MUST" HAVE A SYSTEM IN THERE SOMEWHERE TO ACTIVATE A SPARK!

IF YOU REALLY UNDERSTAND HOW THINGS WORK, YOU COULD BUY A "POINTS TYPE" DISTRIBUTOR (MADE FOR EARLIER 258s OR 232s, MAYBE 1975 ON BACK) AND WIRE IT UP. ELIMINATING THE IGN MODULE COMPLETELY. OF COURSE YOU WOULD BE GOING BACK IN TIME, THE IGN MODULE IS OVERALL MORE RELIABLE AND SELDOM NEEDS ANY ATTENTION.

SINCE YOU GOTTA "WIRE IT UP" ANYWAY. DO IT LIKE A '79. IF YOU CAN SEE MY DIAGRAM REALLY WELL, YOU SHOULD BE ABLE TO FOLLOW EACH WIRE FROM BEGINNING TO END. SO SIMPLE TO DO, WITH A "MAP LIKE" DIAGRAM. I HATE THE NEWER STYLE MULTIPLE PAGES DIAGRAMS, WHEN IT COMES TO TRACING STUFF OUT

CARBURETORS?

I'D STICK WITH THE ONES I SUGGESTED, CAN'T GO WRONG WITH A DIRECT FIT FOR LESS THAN $150.

YOURS "COULD FIT" BUT THEY MAY NEED SOME CLEANING UP/ A KIT MAY BE EXPENSIVE/ NOW WE HAVE "ODD BALL" PARTS THAT MAY BE HARD TO FIND AT A LATER DATE/ IT MIGHT NOT BE CALIBRATED TO RUN A 258 EITHER!

YOUR TURN

THE MEDIC
Was this
answer
helpful?
Yes
No
Friday, July 31st, 2015 AT 4:11 PM

Please login or register to post a reply.