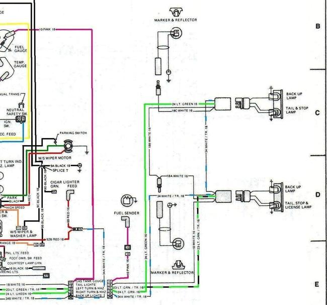
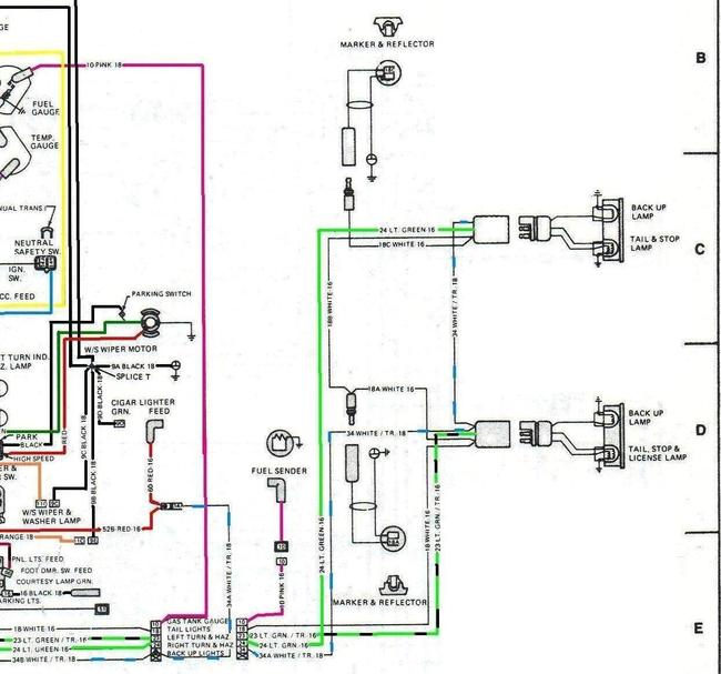
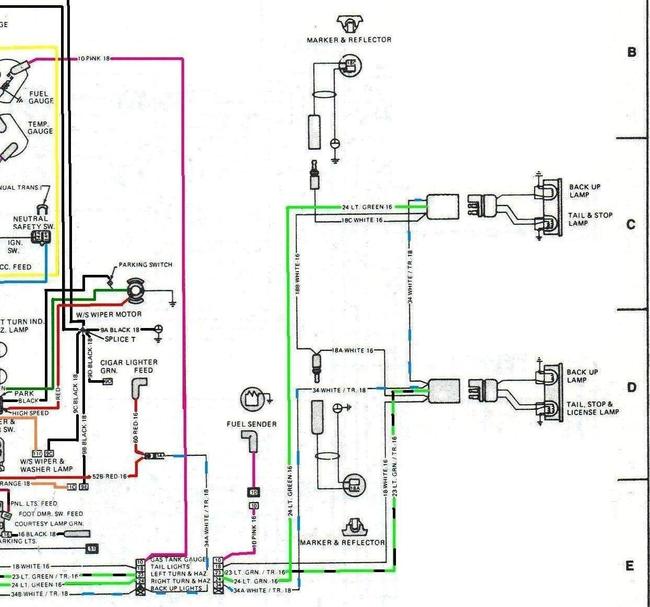
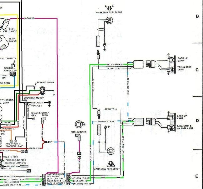
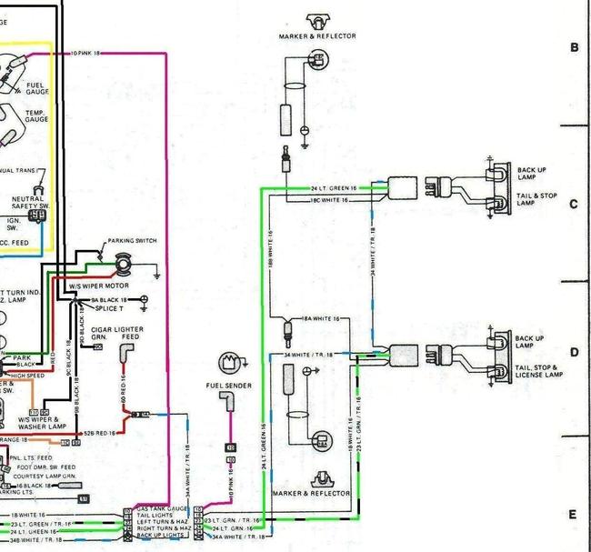
Tail light wiring

Tiny
BRADLEYOLINSMITH
  • MEMBER
  • 1978 JEEP CJ7
  • 6 CYL
  • 4WD
  • MANUAL
  • 60,000 MILES
I have a little issue with the tail light wiring that only select wires are drawing power through them. I have worked on this for quite some time but I cant figure out how to fix this problem. My dad has been hounding me to get the tail lights on or the car will be his and I cant figure out where the problem is.
Tuesday, July 28th, 2015 AT 3:22 PM

10 Replies

Tiny
CJ MEDEVAC
  • MECHANIC
  • 11,005 POSTS
TELL ME WHAT FUNCTIONS WORK AND DON'T WORK

THAT IS

TWO SEPARATE LISTS

ONE FOR THE DRIVER'S SIDE. ONE FOR THE PASSENGER SIDE

ANY ODD STUFF TOO, LIKE SOMETHING IS DIM, MORE THAN ONE FILAMENT FLASHES IN A BULB (AND SHOULDN'T)

ARE YOU 100% POSITIVE THAT THE BULBS ARE IN CORRECTLY, I.E, THE CLOSE AND FAR 2 TI. TS ON THE BULB ARE IN THE CORRECT SLOTS/ RUNNERS ON THE SOCKET (NOT "CRAMMED" INTO THE WRONG ONES!)

DO YOU HAVE A "DECENT" 12 VOLT TEST LIGHT? (A VOLTMETER WILL WORK TOO, JUST A BIT SLOWER TO USE IT)

GOTTA WORK WITH ME!

THE MEDIC
Was this
answer
helpful?
Yes
No
Tuesday, July 28th, 2015 AT 3:45 PM
Tiny
CJ MEDEVAC
  • MECHANIC
  • 11,005 POSTS
A LITTLE BIT OF HISTORY WOULD BE NICE TOO!

IS HE SOME SORTA RECENT PRIZE FIND OR HAVE YOU HAD HIM FOR SOME TIME, THIS ISSUE JUST SORTA RECENTLY STARTED?

I HAVE WIRING DIAGRAMS, MANY PICS, I MAKE PICS TO AID IN EXPLANATIONS (SOMETIMES "RIGHT NOW" OF MY OWN JEEPS)

IF YOU RESPOND WITH ANSWERS AND DO THE TESTING I THROW AT YOU,

YOU CAN TELL DAD WE HAVE THIS UNDER CONTROL!

THE MEDIC
Was this
answer
helpful?
Yes
No
Tuesday, July 28th, 2015 AT 7:27 PM
Tiny
BRADLEYOLINSMITH
  • MEMBER
  • 4 POSTS
The problem is worse only one wire is drawing power out of all off them, its on the passenger side and its the green wire. I cannot put the tail lights on without knowing what wires go to what and I cant know that until I have power. Also activating the right turn signal deactivates the power going through the green wire
Was this
answer
helpful?
Yes
No
Wednesday, July 29th, 2015 AT 7:36 AM
Tiny
BRADLEYOLINSMITH
  • MEMBER
  • 4 POSTS
I just recently purchased it and the tail lights worked when we bought it about two months ago. But we decided it would be good to replace them. An now we cant fix it. I also do have a test light im not certain its a 12 volt test light but it has worked for all my other wirin issues
Was this
answer
helpful?
Yes
No
Wednesday, July 29th, 2015 AT 7:40 AM
Tiny
BRADLEYOLINSMITH
  • MEMBER
  • 4 POSTS
We did have to remove some of the steering column to make te brake pedal spring back. I dont know if that has anything to do with it but I dont even remember taking any wires out
Was this
answer
helpful?
Yes
No
Wednesday, July 29th, 2015 AT 7:43 AM
Tiny
CJ MEDEVAC
  • MECHANIC
  • 11,005 POSTS
Well sir

I do not know why you had to touch the column, in order to mess with the emergency brake mechanism

The only wires inside the column are for the turn signal/ hazard lights (which are the same wires shared by both systems)

The ignition switch itself (and it's wires), sit on top of the column just on the other side of the dash. None of it's wires are inside the column. The ignition switch is activated/ moves via a long rod w/ a "l" shaped end (which "hooks" into the ign switch. The other end of this rod hooks into sorta a rack and pinion that moves when you turn the key.

Back to the lights

These puppies shoulda had "plug ends" on 'em to simply unplug the old and plug in the new. This being on the other side of the body

But I know how some folks can butcher up stuff

I 1st started here knowing absotively nuthin' about typing or a compter

I had a seriously broken foot and was laid up for some time. My sister introduced the computer to me and I called her 10 million times at work to get me "un-hung up"!

I began to play with microsoft paint" a little

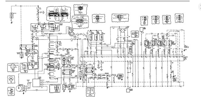
I scanned a 2 part 1979 wire diagram out of a book ('79 being a year that has quite a bit in common some surrounding years)

I took it to "paint and began coloring the wires the best I could

There were some slight obstacles/ challenges

Got things for you to keep in your head / they are important, as you will be lost if you don't go by "my" "legend"

White wires are. Black!

Wires with a tracer/ colored stripe were not listed "what color" the stripe was on the diagram. So I colored the wire correctly and sorta "dotted/ hash marked" the colored wire with black or blue marks.

This denotes that it has a stripe of some color (i just don't know the color)

. Example 2 red wire running side by side, one is solid red
the other is red with black hash marks in my diagram (this wire might really be red with a green stripe on the jeep)

This "cj medevac" system carries thru the entire diagram

On the diagram you will see breaks in the lines and colors/ info listed (the colors continue thru the writing) the writing is how I knew what color a wire is it was on the diagram originally.

I emailed the 2 halves to the office store, had them blown up, I taped them together (correct overlappage) then they laminated it for me. All for around $25. It is very helpful to me (see pic)

Other stuff to check/ fix/ unplug as you test

If the front and side signals are muffed, that may affect rear lighting operation

Ask any questions

Do you understand my answers?

When you digest this stuff and attempt repairs, let me know that the right turn does "this" in the front and rear, the brake light do "this", left turn/ running light/ etc. Etc

Need more diagrams?

I mainly do this after work/ after honey-dos that's why my responses come slow

The medic
Was this
answer
helpful?
Yes
No
Wednesday, July 29th, 2015 AT 3:31 PM
Tiny
RRENTROP
  • MEMBER
  • 6 POSTS
This wiring diagram is very helpful, but it is cut off before showing the schematic for the back up light switch. Can you repost showing that part?
Was this
answer
helpful?
Yes
No
Saturday, March 10th, 2018 AT 1:27 PM
Tiny
CJ MEDEVAC
  • MECHANIC
  • 11,005 POSTS
How 'bout the whole deal!

Need any help?

How 'bout asking a new question (ask for me if you wish)

They sorta want it to where your particular problem is "searchable" and not piggy-backed onto another different issue.

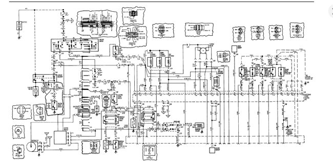
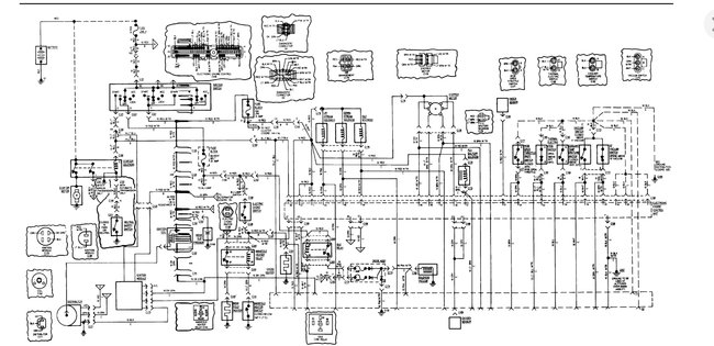
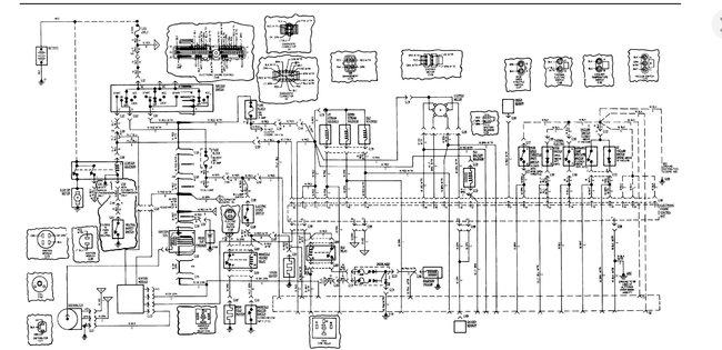
Your diagrams are below. This is for a 1979, a lot of the wiring is the same for surrounding year models.

I colored it all in "Microsoft Paint" Most wire colors are labeled. White wire show as black. Wires with stripes (tracers) Are the base color with black dashes on them (as the original diagrams do not list the 'stripe' color) I figgered denoting the tracer in some way makes it helpful.

Even better is to correctly overlap the two diagrams, take 'em to the office store, blow 'em up a good bit, have it laminated. Tracing wires is so much EZer!

The Medic
Was this
answer
helpful?
Yes
No
+3
Saturday, March 10th, 2018 AT 2:49 PM
Tiny
CHRISLITT
  • MEMBER
  • 1 POST
Mr. Medic,

It is very generous of you to share your diagrams with the world. Thank you! Since no good deed goes unpunished, the engine compartment side of the diagram did not scan clearly (the cab side is crystal clear) and is not legible to me. Is there any chance you could rescan and post the engine compartment side? It would be appreciated.

I bought an '85 CJ7 with lots of awesome running gear goodies; Dana 60 axles, Chevy 350 and Turbo 350. Everything below the frame or mechanical is very nicely done. Everything above the frame is not so good, including the wiring. The PO decided to replace the original steering column with a tilt column out of Chevy pickup so that butchered up the wiring. Most pieces of the wiring in the engine compartment are in need of upgrading- wrong wire sizes, poor connections, etc.

Right now I'm going to get the Jeep running as-is by cleaning up the existing mess. I'll take it out for some shakedown runs and then when I pull the body and clean everything up, I should have a list of additions/corrections from the trial runs.

Anyway, your diagram is incredible. If I could just read the engine side it would be phenomenal. Regardless, thanks for sharing!
Was this
answer
helpful?
Yes
No
Tuesday, April 16th, 2019 AT 7:41 PM
Tiny
KEN L
  • MASTER CERTIFIED MECHANIC
  • 55,335 POSTS
Hello,

Here is a guide to help you test the wiring and the updated wiring diagrams for the engine below,

https://www.2carpros.com/articles/how-to-check-wiring

Check out the diagrams (Below). Please let us know if you need anything else to get the problem fixed.
Was this
answer
helpful?
Yes
No
Friday, April 19th, 2019 AT 12:54 PM

Please login or register to post a reply.