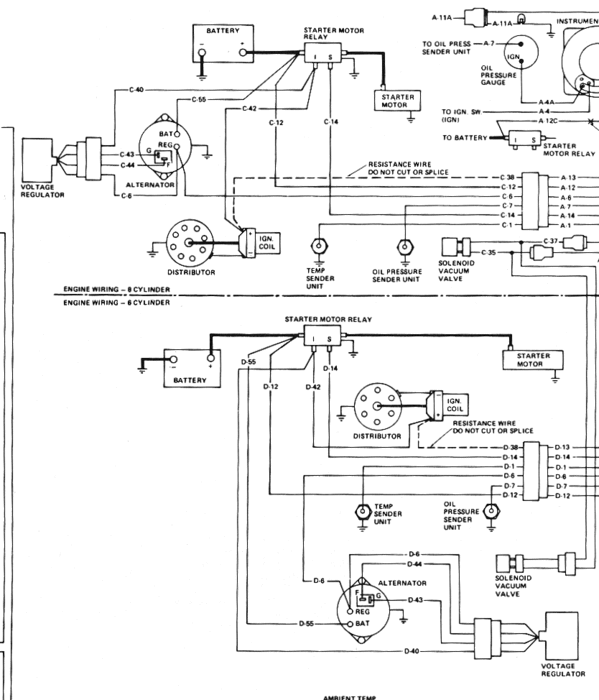
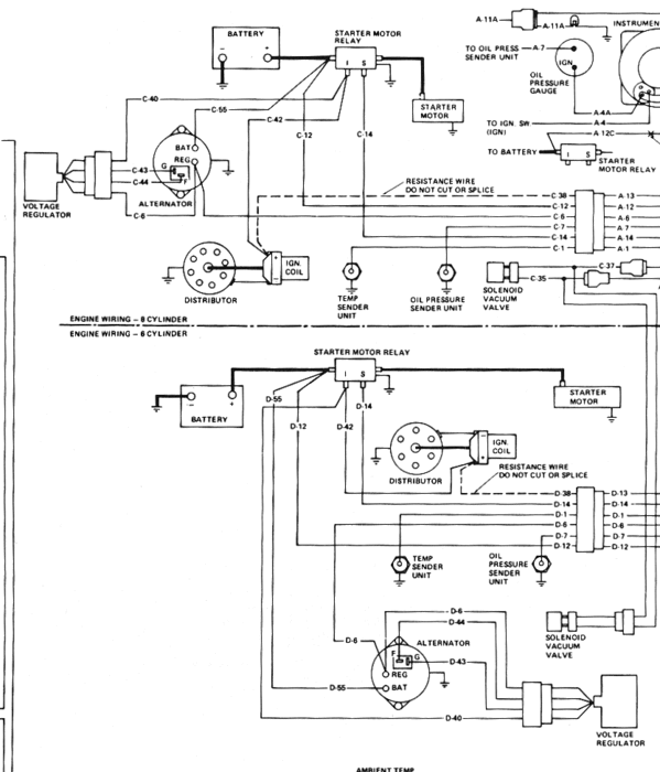
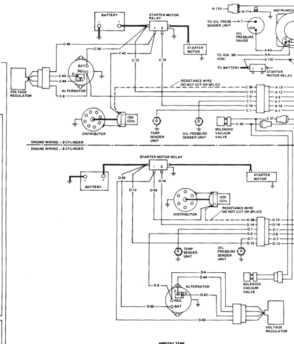
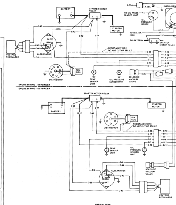
I bought a new voltage regulator from napa. Wires are the same as my harness except the new
regulator has an orange wire. Where as my harness has a grey wire. As the mating plug on the
my harness is gone I'm having to reconnect a new one. My question is the orange wire on the
new regulator supposed to go to the grey wire on my harness? I sent an email to Napa tech
support and as of yet no answer. I'm stuck here I would love to give a donation but economics
right now are bad. So if you don't answer i'll understand
Wednesday, January 30th, 2013 AT 2:03 AM



