Thursday, August 18th, 2022 AT 12:58 PM
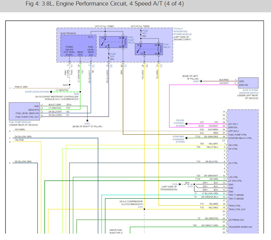
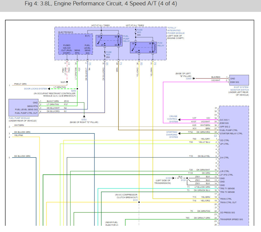
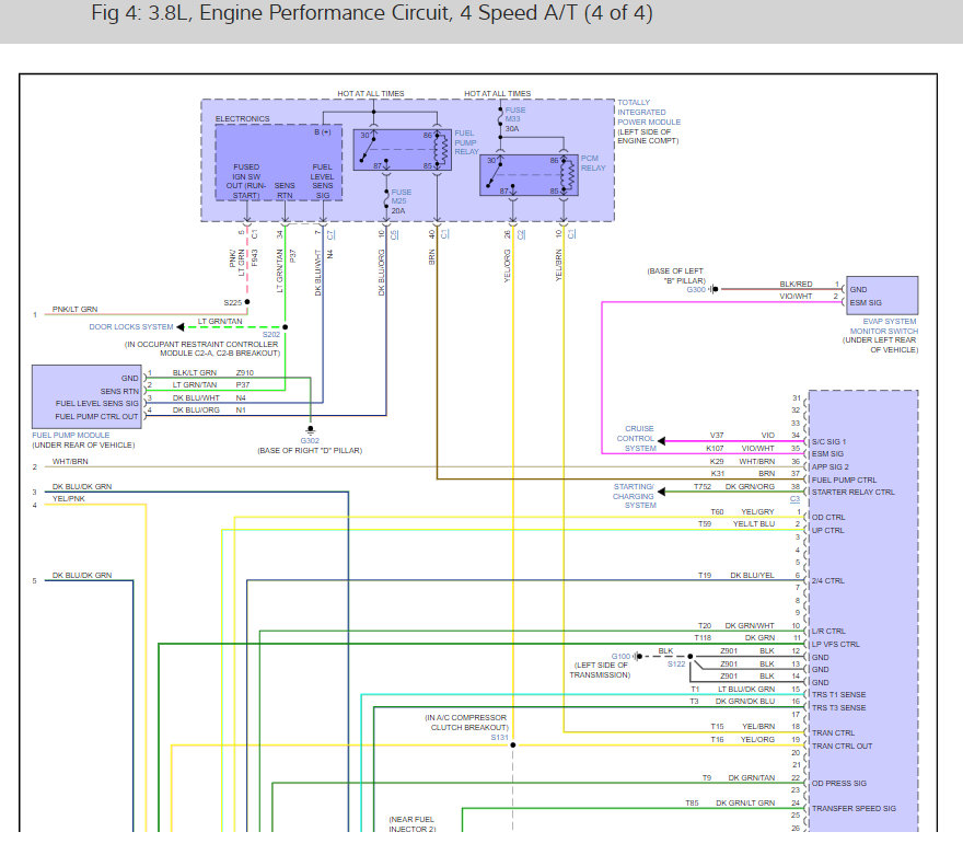
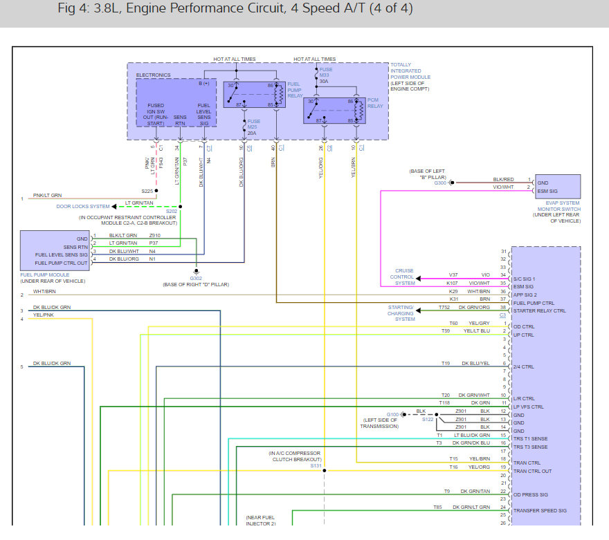
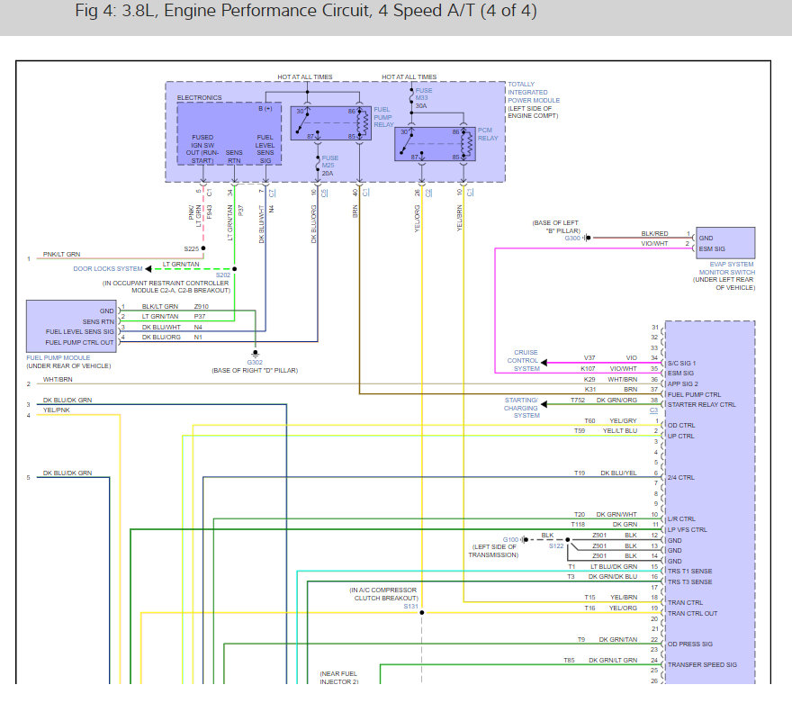
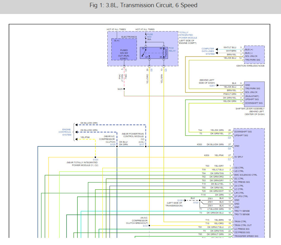
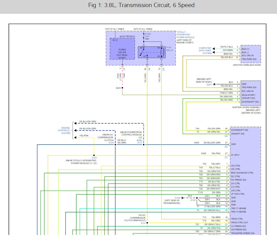
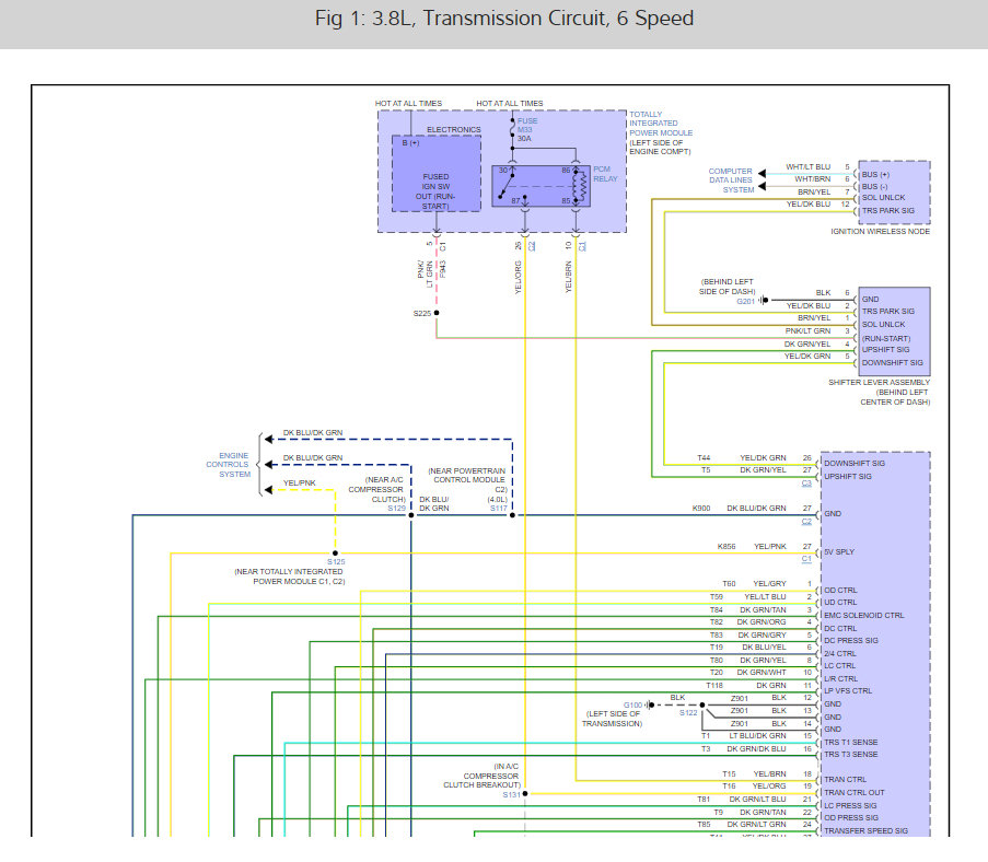
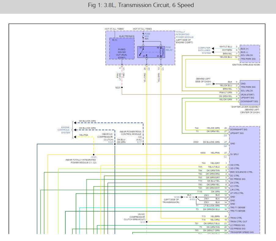
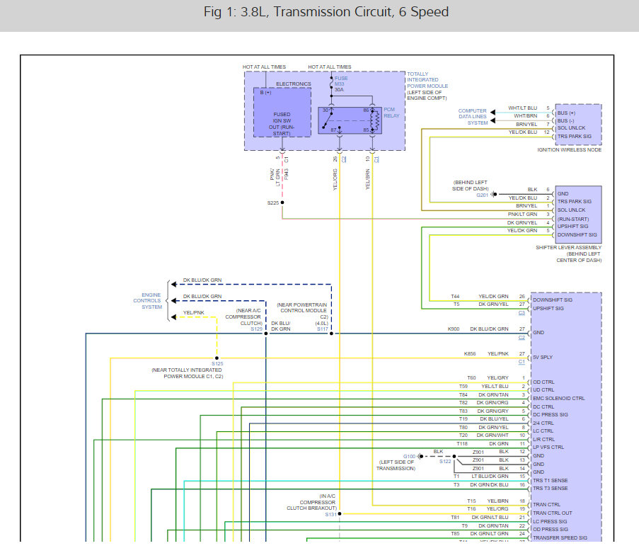
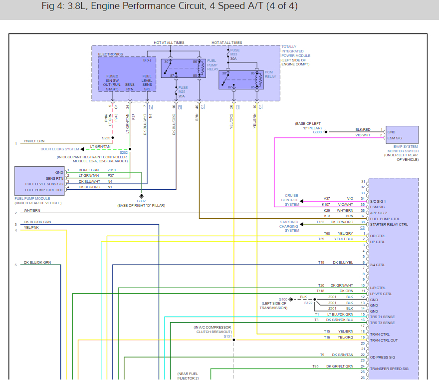
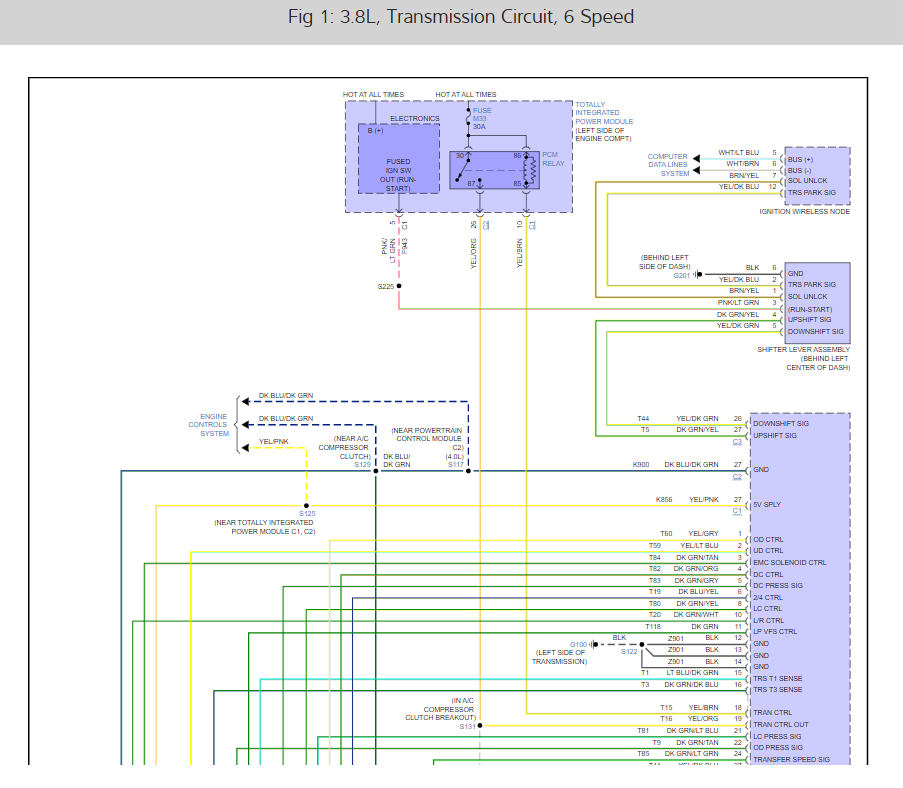
I'm working with an X7 bi-directional scanner that has its latest update. I'm pulling several codes under an automatic scan, but the TCM (2nd module in scan) doesn't pass or pull a code it just moves on without an entry. When selecting a TCM test only, it comes back with "received an invalid response" also won't perform any of the testing or special functions the scanner supports for drivetrain. I need a wiring diagram for the. PCM I guess. I've learned this year's model doesn't have a separate TCM, but instead, is integrated inside the PCM. One piece of hardware for both modules. Other than testing fuses and relays, and manually cracking open the wiring harness and visually inspecting wiring (without being able to identify any) checking for breaks, pinches, cuts, and corrosion etc, I'm not sure how to proceed troubleshooting.
















































