Saturday, October 3rd, 2020 AT 1:46 PM
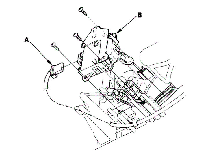
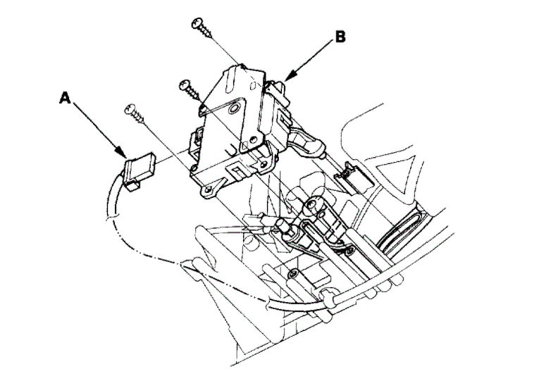
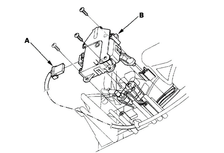
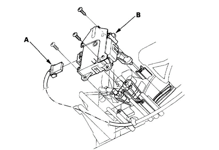
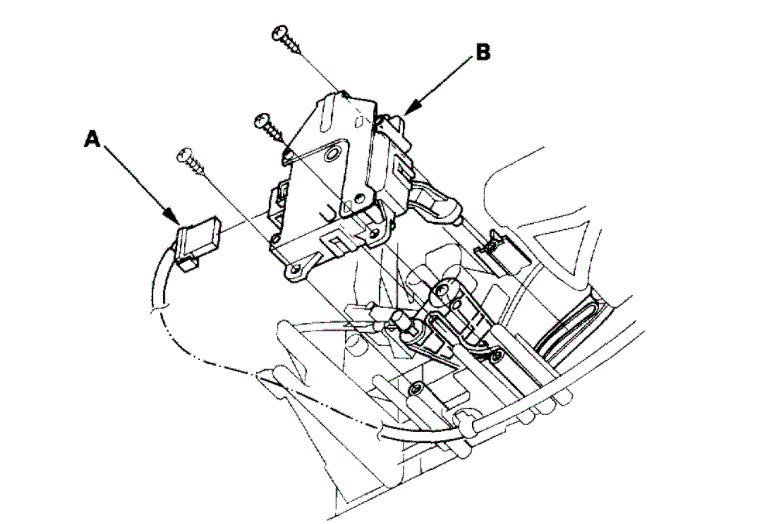
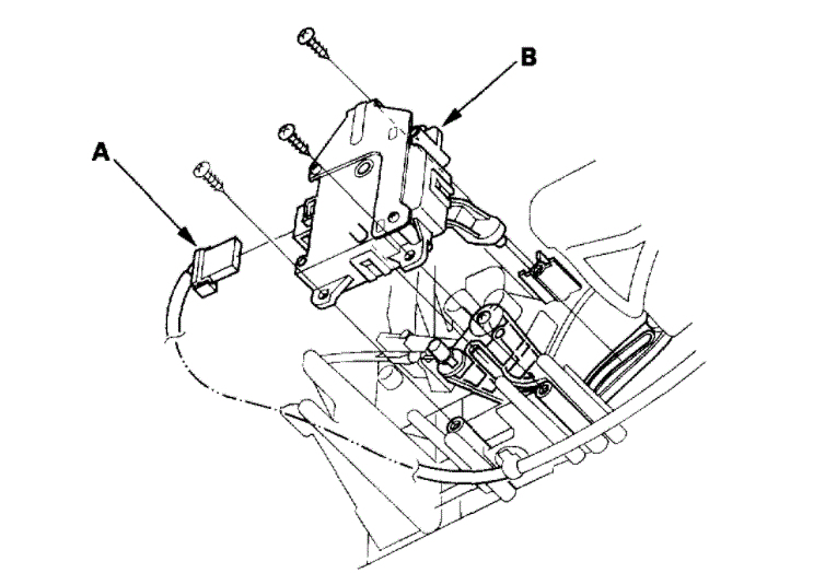
Hey, i'm having issues figuring out why my car wont change from cool/cold to warm/hot. I have replaced the heater control valve because I was told it's common for those to break internally (no luck). I have tried replacing the driver side air blend motor with no luck. I checked to make sure the motor was getting power which it is. So now I have hit a roadblock as to where or what to check next. The car already had an aftermarket radio/dash kit when I purchased it. I'm trying to get it fix and/or figured out before winter fully sets in because it's almost impossible to defog my windows. I also don't want my kids to have to sit in a cold car anymore. Any help will be much appreciated.













