Starter location

Tiny
MICHAEL KURTZ
  • MEMBER
  • 2006 CADILLAC DEVILLE DTS
  • 4.6L
  • V8
  • 2WD
  • AUTOMATIC
  • 118,000 MILES
Can you please tell me where is the starter located?
Sunday, October 29th, 2017 AT 1:43 PM

2 Replies

Tiny
PATENTED_REPAIR_PRO
  • MECHANIC
  • 1,853 POSTS
Under the intake manifold. Here are the instructions for replacing it, https://1drv.ms/b/s!Ald3K7ShbumWhmTO3YOwbEJHKbpc

And here is how to replace the intake manifold,
https://1drv.ms/b/s!Ald3K7ShbumWhmXhkNA_bitKfSt0

Make sure you copy and paste those entire links into the browser address bar. It should not be too difficult of a job, the book calls for about one and half hours to do it. You have to copy and paste the entire links. For some reason this website cut off the links early.

Here is more

https://www.dropbox.com/s/1bjmslrifv4cxfd/06%20Cadillac%20DTS%204.6%202wd%20starter.pdf?dl=0
Was this
answer
helpful?
Yes
No
+1
Sunday, October 29th, 2017 AT 2:19 PM
Tiny
KEN L
  • MASTER CERTIFIED MECHANIC
  • 55,535 POSTS
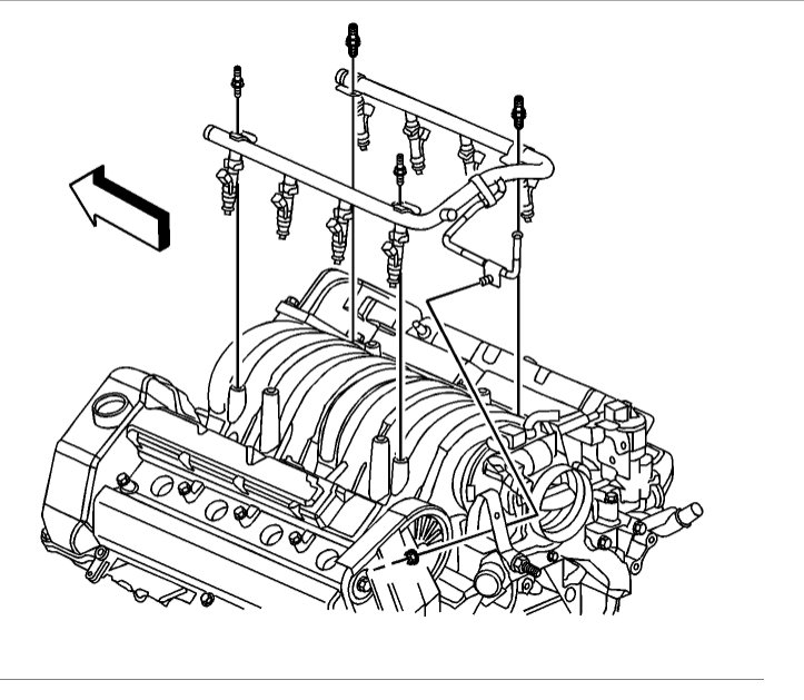
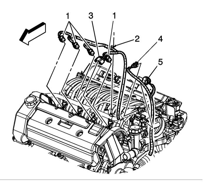
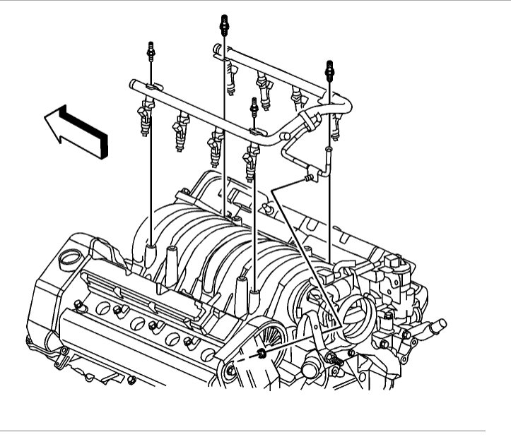
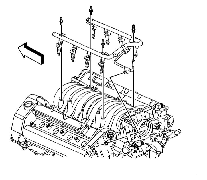
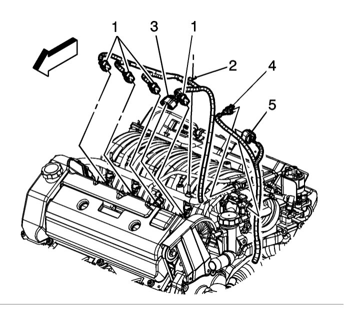
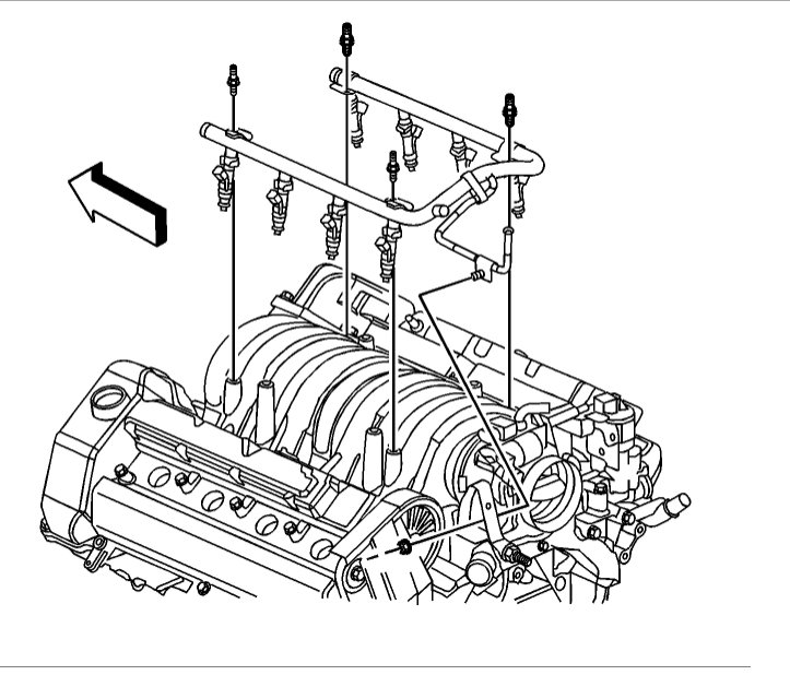
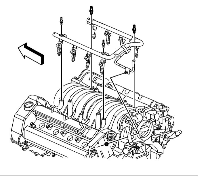
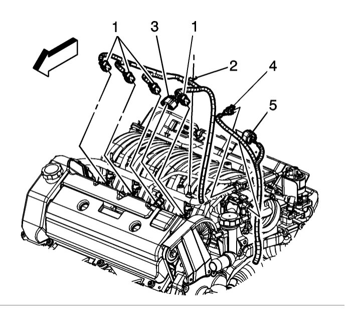
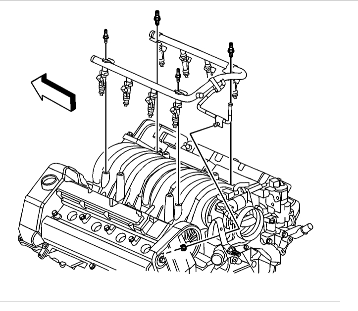
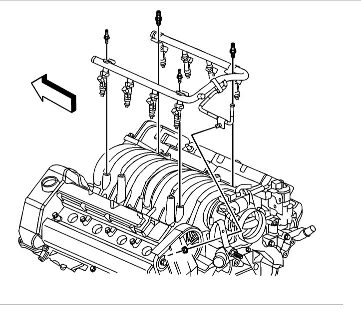
Here are more diagrams to help you get the job done. (below) also this guide will give you the basics of the replacement.

https://www.2carpros.com/articles/how-to-replace-a-starter-motor

and here is what you are in for when doing the intake

https://www.2carpros.com/articles/replace-intake-manifold-gasket

Tighten the intake manifold bolts. Tighten the bolts in the sequence shown to 10 Nm (89 inch lbs.)

Here are the starter replacement diagrams for your car

Please let us know what happens.

Cheers, Ken
Was this
answer
helpful?
Yes
No
+3
Tuesday, October 31st, 2017 AT 12:00 PM

Please login or register to post a reply.