Wednesday, June 23rd, 2021 AT 7:28 AM
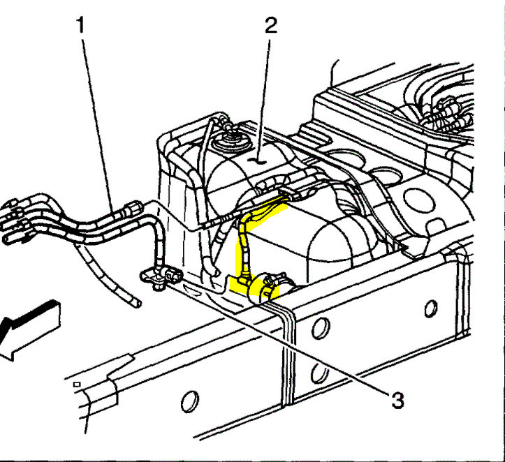
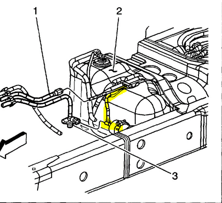
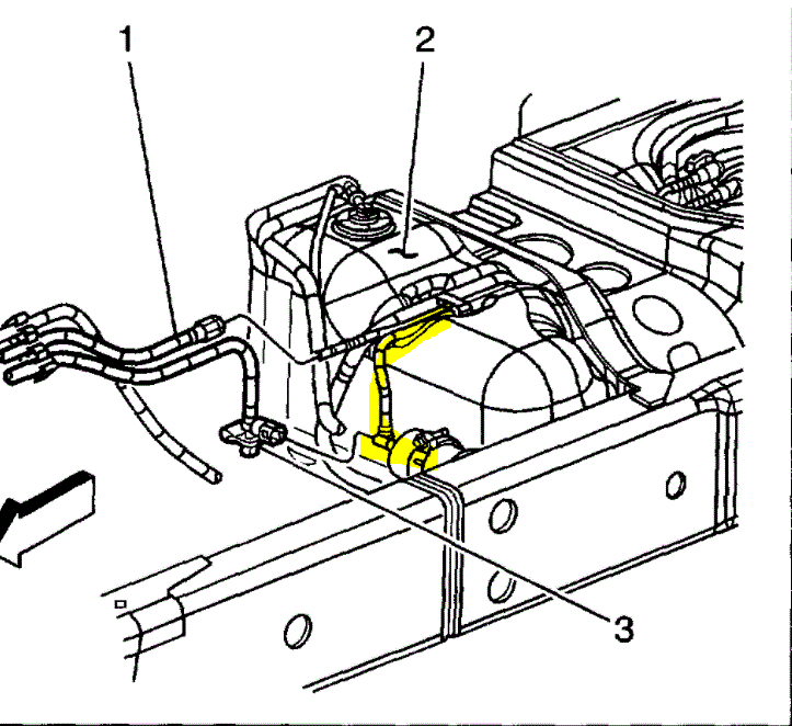
I drove to my grandkids house, when I went to leave it didn't want to go in reverse and shut off. I checked #41 relay, good power, checked #10 & #28 fuses, good. No fuel pressure at fuel filter. I changed the pump 5 times and the filter once. This pump will run great with the tank on the ground. When I put the tank up and connect lines there's 5 lbs only of pressure, I can't hear the pump at all and it won't start. There's fuel in the filter. I cannot find a loose, corroded or exposed wire. It will start only when I spray cleaner in the front but shuts off right away. I did have problems with the exhaust but was fixed. What do I do next? I have been having issues with the security light coming on. I had a hard time getting it to turn off so I could start it. This was before the fuel pump. Can I reset the security system to see if that works without putting in a new ignition? Then make sure I have enough gas in the tank. I checked fuses and none are blown but prongs were dirty so I cleaned them up so they get a good connection, #10 PCM B, #16 TBC Ignition 1, #22 ignition E, #25 ASLCS, #28 PCM module 1, #31 TBC, #34 ignition A, #36 ignition B, #41 fuel pump, #57 powertrain. I'm not having any luck. It's been down for a week and driving me crazy








