Monday, June 14th, 2021 AT 8:54 PM
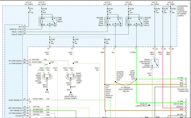
Truck listed above is a 1500 Laramie. Someone previous messed the harness. Well they all worked until I change burned out bulbs and now I don't know. There is a spliced wire into one that went directly into bulb socket and there are repeat colour wires on each side so I'm at a loss when looking at wiring diagram.





