02 heated circuits

Tiny
MARK FRIZZELL
  • MEMBER
  • 2009 CHRYSLER TOWN AND COUNTRY
  • 3.8L
  • 6 CYL
  • 2WD
  • AUTOMATIC
  • 158,000 MILES
It is actually a VW Routan, your options did not have it. The van was stalling during driving (limp mode) never shut off. Pulled codes, scanner said 1/1 failed. So just replaced both 1/1 and 1/2 also replaced coolant temperature sensor. Stalling is gone! But the scanner will not clear the heated circuits.
On both sensors! I looked for damage in wires I found none.
Any ideas?
Wednesday, June 27th, 2018 AT 1:38 PM

6 Replies

Tiny
STEVE W.
  • MECHANIC
  • 15,682 POSTS
So you had a code for B1S1 and replaced it and B1S2 and now have codes for both O2 heaters? What are the actual codes?
First thing I would check are the black wires the are the heater ground. It is a Chrysler product so bad grounds are common. Both of them join together with EGR, PCM, and a couple others and ground on the transmission case. More than once I have seen one or two break off and cause issues. Those are the only common item between those two that you may have tugged on while changing them.
Was this
answer
helpful?
Yes
No
+1
Thursday, June 28th, 2018 AT 10:18 PM
Tiny
MARK FRIZZELL
  • MEMBER
  • 142 POSTS
Okay, upon a pretty through check, continuity, ground is present. I see no voltage at either sensor for heater circuit, is there a fuse or something supplying them?
Was this
answer
helpful?
Yes
No
Wednesday, August 15th, 2018 AT 11:51 AM
Tiny
STEVE W.
  • MECHANIC
  • 15,682 POSTS
The voltage is supplied through the PCM directly. Both show Black as ground wires that connect at a splice and go to a ground at the transmission.

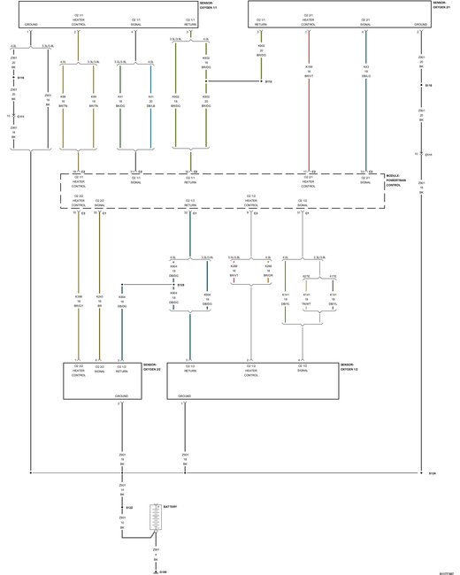
Sensor B1/1 shows power on a Brown w/Tan trace from PCM Connector 2 Pin 18
Sensor B1/2 shows power on a Brown w/Violet trace from PCM Connector 3 Pin 9

However there is only voltage to the sensors for a very short time normally. Here is the book test for the system. I cropped out a bunch of spaces and the PCM verification testing after every step, that just has you scan and clear any codes you set during testing.

Step 1 - Oxygen Sensor Wiring and Connectors

Turn the ignition off.
Using the wiring diagram/schematic as a guide, inspect the wiring and connectors between the oxygen sensor and the PCM for any damage.

Turn the ignition on.
Monitor the scan tool data relative to the sensor and wiggle test the wiring and connectors.
Look for the data to change or for a DTC to set during the wiggle test.

Were any problems found?
Yes - Repair as necessary.
No - Go to Test Step 2

Step 2 - Oxygen Sensor Voltage

Start the engine and allow it to reach normal operating temperature.
With a scan tool, monitor all O2 sensor voltage readings.
Is the voltage switching between 2.5 and 3.4 volts for all O2 sensors?

Yes - Go to Step 3
No - Go to Step 4

Step 3 - O2 Sensor Heater Operation

Turn the ignition off.
Wait a minimum of 10 minutes to allow the O2 sensor to cool down before continuing the test. Allow the O2 sensor voltage to stabilize at 5.0 volts.

Turn the ignition on.
With a scan tool, actuate the O2 sensor heater.
With the scan tool, monitor O2 sensor voltage for at least 2 minutes.
Does the voltage remain at more than 4.5 volts?

( During this step I would connect a voltmeter or test light to the heater wires mentioned above, either using piercing probes or remove a small part of the insulation to connect. That way you can see if the voltage is actually there. When you are finished testing use liquid electrical tape to seal the connection points you made )

Step 4 - O2 Sensor Test

Turn the ignition off.
Check for contaminants that may cause improper O2 sensor operation, such as contaminated fuel, unapproved silicone, or evidence of oil or coolant.
Disconnect the O2 sensor harness connector.

Turn the ignition on.

With a scan tool, monitor the O2 sensor voltage.
The voltage should be approximately 5.0 volts with the connector disconnected.

Connect a jumper wire between the signal circuit and the return circuit in the O2 sensor harness connector.

The voltage should drop from 5.0 volts to 2.5 volts with the jumper wire in place.

Is the O2 sensor voltage displayed on the scan tool as described?

Yes - Replace the O2 sensor.
No - Go to Step 5

Step 5 - O2 Sensor Signal Circuit

Using the wiring diagram/schematic as a guide, inspect the O2 sensor signal circuit and connectors between the O2 sensor and the PCM for any damage.
Check the O2 sensor signal circuit for a short to ground, open circuit, short to voltage, or high resistance.

Any problems found?
Yes - Repair as necessary.
No - Go to Step 6

Step 6 - O2 Sensor Return Circuit

Using the wiring diagram/schematic as a guide, inspect the O2 sensor return circuit and connectors between the O2 sensor and the PCM.
Check the O2 Sensor return circuit for a short to ground, open circuit, short to voltage or high resistance.

Any problems found?
Yes - Repair as necessary.
No - Go to Step 7

Step 7 - Powertrain Control Module Test

Using the wiring diagram/schematic as a guide, inspect the wiring and connectors for the O2 sensor at the PCM.
Look for any damaged wires or bad connectors.

Monitor the scan tool data relative to the components tested in this procedure and wiggle test the wiring and connectors.

Were any problems found?
Yes - Repair as necessary.

No - Replace and program the PCM.
Was this
answer
helpful?
Yes
No
+2
Wednesday, August 15th, 2018 AT 1:05 PM
Tiny
MARK FRIZZELL
  • MEMBER
  • 142 POSTS
Went through, that I am not getting any voltage out of PCM for heaters only, the signal side works.
Was this
answer
helpful?
Yes
No
Wednesday, August 15th, 2018 AT 1:45 PM
Tiny
STEVE W.
  • MECHANIC
  • 15,682 POSTS
If nothing out of the PCM when they are commanded on then it is likely a bad driver in the PCM itself. There is no independent power to them. It comes through the PCM. It runs fine and no other power related issues correct? You could use a test light and go over the fuses, the diagrams don't show which of the PCM power feeds do what. The other thing is did you test the ground with a load on it more than a low power test light or meter? Try running the ground side of your tester directly to the battery ground. Then probe those two power feeds. If you command them on and still get nothing. The PCM would be the only item.
Was this
answer
helpful?
Yes
No
+1
Wednesday, August 15th, 2018 AT 3:17 PM
Tiny
STEVE W.
  • MECHANIC
  • 15,682 POSTS
Wiring diagram for the heaters. Testing enlargement issue.
Was this
answer
helpful?
Yes
No
Thursday, August 16th, 2018 AT 2:07 PM

Please login or register to post a reply.