Friday, November 27th, 2020 AT 12:31 PM
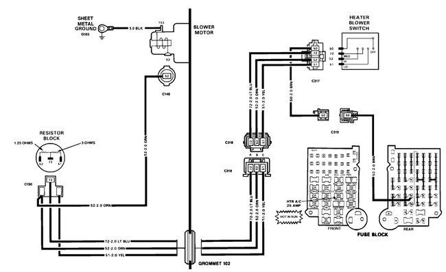
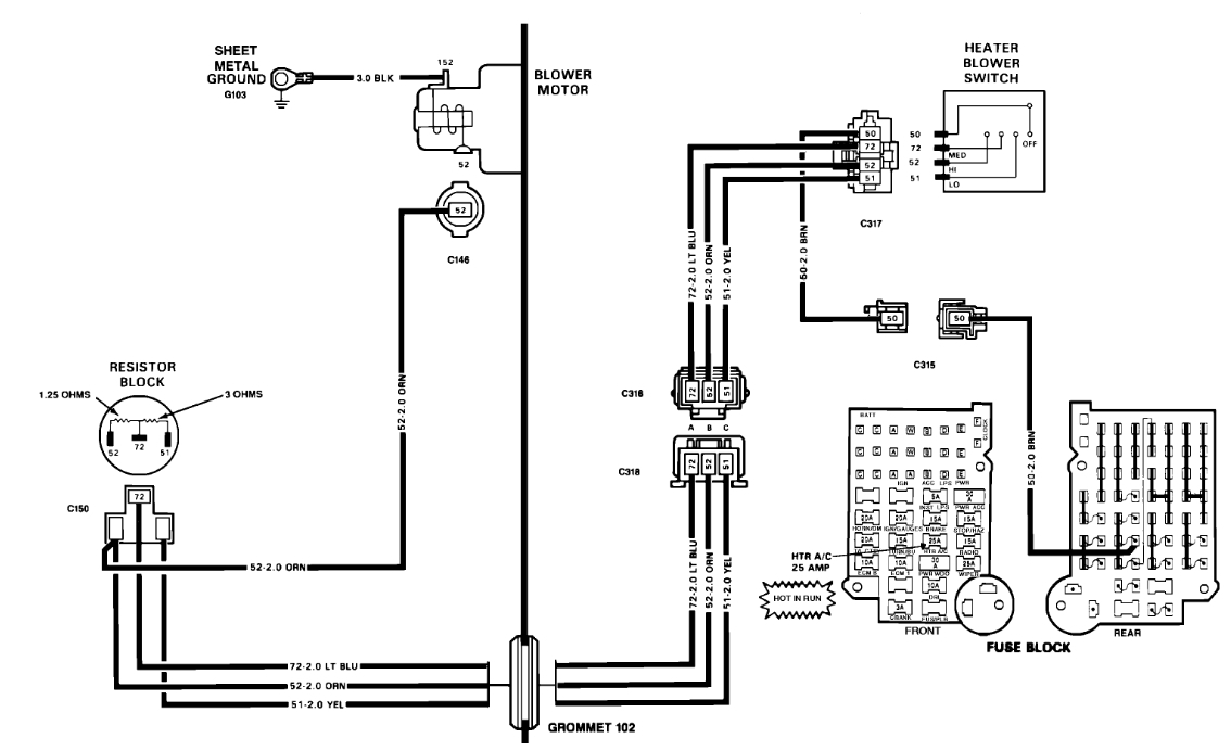
Can't define what color or #number vent door dial correlates with the 2 Actuators under dash on left side for the plenum flaps 1 has 2 ports and has 1. Number two (Electrical)? Also, I can't clearly define were the extra single wires plug into the fuse box Eg: The pink brown orange etc.


