Sunday, November 4th, 2018 AT 6:42 AM
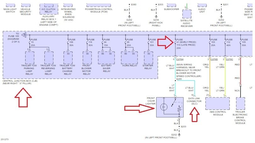
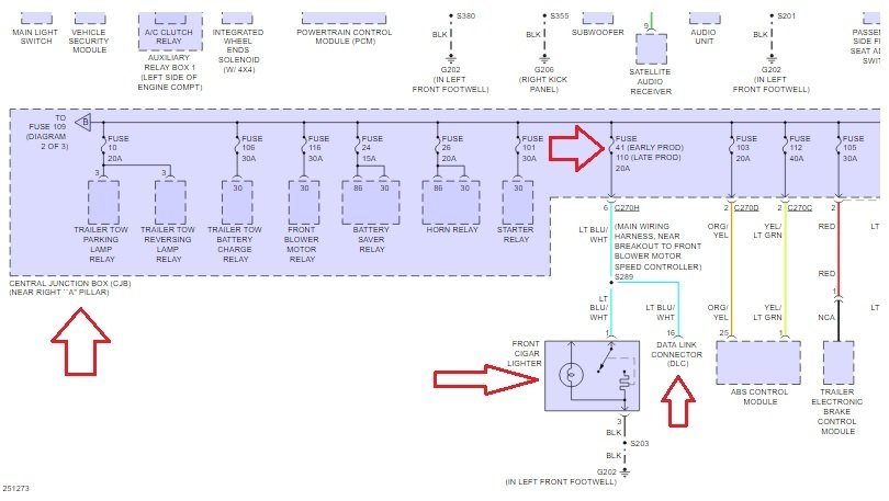
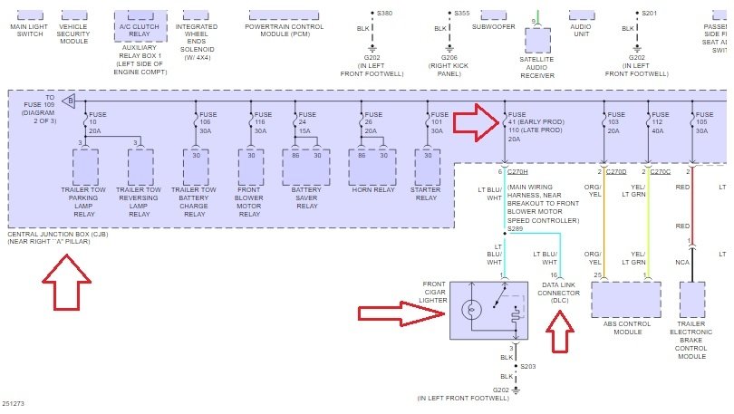
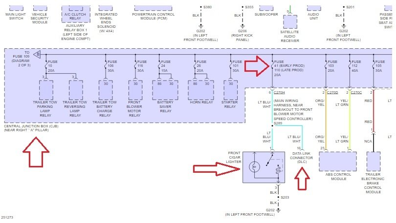
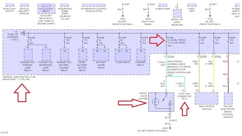
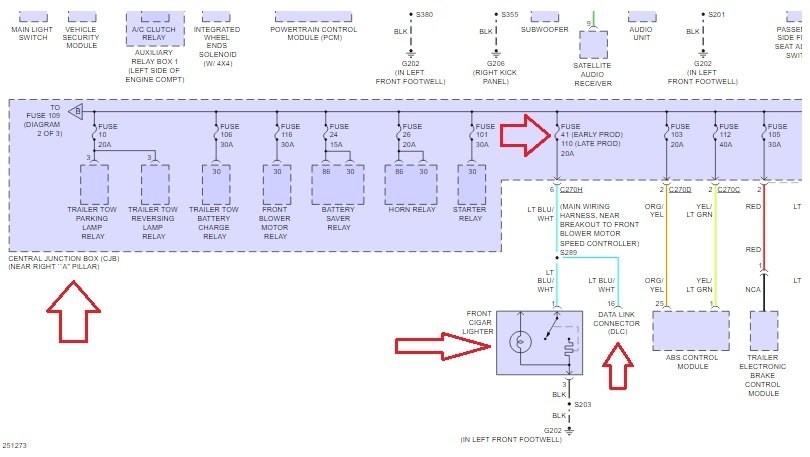
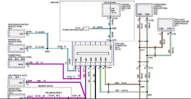
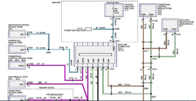
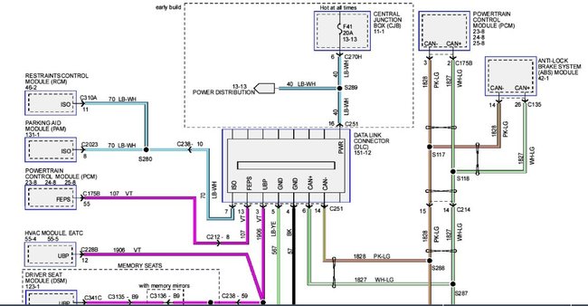
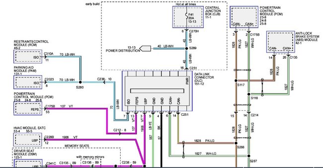
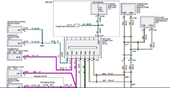
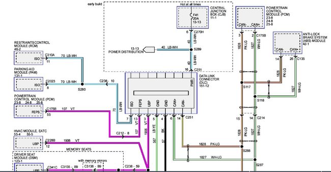
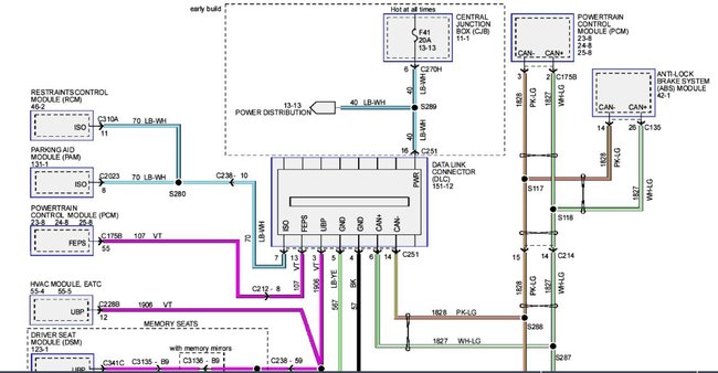
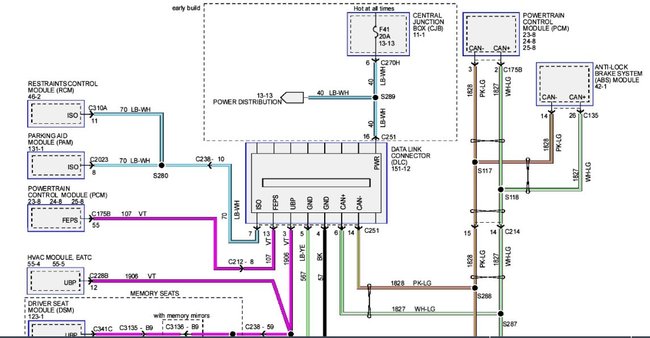
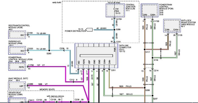
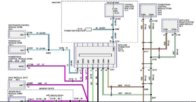
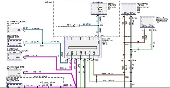
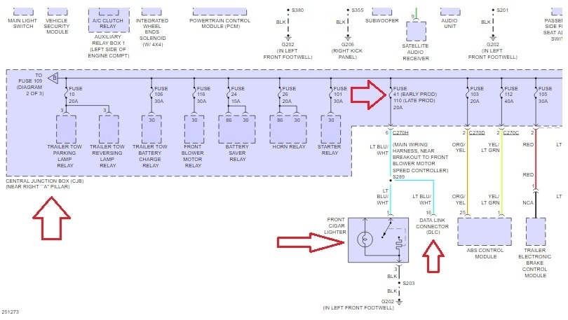
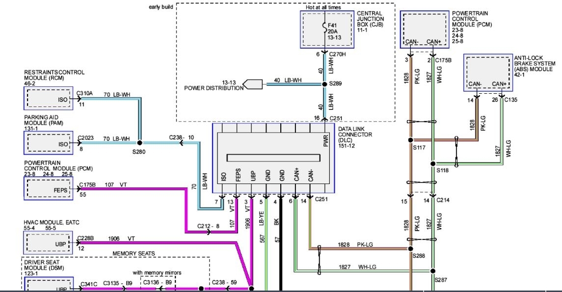
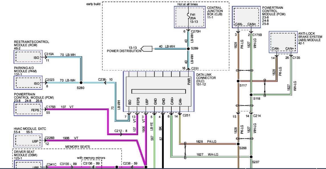
The OBD port will not work the cigarette lighter will not work in the 12 volt accessory plug-in on the dash will not work. I have replaced the cigarette lighter still not working. I have checked all connections, I have also checked all fuses they are good. What could be the problem? Thanks for any advice.








