Will not start after a wrench touched the positive and negative terminal on my battery while it was running

Tiny
JAMIE LINN
  • MEMBER
  • 2001 AUDI TT
  • 1.8L
  • 5 CYL
  • TURBO
  • 2WD
  • MANUAL
  • 94,000 MILES
Is there a reset or something or am I bumming?
Tuesday, May 19th, 2020 AT 8:05 PM

1 Reply

Tiny
JACOBANDNICKOLAS
  • MECHANIC
  • 110,194 POSTS
Hi,

Are other electrical components working? Also, is the starter engaging and turning the engine or has that stopped working?

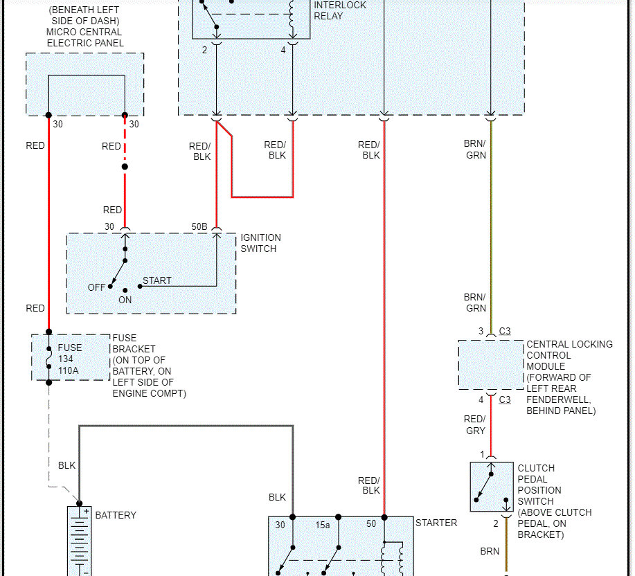
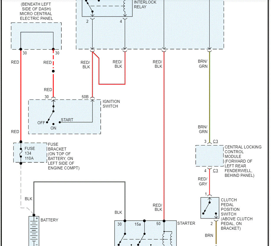
Do me a favor. There is a fuse near the battery fuse box. I attached a picture below identifying it. Check to make sure it didn't blow.

Let me know.

Joe
Was this
answer
helpful?
Yes
No
Tuesday, May 19th, 2020 AT 9:05 PM

Please login or register to post a reply.