Friday, March 6th, 2020 AT 12:18 PM
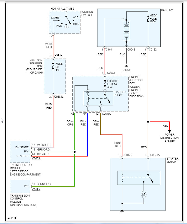
When I put the electronic key in the dash. The dash lights won't come on. In turn I can't start the car. Battery has been changed. Wiring in foot well has been checked as was told maybe a plug come loose. Have also been told it may have something to do with the steering lock not releasing when the key goes in the dash.



