Cranks but will not start

Tiny
KATSNYDER
  • MEMBER
  • 1998 DODGE DAKOTA
  • 3.9L
  • 6 CYL
  • 2WD
  • AUTOMATIC
  • 339,200 MILES
We were driving and the truck shut off. The engine turns over and sometimes it acts as if it is going start but does not. It will start if we spray the throttle body with carburetor cleaner and run until it burns up what is in the throttle body. We have replaced the fuel pump, cleaned out the fuel rail and cleaned the fuel injectors. Still the same, turns over but will not start. We had it checked for codes and it is not throwing any. Any ideas? My husband wants to know if carburetor cleaner has a lower flash point than gasoline. He checked one spark plug wire and found that there is barely any fire in it. When he pulled it off it broke and he had to repair it, just so you know!
Thanks,
Kat
Friday, May 25th, 2018 AT 10:14 AM

5 Replies

Tiny
PATENTED_REPAIR_PRO
  • MECHANIC
  • 1,853 POSTS
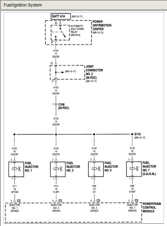
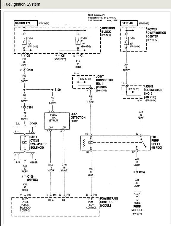
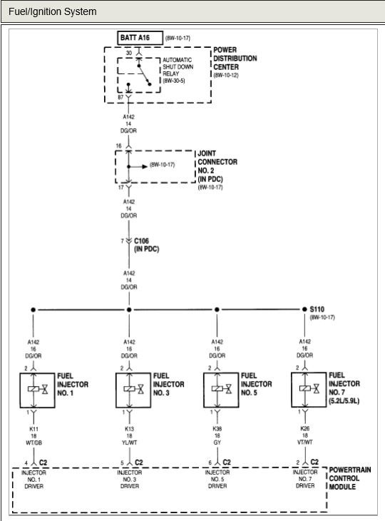
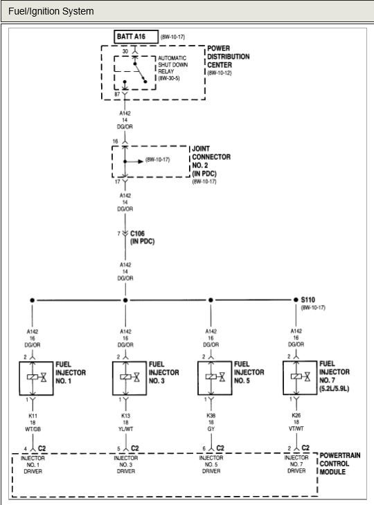
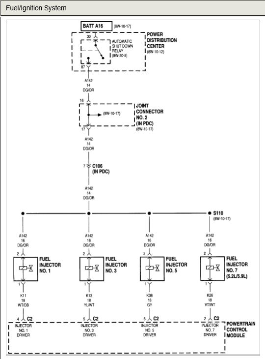
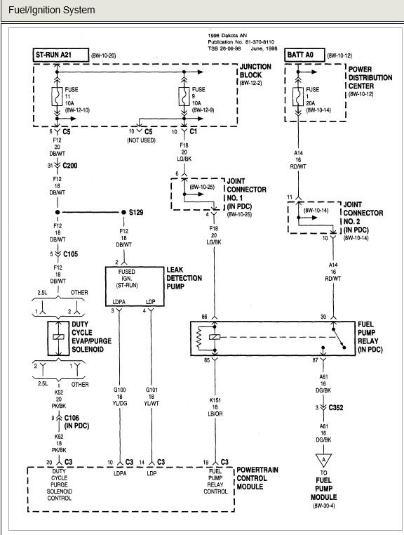
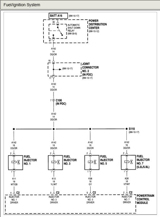
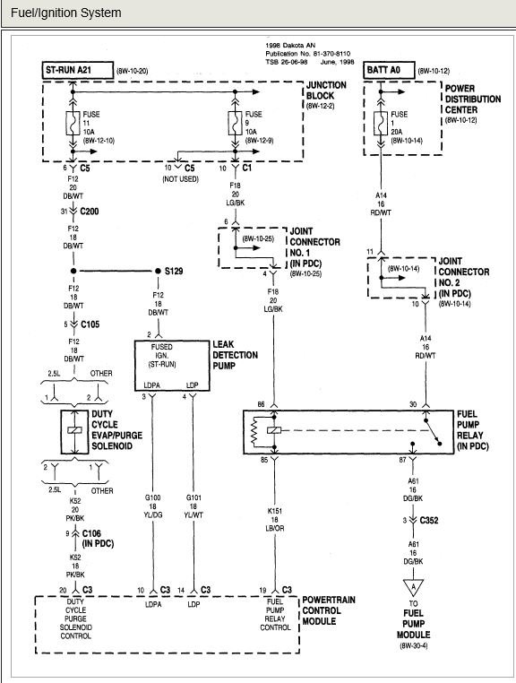
If it starts with the carburetor cleaner then it should start if the fuel system is working. So first confirm that the fuel pump runs for a few seconds once the key is first turned to run. If not check the fuel pump fuse/s and if okay, try a new fuel pump relay.
If the fuel pump does run, check the fuel injector fuse/s.
Was this
answer
helpful?
Yes
No
+2
Friday, May 25th, 2018 AT 1:46 PM
Tiny
KATSNYDER
  • MEMBER
  • 3 POSTS
We changed the coil pack today, it still just turns over but will not start. Yesterday my husband checked the fire in the broken/fixed plug wire, it was very weak. When we cleaned the fuel rail and fuel injectors there was gas in them which tells me gas is flowing through but it does not seem to be igniting. Today, the truck "tank" did not even act like it was going to start. He just kept turning over. I am trying to remember ever thing I can so you get a fuller picture of what might be going on. We will try what you told us to try. I am praying it works! If not, on to the next thing it might be!
Thanks ya'all
Kat
Was this
answer
helpful?
Yes
No
Saturday, May 26th, 2018 AT 5:26 PM
Tiny
PATENTED_REPAIR_PRO
  • MECHANIC
  • 1,853 POSTS
If the engine starts with carburetor cleaner or better yet starting fluid, then the ignition is enough although it may be weak, but still enough and if you have gas up to the fuel rail, about the only thing left is the fuel injectors not working. Either they have no voltage to them, like when the fuse is blown, so check to make sure the fuel injectors do have twelve volts to them with the key on run, then if they do possibly they are not pulsing, which could be because or either a faulty crankshaft position sensor or a fault with the power-train control module, so check the power-train control module fuses and you should have the trouble codes read cause you may have a code set that might give a clue. If there is a security light or theft light on, than that is the problem so if it is, try a spare key and if you have none, try cleaning off that key where the pellet is and try it again but if that does not work a scan tool may be needed to check for any security codes to find out what is wrong with the security, if the security or theft light is remaining on past ten seconds or so, or if the light is flashing which means it is even more important.
As far as the weak spark goes, make sure the coil pack is receiving the full twelve volts from the battery.
Was this
answer
helpful?
Yes
No
Saturday, May 26th, 2018 AT 5:38 PM
Tiny
KATSNYDER
  • MEMBER
  • 3 POSTS
Thank you for answering so quickly! We will try what you said and let you know the results. Again, thank you for answering so quickly!
Kat
Was this
answer
helpful?
Yes
No
Saturday, May 26th, 2018 AT 6:05 PM
Tiny
PATENTED_REPAIR_PRO
  • MECHANIC
  • 1,853 POSTS
You are quite welcome!
Was this
answer
helpful?
Yes
No
Saturday, May 26th, 2018 AT 6:12 PM

Please login or register to post a reply.