Will not start?

Tiny
ELIZABETH SELF
  • MEMBER
  • 1998 CHRYSLER SEBRING
  • 2.5L
  • 4 CYL
  • 2WD
  • AUTOMATIC
  • 200,000 MILES
Motor won't turn, starter turns fine after taking the starter off to clean it. It does turn the motor.
Tuesday, July 25th, 2023 AT 7:46 PM

1 Reply

Tiny
JACOBANDNICKOLAS
  • MECHANIC
  • 110,192 POSTS
Hi,

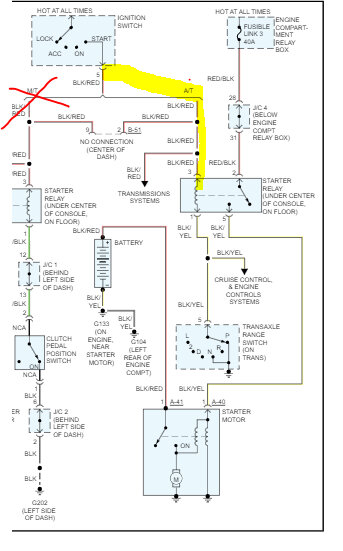
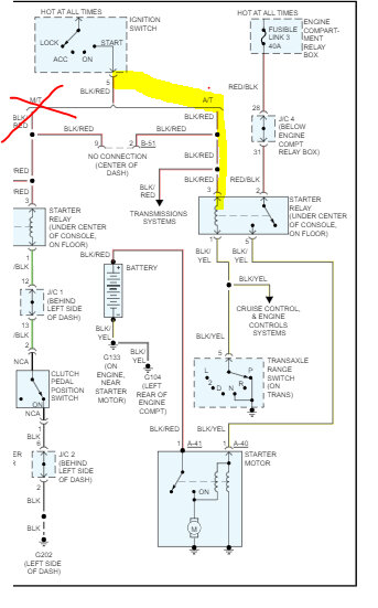
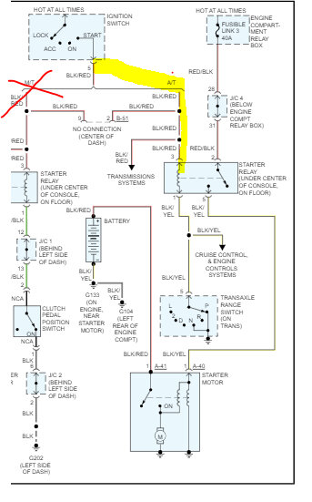
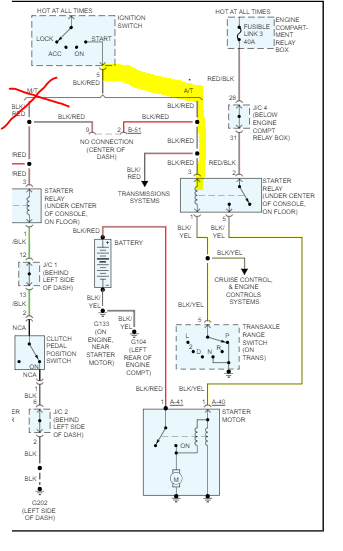
If the starter is good, we need to check if it is getting power when it is installed.

If you look below, I attached the wiring schematic related to the starter system. What I need you to do is check for power to the heavy gauge wire first. It will be a black wire with a red tracer. Note: That has battery voltage at all times, so don't short it.

If that has power, we need to check the smaller gauge wire for power. This wire will be black with a yellow tracer. It will only have power when the key is in the start position, so you will need a helper to turn the key while you check.

Try this and let me know the results.

Take care,

Joe

See pic below. Note: The schematic is for either a manual or automatic transmission. I placed an X over the manual side, so ignore that side.
Was this
answer
helpful?
Yes
No
Tuesday, July 25th, 2023 AT 10:12 PM

Please login or register to post a reply.