Will not start

Tiny
PACHYAUTO63
  • MEMBER
  • 1994 GEO TRACKER
  • 1.8L
  • 4 CYL
  • 2WD
  • MANUAL
  • 150,000 MILES
There is fire to the coil and to distributor but no fire from distributor to spark plug. Installed new distributor, but still won’t start.
Wednesday, June 9th, 2021 AT 12:36 PM

1 Reply

Tiny
JACOBANDNICKOLAS
  • MECHANIC
  • 110,192 POSTS
Hi,

If you remove the coil wire from the distributor cap, do you see spark when cranking the engine? If you do, either there is no distributor rotor or the distributor isn't turning.

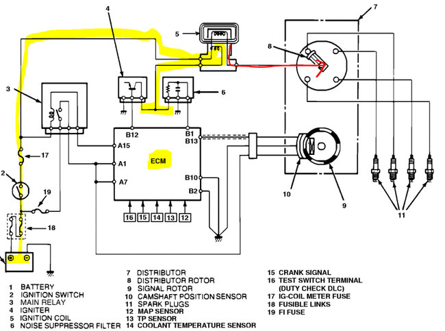
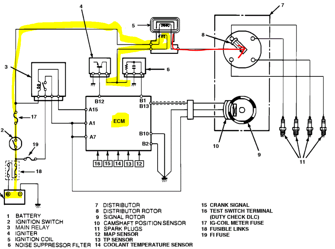
I attached a schematic below showing how the system works. Power comes from the battery to the + on the coil. From there, power is grounded via the ECM. When the ECM removes the ground, power finds the next easiest path to ground, and that is to the spark plugs. The signal (removal of ground) is initiated by the signal rotor/camshaft position sensor (which is in the distributor).

Take a look at the schematic below. I highlighted power to the coil and how it grounds through the ECM. I used a red pen showing where the power goes after the ground path is lost.

Did the new distributor come with a new signal rotor and cam sensor?

Let me know.

Joe
Was this
answer
helpful?
Yes
No
Wednesday, June 9th, 2021 AT 10:14 PM

Please login or register to post a reply.