Intermittent engine will not crank and security light on

Tiny
FGR8FRK
  • MEMBER
  • 2002 CHEVROLET MONTE CARLO
  • 3.8L
  • 6 CYL
  • 2WD
  • AUTOMATIC
  • 236,000 MILES
Intermittingly I get in to start and get the security light no crank issue. In the past I've done the 10 minutes x 3 = worked, get out lock, unlock get in headlight on/off 3 times = worked, and 1 where you wait for the radio display to go out = worked.
This last time none of these worked.
Being frustrated I was trying different things and out of the blue when I turned the key to start and moved the shifter towards neutral when it got to neutral it started. I've noticed in many threads it talks about and shows the security light "flashing", mine is on steady alternating with the red brake light, but never has flashed. Curious if flashing and steady are the same or do they mean two different things. Anyway, I'm too old to be sitting in the freezing cold waiting for it to decide to start. Thanks in advance for any advice given.
Sunday, February 20th, 2022 AT 3:30 PM

9 Replies

Tiny
KASEKENNY
  • MECHANIC
  • 18,907 POSTS
I totally understand that waiting for the lock out to shut off is not desirable so let's figure out what is going on.

The flashing and steady light do not mean the same thing. Basically, the steady light means the system is on and not allowing the start because there is an issue.

The flashing means the vehicle thinks it is being stolen if it is a fast flash. If it is slow then it is just not turned off and it is not recognizing that the key is being turned.

No matter what, there should be some codes that will point us in the right direction so let's start with checking for codes and see what is there.

Here is a guide that will help with this:

https://www.2carpros.com/articles/checking-a-service-engine-soon-or-check-engine-light-on-or-flashing

If there are no codes then more then likely we have a key or immobilizer issue so I would suggest trying another key, assuming you have a second.

I am attaching some info on this including the normal codes that we get when there is an issue but let me know what codes are there and we can take the next steps.

Thanks
Was this
answer
helpful?
Yes
No
+1
Monday, February 21st, 2022 AT 6:33 PM
Tiny
FGR8FRK
  • MEMBER
  • 51 POSTS
Only code is an o2 sensor p0137. I do have an extra key I had made when I acquired this car and did try both when the issue flared up.
Was this
answer
helpful?
Yes
No
Tuesday, February 22nd, 2022 AT 11:23 AM
Tiny
KASEKENNY
  • MECHANIC
  • 18,907 POSTS
Okay. Clearly the o2 code is not going to be related so the only things that make sense since both keys are doing this, is that the BCM is not deactivating the system.

Clearly at this point it is still a guess because it could be a faulty ignition switch not sending the key info to the BCM but what is happening is when the BCM is supposed to turn off the theft system, it is not doing it. So, it is either not getting the signal or not sending the signal.

So, the way we need to confirm this is using a scan tool when it is acting up to watch the BCM data and see if it is recognizing the ignition switch status.

This signal is sent on the communication network so we will not be able to just monitor the voltage on the circuit as it is a coded message, and we need the scan tool to read it.

How often does this happen? Is it something that is predictable like it only does in the mornings or after you drive it?

If not, then we will just to be prepared or start replacing parts just to see if it acts up again. Clearly if you replace something and it doesn't act up then that was the issue, but this is not something that I would recommend because it can get costly and frustrating.
Was this
answer
helpful?
Yes
No
+1
Wednesday, February 23rd, 2022 AT 5:42 AM
Tiny
FGR8FRK
  • MEMBER
  • 51 POSTS
Thanks again. I have a creader 129 and the only option that I see in the body section is ignition voltage and restraint status. If that's not going to be what I need then I guess it will be replacing stuff. I have seen in some videos where they're splicing a 2200 resistor between a yellow and black wire that goes to the ignition switch. What are your thoughts on that please?
Was this
answer
helpful?
Yes
No
Monday, February 28th, 2022 AT 11:52 AM
Tiny
KASEKENNY
  • MECHANIC
  • 18,907 POSTS
Unfortunately, this can work for the GM vehicles that have a resistor in the key that is matched to the module.

However, your vehicle has a transponder key that sends a signal that the ignition switch picks up and sends a coded message to the BCM.

It doesn't use the resistor bypass method. Plus, you would need to check the key to get the resistance pellet to know what size resistor you need to use. So, if you look at the metal part of the key towards the plastic part there is no pellet in the metal part.

How often does this happen?

I attached a picture below of a pellet key.
Was this
answer
helpful?
Yes
No
Monday, February 28th, 2022 AT 2:13 PM
Tiny
FGR8FRK
  • MEMBER
  • 51 POSTS
Yes, it does not have the pellet. I don't drive it often, this last time it did it I had let my son use it to get to work and on the 4th day he had it, he guessed it failed about the 20th start. The last time I had it fail was roughly the same number of days but I would guess closer to the 10th cycle it failed. I'm currently on the second day of driving it and have started it about 6 times thus far.
Was this
answer
helpful?
Yes
No
Monday, February 28th, 2022 AT 10:58 PM
Tiny
KASEKENNY
  • MECHANIC
  • 18,907 POSTS
Okay. So unfortunately, this is going to be tough to confirm the issue which means we would need to guess at it but I would not suggest doing that.

So, this means we need to locate a scan tool with a friend or just have a shop look at it, but they need to operate it enough to get it to act up. If it doesn't act up while they are monitoring it, then we are not going to figure out what is happening.
Was this
answer
helpful?
Yes
No
Tuesday, March 1st, 2022 AT 4:23 AM
Tiny
FGR8FRK
  • MEMBER
  • 51 POSTS
As far as throwing parts at it. What would those be? BCM, Ignition Switch? You said something about an immobilizer? In the meantime I will try to secure an appropriate scan tool.
Was this
answer
helpful?
Yes
No
Tuesday, March 1st, 2022 AT 9:30 AM
Tiny
KASEKENNY
  • MECHANIC
  • 18,907 POSTS
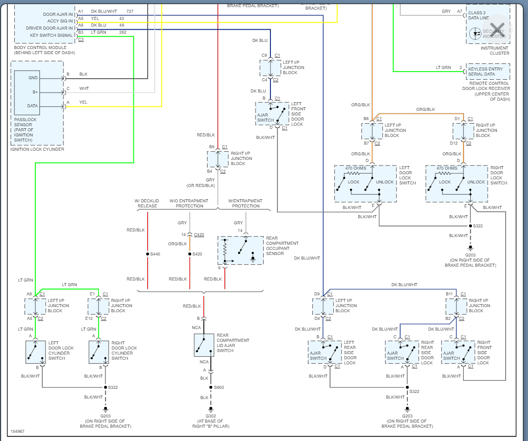
Yes. The most likely cause of this is an ignition switch/immobilizer which appears to be one part. Then the BCM as well.

I am attaching the info on both these below.
Was this
answer
helpful?
Yes
No
Tuesday, March 1st, 2022 AT 3:17 PM

Please login or register to post a reply.