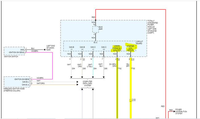
I have the vehicle listed above SE model. I turn the key on and get power to everything. Try to start the car and nothing happens. I have replaced the ignition switch, battery, and alternator. I have checked all wires, and all seem to be okay.
Note: when I turn the key to the start, the power to the radio and switches on doors cut off until I turn back to acc mode.
I can turn the key many times and eventually it will catch and start but I have to turn key way too many times.
My next idea is to replace the PCM.
and it’s throwing many codes.
Any input or ideas I may be missing?
Note: when I turn the key to the start, the power to the radio and switches on doors cut off until I turn back to acc mode.
I can turn the key many times and eventually it will catch and start but I have to turn key way too many times.
My next idea is to replace the PCM.
and it’s throwing many codes.
Any input or ideas I may be missing?
May 26, 2023 at 6:10 AM

