Friday, October 18th, 2024 AT 4:56 AM
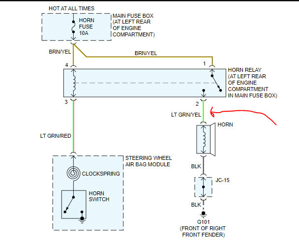
I’m currently in the process of installing aftermarket power door lock actuators and I’ve got everything wired up except the 2 pink wires that are supposed to be connected to the turn signals and the orange wire that is supposed to be connected to the horn if you could please let me know the easiest and best spot to tap into those wires I’d really appreciate it. The “brainbox” for the locks is in the driver's side kick panel and the wires are approximately 2 1/2 ft long. Sadly, that is all the instructions that came with the kit.




