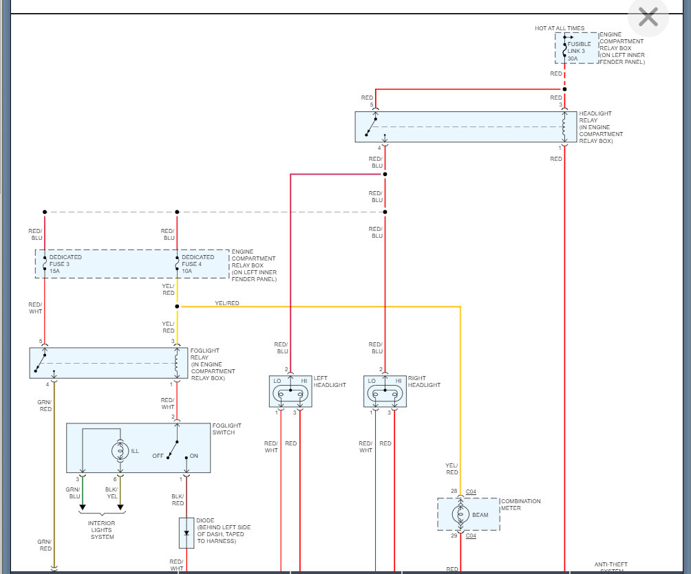
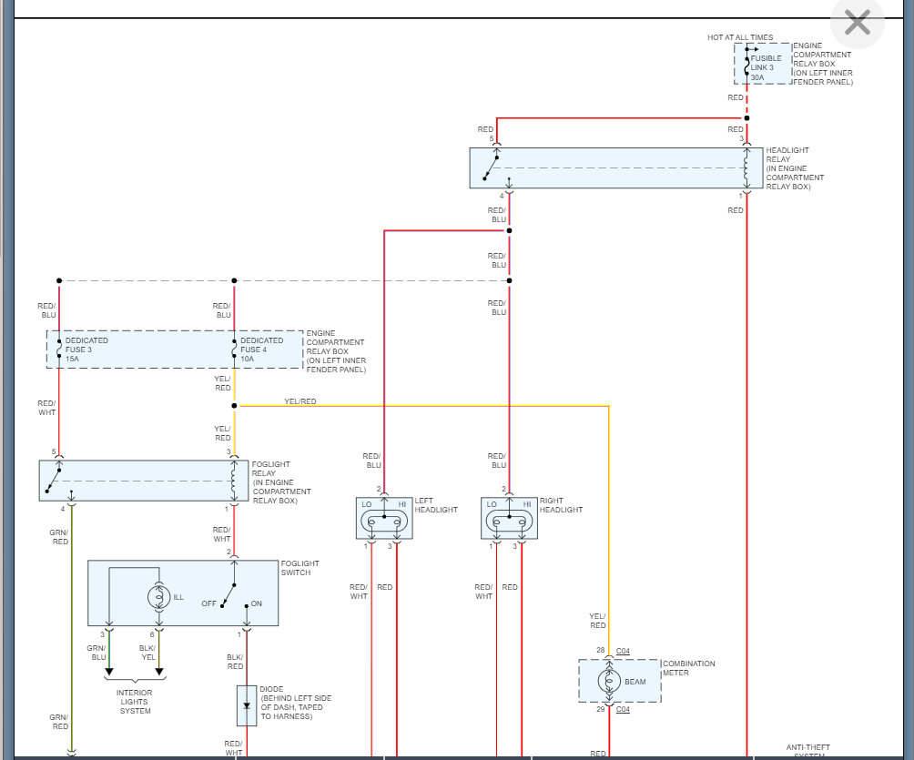
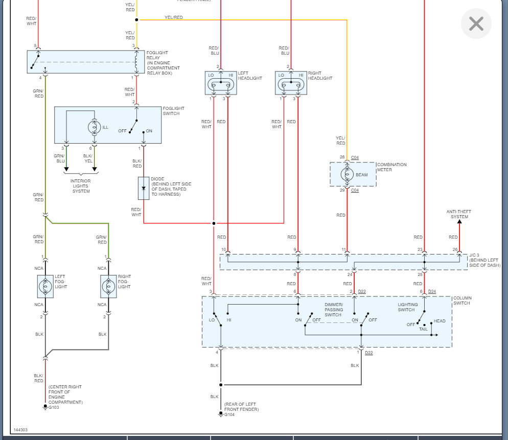
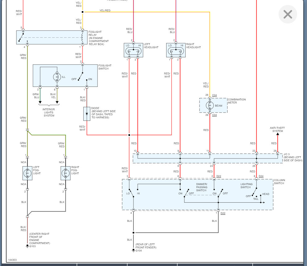
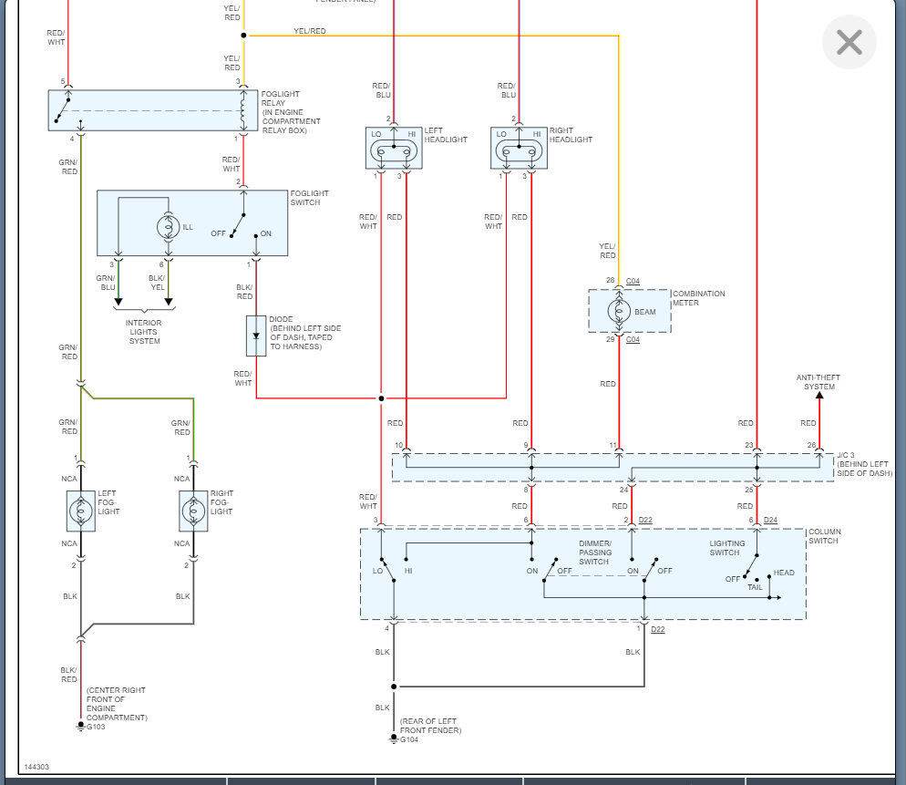
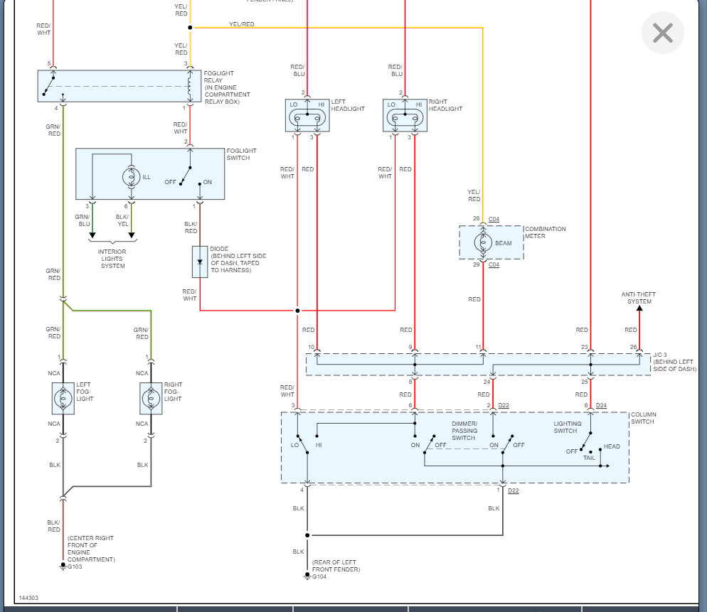
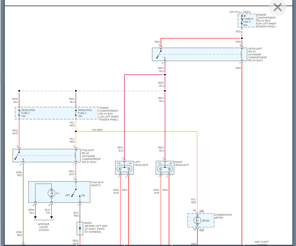
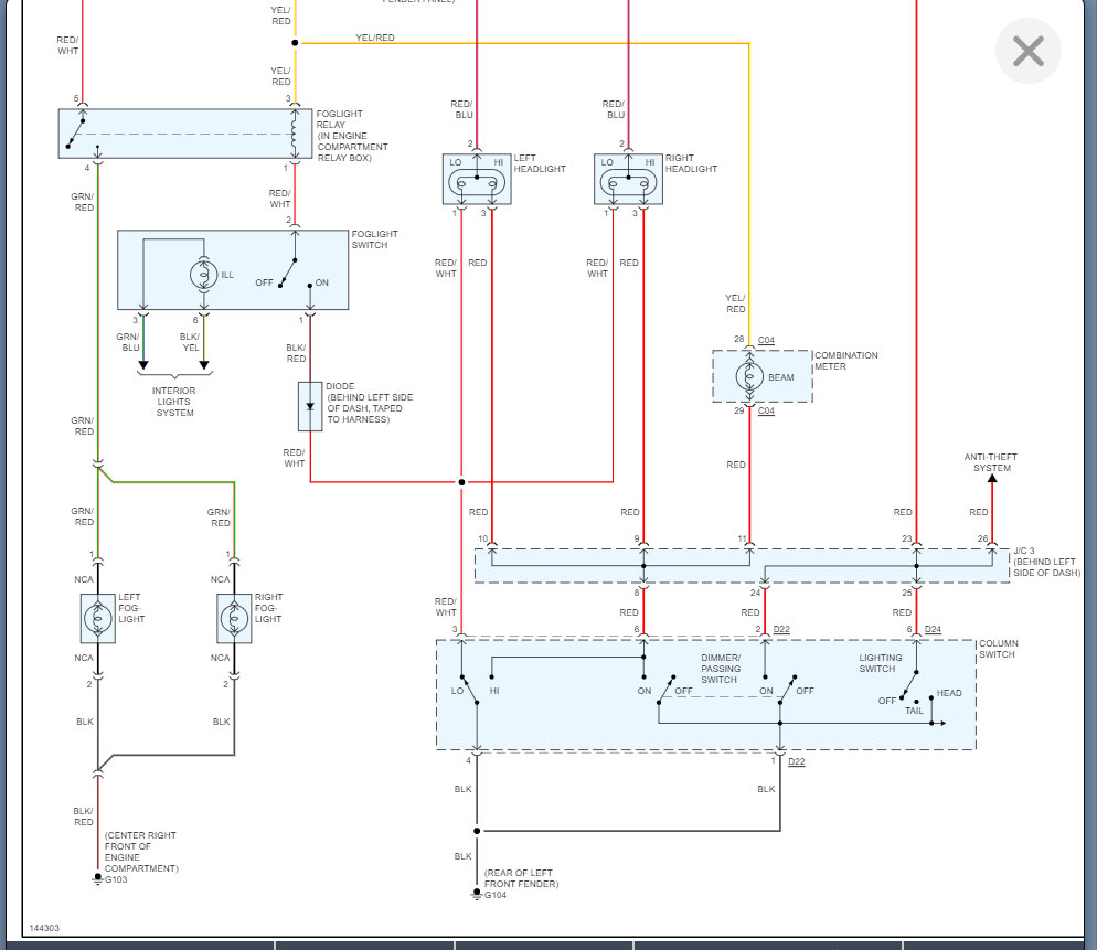
The new headlights have a standard 3 pin connector for the hi and lo beams, and they also have 2 leads (pos and neg) going to the LEDs, which are a row of parking lights across the bottom of the assembly, and 2 halo LEDs that are mainly aesthetic and go around the hi and lo beam projectors.
The car doesn't have a 3-pin connector and doesn't have anything for the 2 other leads on the new assembly.
The old headlights are self-leveling and have 3 plugs going into the assembly (ignoring the hazard and turn signal).
How would one re-wire these to allow for the new 3-pin adapter and the new wires to power the LEDs? And if you say take it to a mechanic, trust me, I already tried. Nobody will work on this for me.
Sunday, May 1st, 2022 AT 12:08 PM


