Tuesday, April 26th, 2016 AT 2:21 AM
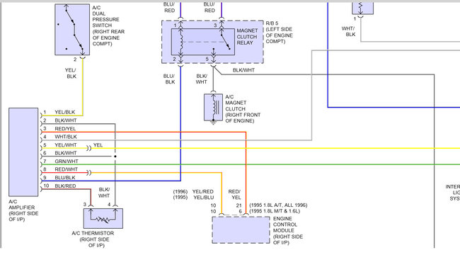
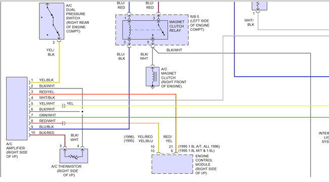
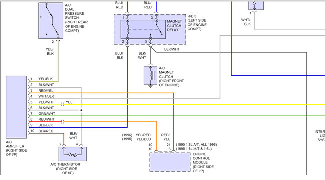
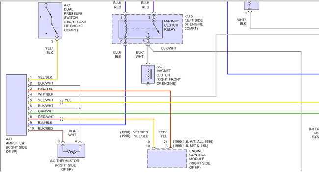
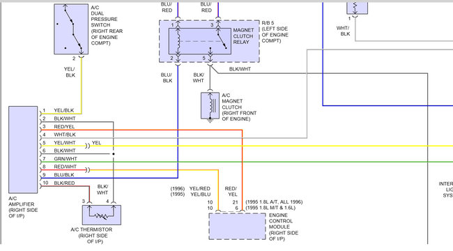
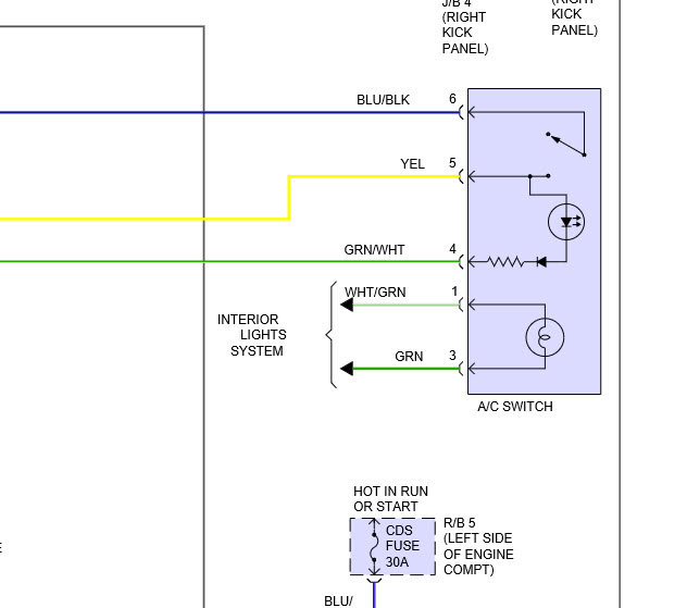
Color coding or wiring diagramming of the sub wiring harness from air conditioner amp to the the thermistor and main connector of the car? The old one was removed and not replace by a knew one. Thanks






