Wiring harness

Tiny
BRYAN KEITH
  • MEMBER
  • 2001 FORD FOCUS
  • 4 CYL
  • 167,000 MILES
Need to know what wires go where when hooking up a Sony exploid cfx-gt620ip.
Monday, July 30th, 2018 AT 4:15 PM

2 Replies

Tiny
DANNY L
  • MECHANIC
  • 5,648 POSTS
Hello, I am Danny.

Just a quick question. Is this a head unit or amplifier you are wanting to hook up?
Danny-
Was this
answer
helpful?
Yes
No
Monday, July 30th, 2018 AT 5:13 PM
Tiny
STEVE W.
  • MECHANIC
  • 15,608 POSTS
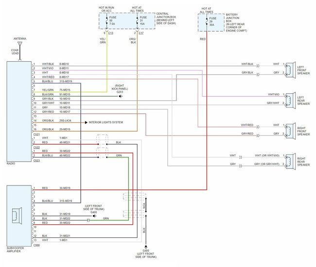
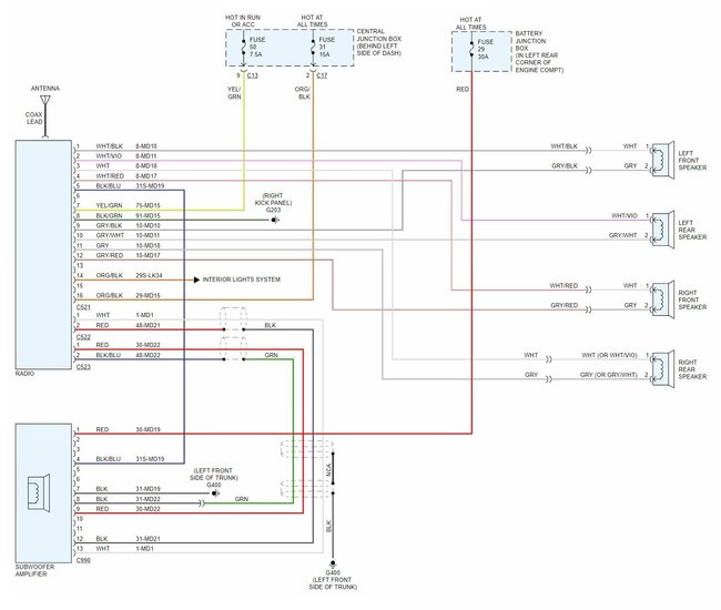
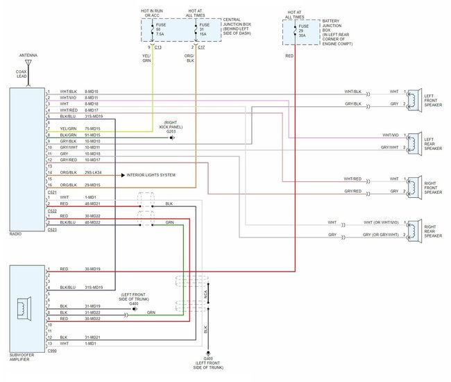
Looks like a head unit. Attached you will find the wiring for the base and up-level units. If you have the factory amp you may need a signal adapter if you want to use it.
Was this
answer
helpful?
Yes
No
Monday, July 30th, 2018 AT 7:13 PM

Please login or register to post a reply.

Related General Content