Wednesday, October 4th, 2023 AT 7:26 PM
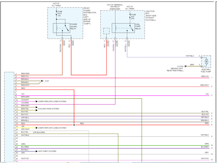
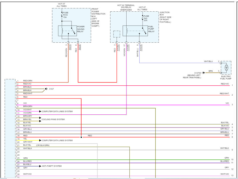
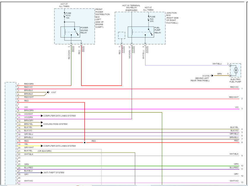
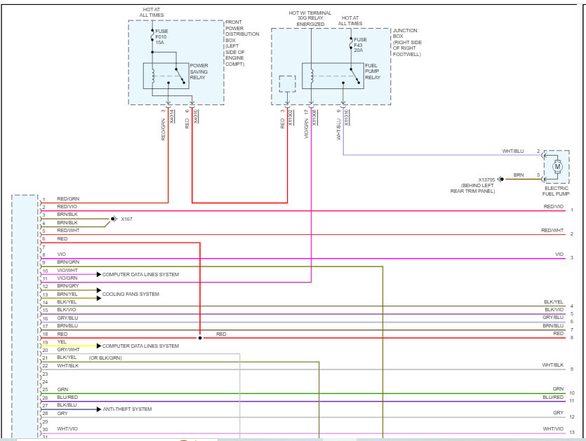
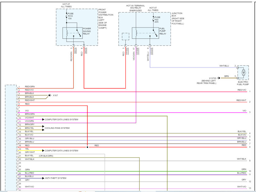
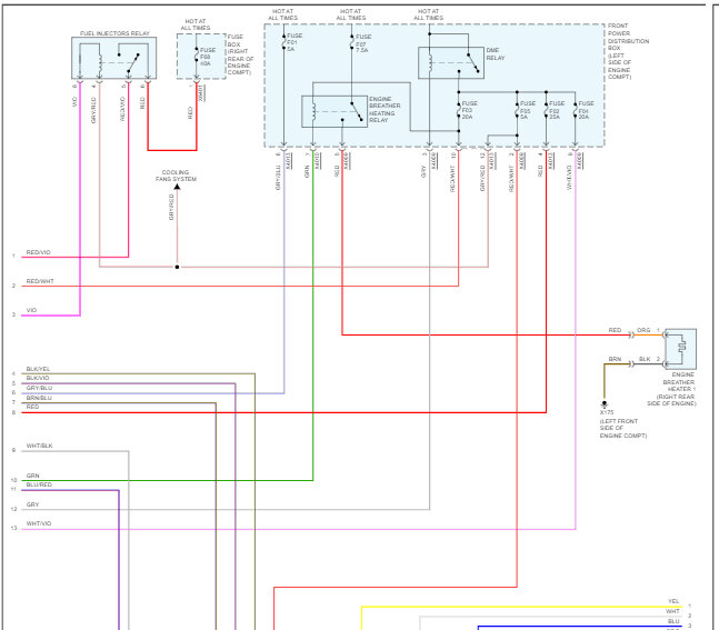
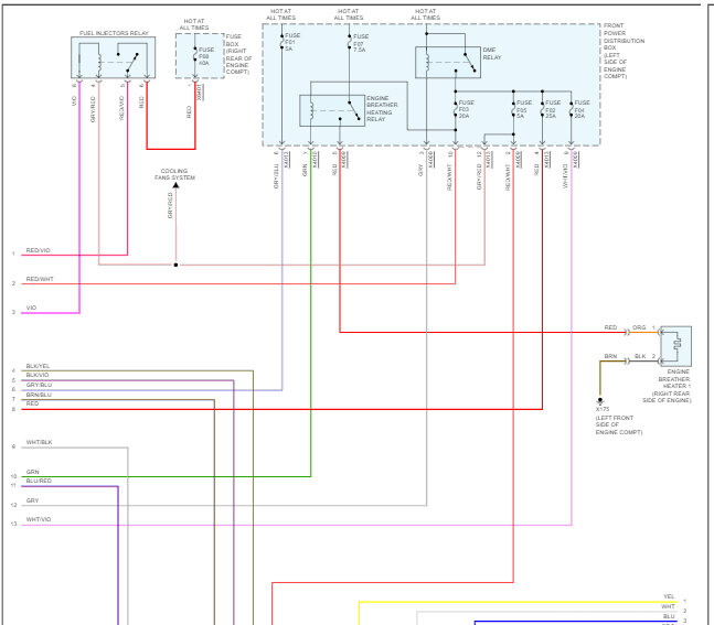
The wire harness was cut. Please see attached photos. Where do I begin? Almost everything electrical works. But I have a no spark/ no start condition. With the following codes U114B, U115E, U115B, P173B, P1776. I can't find a wiring schematic anywhere please help.


















