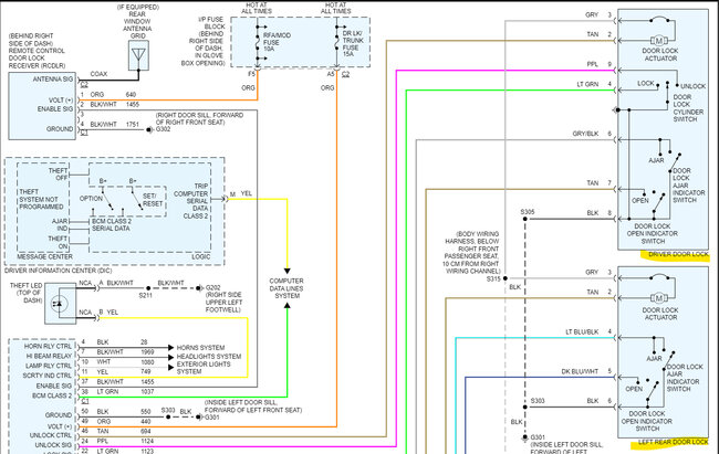
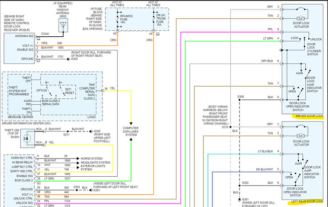
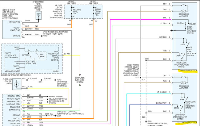
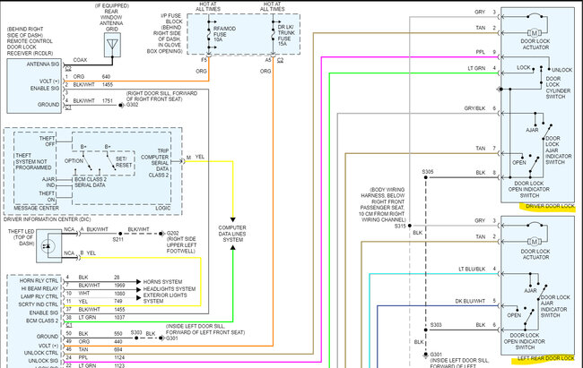
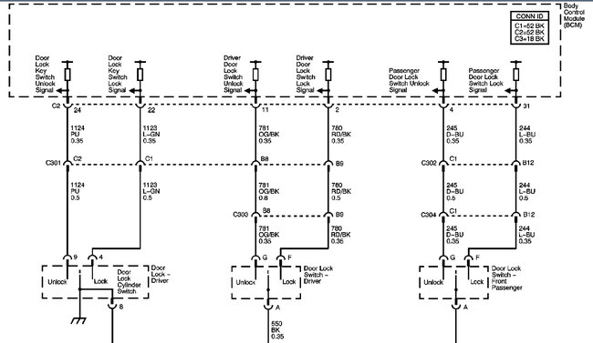
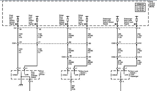
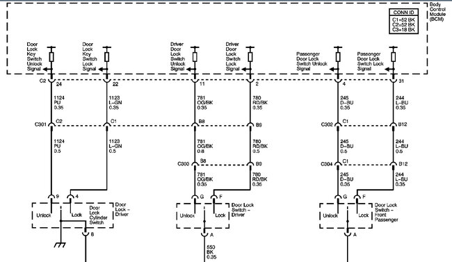
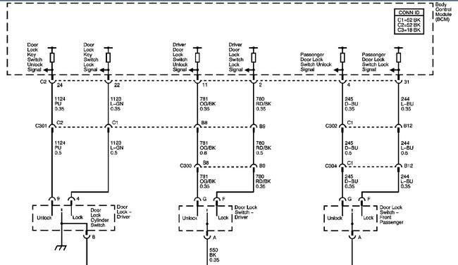
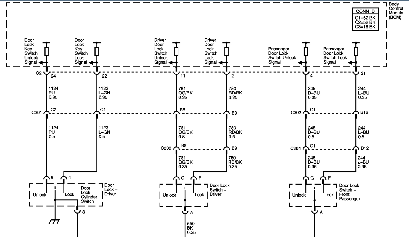
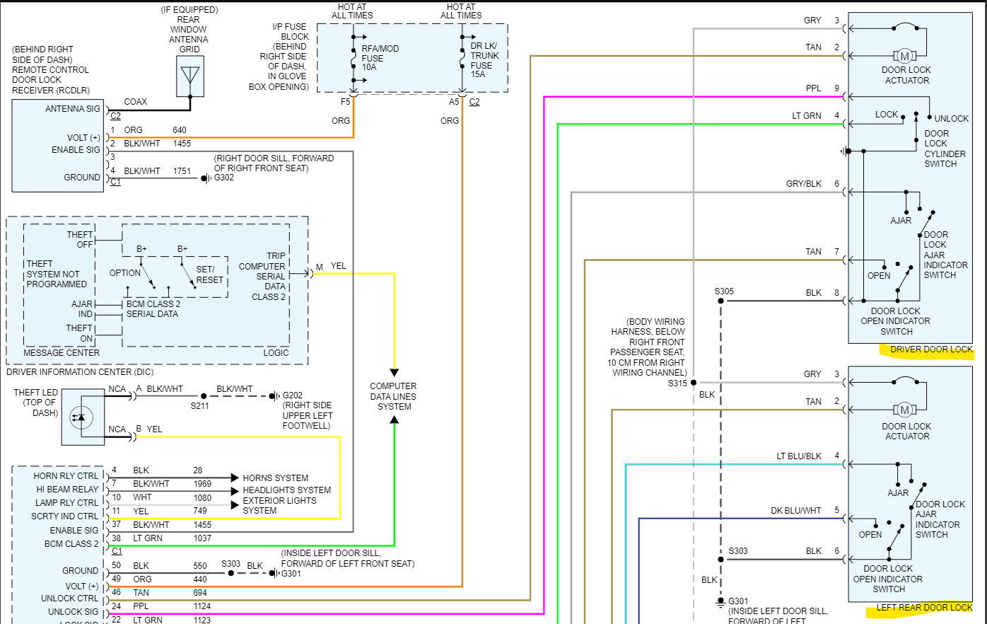
problem: door locks won't work (rear one does not move at all while front lock seems to slightly respond to power switch but does not lock or unlock (just slight movement in the door's knob is observed).
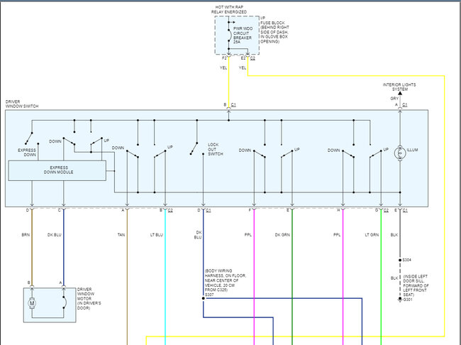
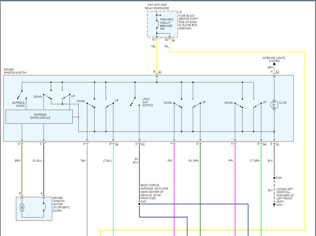
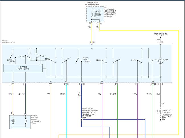
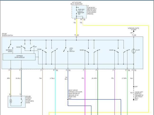
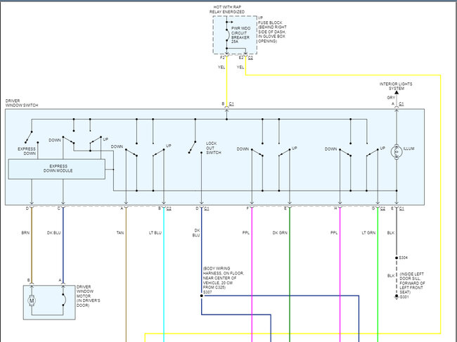
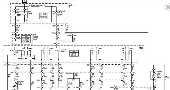
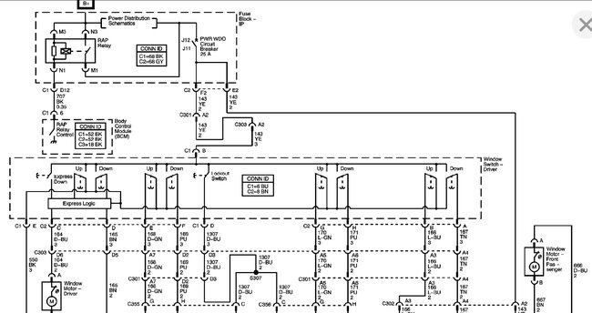
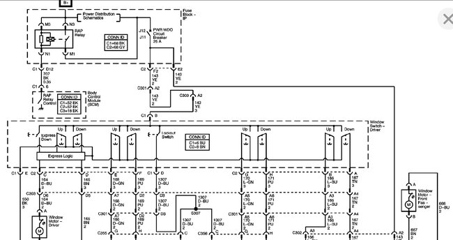
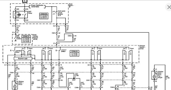
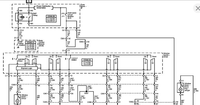
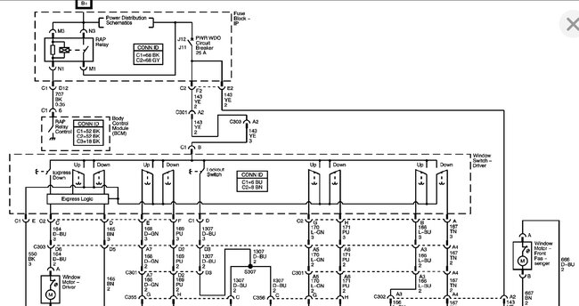
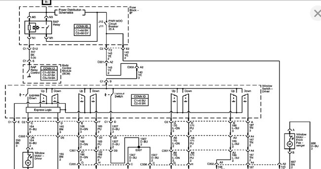
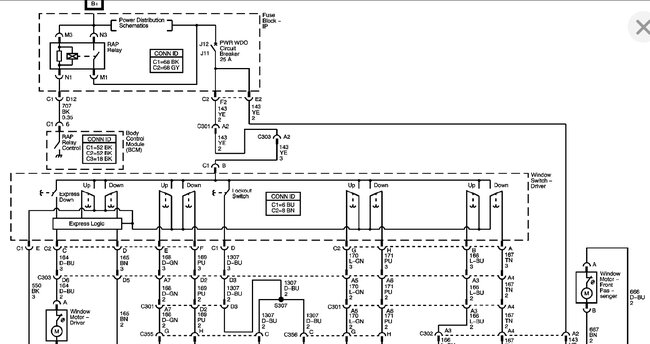
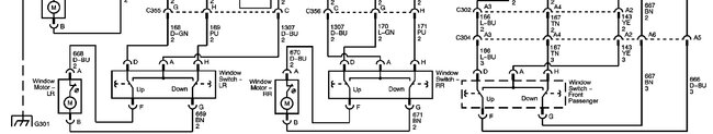
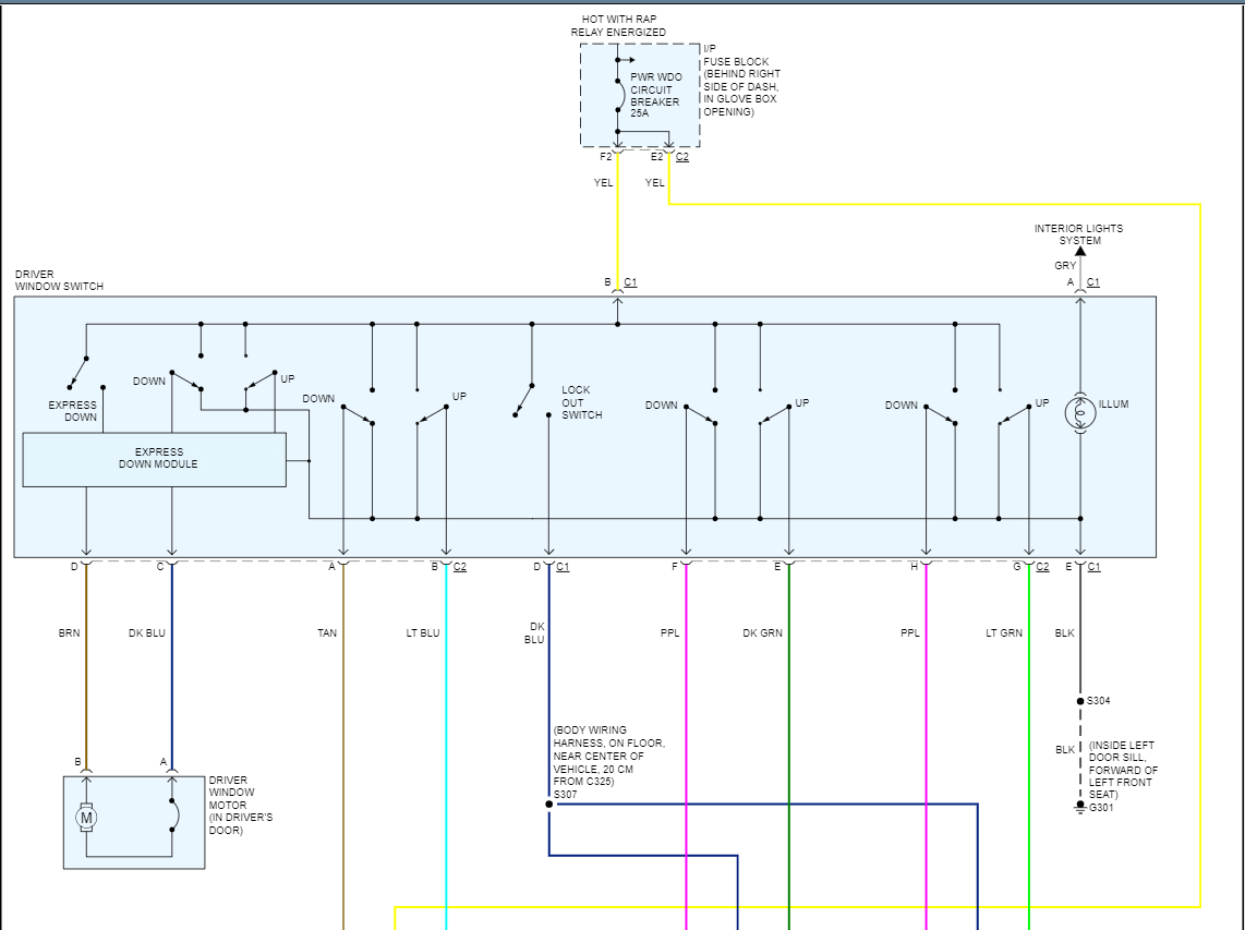
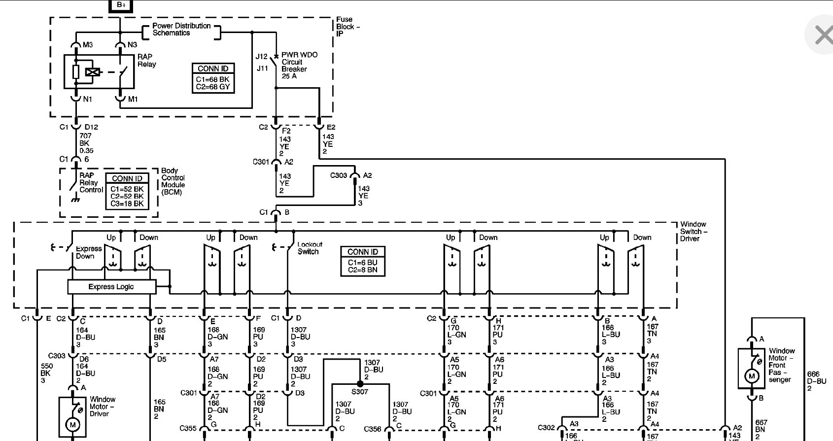
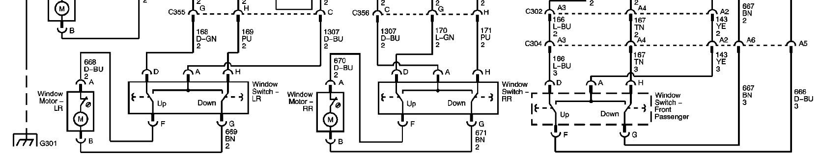
2. Wiring diagrams for passenger side rear window.
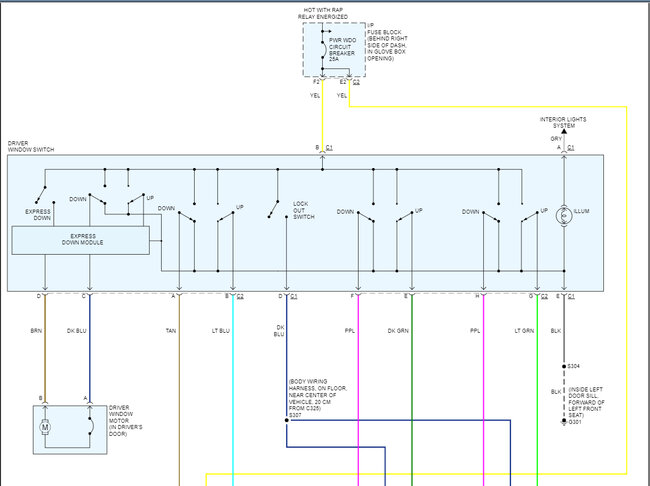
problem:
window does not respond to the power switch at all.
Thanks in advance.
Thursday, November 17th, 2022 AT 1:59 PM








